电脑桌面
添加小米粒文库到电脑桌面
安装后可以在桌面快捷访问

由案例工程说广联达软件的应用技巧

由案例工程说广联达软件的应用技巧_第1页
1/18
由案例工程说广联达软件的应用技巧_第2页
2/18
由案例工程说广联达软件的应用技巧_第3页
3/18
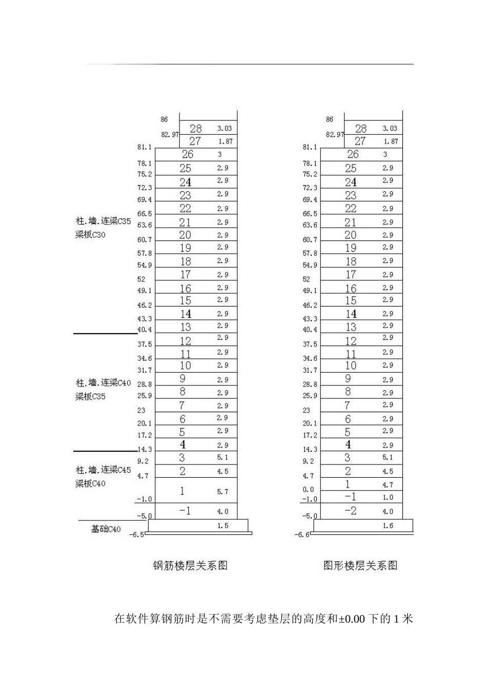
由案例工程说软件的应用技巧 ——*** 一、工程使用背景及手工计算难点本工程建筑层数 26 层,结构形式:框架剪力墙结构,一层地下室,1-3 层为商业裙楼,4-26 层为点式住宅。抗震等级一级,基础砼标号 C40,地下室到 3 层柱墙连梁为 C45,梁板为 C40,4-12 层柱墙连梁为 C40,梁板为 C35,13 层以上柱墙连梁为 C40,梁板为C35。本工程点式外形复杂,层数又多。本工程平面分成两大块,左边为弧形的 3 层裙楼,右边为 26 层的住宅。该工程手工计算最大的难点在于弧形部分,而且层数多,柱和剪力墙变截面多,又是单侧变,砼标号也变,钢筋也变,所以不好算。如用手工计算的话很麻烦。因为一直用广联达软件算工程量,本工程毫无例外的用广联达来处理。 二、基本处理思路和技巧用软件统筹安排,能轻松的解决工程量的计算。软件的处理思路:利用画图,电脑自动统计来计算工程量。计算工程量无非是点、线、面三块。而点、线、面都可以画出图,所以就可以用件处理。广联达的思路是先建属性,再画构件,画好,软件就能计算了。构件与构件之间的扣减关系软件能自动扣除,又能自动汇总。因此能大大提高速度。先算钢筋,再导到图形,先算标准层,再复制到其他层修改,充分安排计算先后次序,整体处理。绘图前我做的三个准备工作:磨刀不误砍柴功,以下三个工作是我在计算本工程前做的工作,也是经验技巧。第一:拆分图纸:把结构图纸分为:总说明、基础、框架柱、墙和暗柱配筋、连梁配筋、梁配筋、板配筋、结构平面图、零星(楼梯节点等)九大部分,对构件来说,这 9 部分是独立的,安排得当的话,算某部分时不需去看其他图纸,可以做到不重复翻任何一张图纸。第二:分析绘图先后顺序:首先根据总说明建立工程,对本工程来说,我把框架柱放在第一种构件绘图,利用柱表,照图纸输信息(包括偏心信息),利用柱表生成构件后只需绘制一层柱就行了,其他层利用只复制图元功能,就轻松的把框架柱绘制完了。我再画墙和暗柱配筋,因为墙会是梁的支座,假如先画梁后画墙,梁就找不到支座,钢筋计算就不准确。再下来是连梁配筋,因为连梁会是次梁的支座,所以连梁放在梁的前面,利用连梁表生成构件,绘一层连梁,同样其他层利用只复制图元功能,就把连梁搞定了。接下来是主梁、次梁。绘制完上述的构件后,板和板配筋就很方便了,利用点式画法或自动生成最小板,很快可以把板绘制完,再配板上的钢筋。再来算基础,最后算楼梯等零星。我根据上面次...

1、当您付费下载文档后,您只拥有了使用权限,并不意味着购买了版权,文档只能用于自身使用,不得用于其他商业用途(如 [转卖]进行直接盈利或[编辑后售卖]进行间接盈利)。
2、本站所有内容均由合作方或网友上传,本站不对文档的完整性、权威性及其观点立场正确性做任何保证或承诺!文档内容仅供研究参考,付费前请自行鉴别。
3、如文档内容存在违规,或者侵犯商业秘密、侵犯著作权等,请点击“违规举报”。

碎片内容

由案例工程说广联达软件的应用技巧

MY shop+ 关注
实名认证
内容提供者

欢迎挑选适合自己的材料。

确认删除?
VIP
微信客服
  • 扫码咨询
会员Q群
  • 会员专属群点击这里加入QQ群
客服邮箱
回到顶部