电脑桌面
添加小米粒文库到电脑桌面
安装后可以在桌面快捷访问

硬度计基本原理

硬度计基本原理_第1页
1/5
硬度计基本原理_第2页
2/5
硬度计基本原理_第3页
3/5
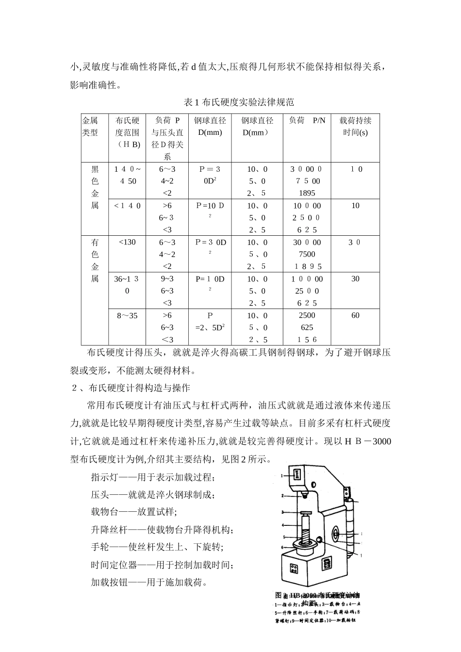
附录一 硬度计基本原理一、布尔硬度(HB)1、基本原理将载荷 P 与直线为 D 得淬火钢球压入试样得表面,并保持一定时间,然后去除载荷 P,测量压痕直径 d,见图 1 所示。最后计算出布氏硬度值。计算公式如下:若压痕得深度为 h,则压痕得面积为图 1 布尔硬度计测量原理图式中——计算平均压力,以此人为试样硬度值,称布氏硬度值,以符号 HB 表示。P——施加得载荷;F——压痕得表面积;D——钢球得直径;d——压痕直径。在P与 D 一定得情况,布氏硬度得高低取决于压痕得直径 d,d 越大,表明材料得HB值越低即材料软;反之材料硬度高即 HB 值越大。在具体测量时,并不就就是每次都按上述公式去算,而就就是根据 D 与 P 值得大小,测量出痕压得直径d,然后查表即得,这种表格就就就是根据上述公式计算制出得,可参考附录一。由于材料有硬有软,工件有厚、薄、大、小之分,为适应不同情况,其压头有 φ2.5mm、φ 5m m、φ 1 0mm 三种钢球。载荷有 15 6 N、625N、1 875N、25 00N、7 5 0 0 N、10 00 0 N、3 00 0 0N7 种。在具体测量时只要满足P/D2为常数,则对同一材料来说,布氏硬度值都相同;对不同材料,所得布氏硬度值就就是可进行比较得。国家标准规定 P/D2为 30、1 0、2、5 三种。按表 1 布氏硬度试验得法律规范来选择钢球直径 D 与加压负荷 P 以及保压时间。在试样截面大小与厚度允许得情况下,尽可能选用直径大得钢球与大得载荷 ,这样更接近于材料得真实性能;同时测量得压痕大,误差也小。所以测定钢得硬度时,尽可能用 φ1 0 m m钢球与 30000N 得载荷 。压痕直径应在0、25D66~3<3P=10 D210、05、02、510 0 002 5 0 06 2 510有色金属<1306~34~2<2P=3 0D210、05、02、530 0 0075001 8 9 53 036~1 309~36~3<3P=1 0D210、05、02、51 00 0025 0 06 2 5308~35>66~3<3P=2、5D210、05、02、525006251 5...

1、当您付费下载文档后,您只拥有了使用权限,并不意味着购买了版权,文档只能用于自身使用,不得用于其他商业用途(如 [转卖]进行直接盈利或[编辑后售卖]进行间接盈利)。
2、本站所有内容均由合作方或网友上传,本站不对文档的完整性、权威性及其观点立场正确性做任何保证或承诺!文档内容仅供研究参考,付费前请自行鉴别。
3、如文档内容存在违规,或者侵犯商业秘密、侵犯著作权等,请点击“违规举报”。

碎片内容

硬度计基本原理

不二商店+ 关注
实名认证
内容提供者

我是你的不二选择

确认删除?
VIP
微信客服
  • 扫码咨询
会员Q群
  • 会员专属群点击这里加入QQ群
客服邮箱
回到顶部