电脑桌面
添加小米粒文库到电脑桌面
安装后可以在桌面快捷访问

精品资料(2025-2025收藏)单片机的直流电机调速系统

精品资料(2025-2025收藏)单片机的直流电机调速系统_第1页
1/21
精品资料(2025-2025收藏)单片机的直流电机调速系统_第2页
2/21
精品资料(2025-2025收藏)单片机的直流电机调速系统_第3页
3/21
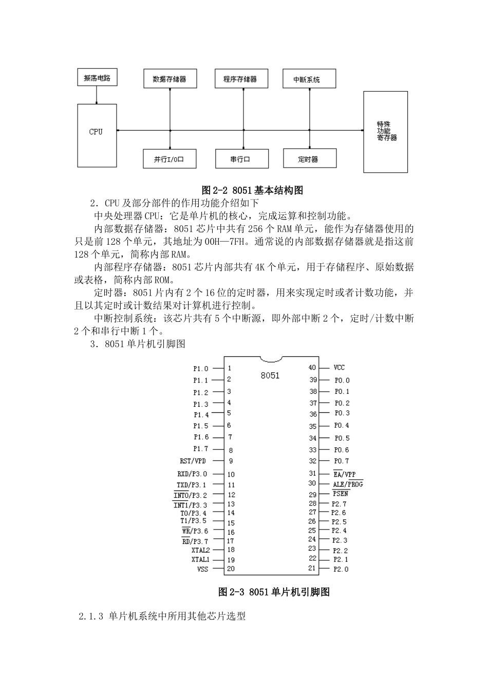
基于 8051 单片机直流电机调速系统2.1 总体硬件电路设计2.1.1 系统总体设计框图本系统采纳 89C51 控制输出数据,由 PWM 信号发生电路产生 PWM 信号,送到直流电机,直流电机通过测速电路,滤波电路,和 A/D 转换电路交数据重新送回单片机,进行 PI 运算,从而实现对电机速度和转向的控制,达到直流电机调速的目的。图 2-1 系统总体设计图2.1.2 8051 单片机简介1.8051 单片机的基本组成8051 单片机由 CPU 和 8 个部件组成,它们都通过片内单一总线连接,其基本结构依旧是通用 CPU 加上外围芯片的结构模式,但在功能单元的控制上采纳了特别功能寄存器的集中控制方法。其基本组成如下图所示: 主控芯片PWM 信号的产生与放大直流电机测速发电机滤波电路A/D转换图 2-2 8051 基本结构图2.CPU 及部分部件的作用功能介绍如下中央处理器 CPU:它是单片机的核心,完成运算和控制功能。内部数据存储器:8051 芯片中共有 256 个 RAM 单元,能作为存储器使用的只是前 128 个单元,其地址为 00H—7FH。通常说的内部数据存储器就是指这前128 个单元,简称内部 RAM。内部程序存储器:8051 芯片内部共有 4K 个单元,用于存储程序、原始数据或表格,简称内部 ROM。定时器:8051 片内有 2 个 16 位的定时器,用来实现定时或者计数功能,并且以其定时或计数结果对计算机进行控制。中断控制系统:该芯片共有 5 个中断源,即外部中断 2 个,定时/计数中断2 个和串行中断 1 个。3.8051 单片机引脚图图 2-3 8051 单片机引脚图 2.1.3 单片机系统中所用其他芯片选型1. 地址锁存器地 址 锁 存 器 可 以 选 择 多 种 , 有 地 址 锁 存 功 能 的 器 件 有74LS373、8282、74LS273 等,8282 是地址锁存器,功能与 74LS373 类似,但本系统选用 74LS373 作为地址锁存器,考虑到其应用的广泛性以及具有良好的性价比,成为目前在单片机系统中应该较广泛的地址锁存器。74LS373 片内是 8 个输出带三态门的 D 锁存器。当使能端呈高电平常,锁存器中的内容可以更新,而在返回低电平的瞬间实现锁存。假如此时芯片的输出控制端为低,也即是输出三态门打开,锁存器中的地址信息便可以通过三态门输出。其引脚图如图 2-4 所示: 图 2-4 74L373 引脚图2.程序存储器存储器是单片机的又一个重要组成部分,其中程序存储器是单片机中非常重要的存储器,但由于其存储空间不足,常常...

1、当您付费下载文档后,您只拥有了使用权限,并不意味着购买了版权,文档只能用于自身使用,不得用于其他商业用途(如 [转卖]进行直接盈利或[编辑后售卖]进行间接盈利)。
2、本站所有内容均由合作方或网友上传,本站不对文档的完整性、权威性及其观点立场正确性做任何保证或承诺!文档内容仅供研究参考,付费前请自行鉴别。
3、如文档内容存在违规,或者侵犯商业秘密、侵犯著作权等,请点击“违规举报”。

碎片内容

精品资料(2025-2025收藏)单片机的直流电机调速系统

您可能关注的文档

阳光书坊+ 关注
实名认证
内容提供者

阳光书坊,传播未来

确认删除?
VIP
微信客服
  • 扫码咨询
会员Q群
  • 会员专属群点击这里加入QQ群
客服邮箱
回到顶部