电脑桌面
添加小米粒文库到电脑桌面
安装后可以在桌面快捷访问

配电自动化终端运维作业指导书作业指导书

配电自动化终端运维作业指导书作业指导书_第1页
1/9
配电自动化终端运维作业指导书作业指导书_第2页
2/9
配电自动化终端运维作业指导书作业指导书_第3页
3/9
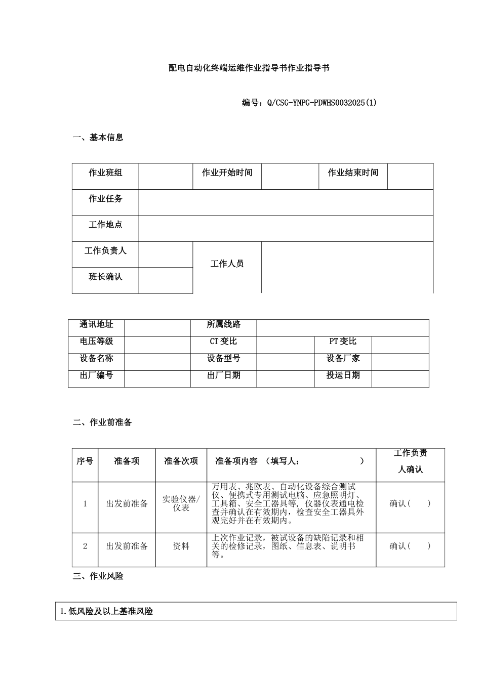
配电自动化终端运维作业指导书作业指导书 编号:Q/CSG-YNPG-PDWHS0032025(1)一、基本信息作业班组作业开始时间作业结束时间作业任务工作地点工作负责人工作人员班长确认通讯地址所属线路电压等级CT 变比PT 变比设备名称设备型号设备厂家出厂编号出厂日期投运日期二、作业前准备序号准备项准备次项准备项内容 (填写人: )工作负责人确认1出发前准备实验仪器/仪表万用表、兆欧表、自动化设备综合测试仪、便携式专用测试电脑、应急照明灯、工具箱、安全工器具等, 仪器仪表通电检查并确认在有效期内,检查安全工器具外观完好并在有效期内。确认( )2出发前准备资料上次作业记录,被试设备的缺陷记录和相关的检修记录,图纸、信息表、说明书等。确认( )三、作业风险1.低风险及以上基准风险作业名称序号危害名称风险控制措施工作负责人确认(一)装置绝缘电阻测试1接取实验电源,触电伤亡检查漏电保护开关正常,严禁用导线在插座上取电源确认( )2CT 开 路 导致 人 员 触电、设备损坏专人监护,短接 CT 二次绕组时,必须使用专用短接片或短接线进行对的短接,短路应妥善可靠,严禁用导线缠绕;严禁在 CT 二次绕组与短路端子之间的回路和导线上进行任何工作;工作必须仔细、谨慎,不得将回路的永久接地点断开确认( )3PT 短 路 导致 人 员 触电、设备损坏专人监护,拆除的 PT 二次线,用绝缘胶布密封外露的导体部分确认( )(2)装置工作电源检查1接取实验电源,触电伤亡检查漏电保护开关正常,严禁用导线在插座上取电源确认( )2误触碰,引起运营设备误动设专人监护,并呼唱,操作前加强沟通与协调,具体了解现场是否有其他工作,以及明确各方的工作内容 确认( )(3)终端设备功能检查1误触碰,引起运营设备误动设专人监护,并呼唱,操作前加强沟通与协调,具体了解现场是否有其他工作,以及明确各方的工作内容确认( )2操作错误,数据丢失作业前做好备份,加强监护确认( )(4)遥测测试1CT 开 路 导致 人 员 触电、设备损坏专人监护,短接 CT 二次绕组时,必须使用专用短接片或短接线进行对的短接,短路应妥善可靠,严禁用导线缠绕;严禁在 CT 二次绕组与短路端子之间的回路和导线上进行任何工作;工作必须仔细、谨慎,不得将回路的永久接地点断开 确认( )2PT 短 路 导致 人 员 触电、设备损坏专人监护,拆除的 PT 二次线,用绝缘胶布密封外露的导体部分确认( )3接取实验电源,触电伤亡检查漏电保护...

1、当您付费下载文档后,您只拥有了使用权限,并不意味着购买了版权,文档只能用于自身使用,不得用于其他商业用途(如 [转卖]进行直接盈利或[编辑后售卖]进行间接盈利)。
2、本站所有内容均由合作方或网友上传,本站不对文档的完整性、权威性及其观点立场正确性做任何保证或承诺!文档内容仅供研究参考,付费前请自行鉴别。
3、如文档内容存在违规,或者侵犯商业秘密、侵犯著作权等,请点击“违规举报”。

碎片内容

配电自动化终端运维作业指导书作业指导书

津创媒+ 关注
实名认证
内容提供者

欢迎交流文创,小店资料希望满足您的需要。

确认删除?
VIP
微信客服
  • 扫码咨询
会员Q群
  • 会员专属群点击这里加入QQ群
客服邮箱
回到顶部