电脑桌面
添加小米粒文库到电脑桌面
安装后可以在桌面快捷访问

重庆市市政基础设施工程文件归档内容一览表

重庆市市政基础设施工程文件归档内容一览表_第1页
1/12
重庆市市政基础设施工程文件归档内容一览表_第2页
2/12
重庆市市政基础设施工程文件归档内容一览表_第3页
3/12
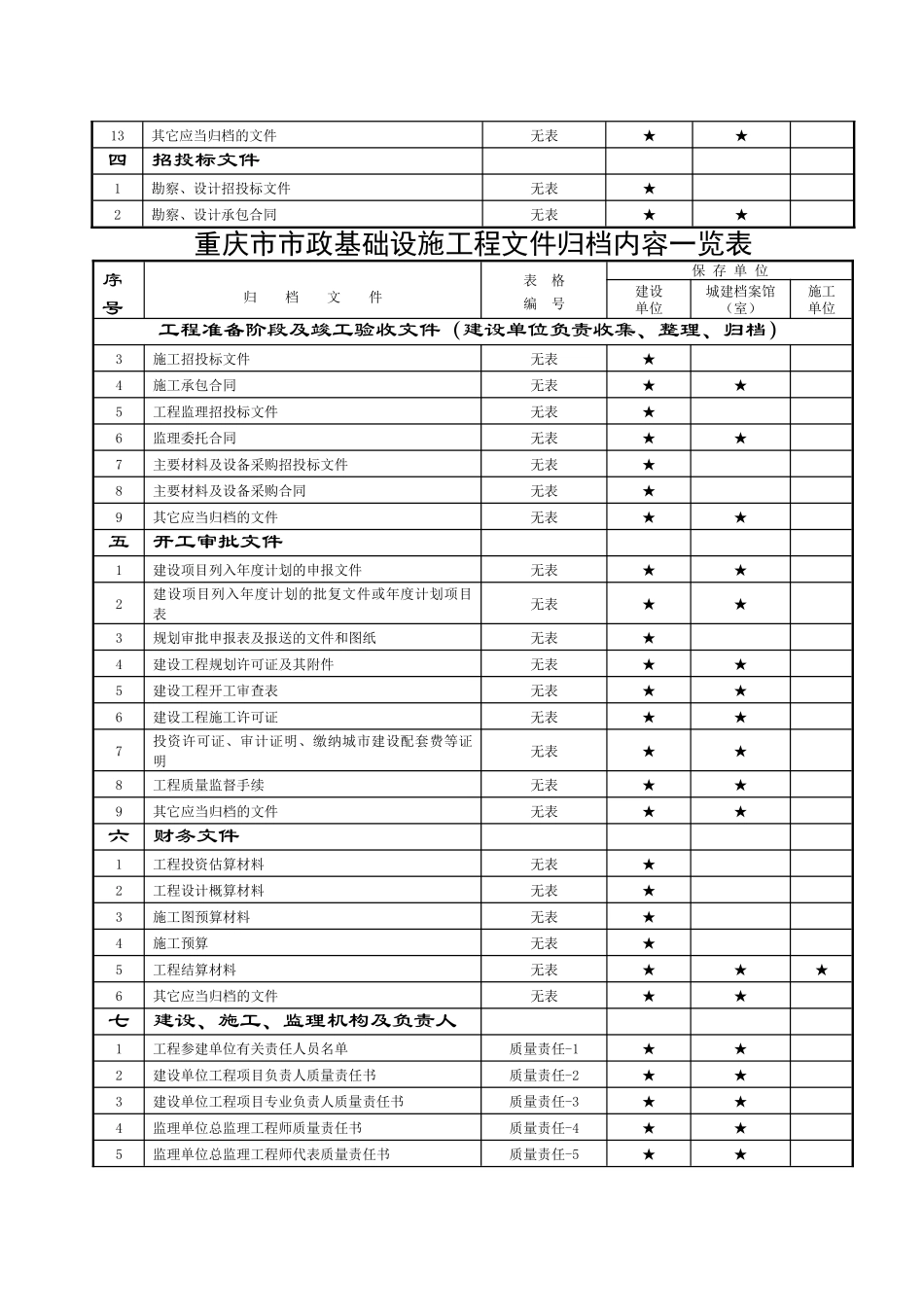
重庆市城乡建设委员会关于印发《重庆市市政基础设施工程施工技术用表》和《重庆市市政基础设施工程文件归档内容一览表》的通 知各区县(自治县)城乡建委,各建设、施工、监理单位:为了适应城市建设不断进展的需要,法律规范我市市政工程建设质量、安全和档案管理工作,使建设工程档案真实、准确地反映工程实际情况,更好地服务城乡建设,市建设工程质量监督总站、市城市建设档案馆组织专业人员,根据国务院《建设工程质量管理条例》( 279 号令)、《建设工程文件归档整理法律规范》(GB/T50328---2001)和有关市政基础设施工程现行施工及验收法律规范,对原《重庆市市政工程施工技术用表》(渝建发[2025]1 号)进行了修订,重新制定了《重庆市市政基础设施工程施工技术用表》(共计 189 种表格)和《重庆市市政基础设施工程文件归档内容一览表》,并已经专家组审查通过,决定颁布施行,现将有关事宜通知如下:一、《重庆市市政基础设施工程施工技术用表》和《重庆市市政基础设施工程文件归档内容一览表》适用于本市范围内所有新建、改建和扩建的市政基础设施工程。二、《重庆市市政基础设施工程施工技术用表》和《重庆市市政基础设施工程文件归档内容一览表》自 2010 年 7 月 1 日起施行;7 月 1 日前按《重庆市市政工程施工技术用表》(渝建发〔2025〕1 号)形成的表格不再重新填写。归档统一按新印发的《重庆市市政基础设施工程文件归档内容一览表》的顺序排列。三、《重庆市市政基础设施工程施工技术用表》和《重庆市市政基础设施工程文件归档内容一览表》由市城乡建设委员会负责管理,执行中的问题由市建设工程质量监督总站、市城市建设档案馆负责解释。原《重庆市市政工程施工技术用表》(渝建发[2025]1 号)、《重庆市市政工程文件归档内容一览表》(渝建发[2025]54 号)同时作废。附:1、《重庆市市政基础设施工程施工技术用表样表目录》2、《重庆市市政基础设施工程文件归档内容一览表》重庆市城乡建设委员会二○一○年六月三日重庆市市政基础设施工程文件归档内容一览表序号归 档 文 件表 格编 号保 存 单 位建设单位城建档案馆(室)施工单位工程准备阶段及竣工验收文件(建设单位负责收集、整理、归档)一立项文件1项目建议书无表★★2项目建议书审批意见及前期工作通知书无表★★3可行性讨论报告及附件无表★★4可行性讨论报告审批意见无表★★5关于立项有关的会议纪要、领导讲话无表★★6专家建议文件无...

1、当您付费下载文档后,您只拥有了使用权限,并不意味着购买了版权,文档只能用于自身使用,不得用于其他商业用途(如 [转卖]进行直接盈利或[编辑后售卖]进行间接盈利)。
2、本站所有内容均由合作方或网友上传,本站不对文档的完整性、权威性及其观点立场正确性做任何保证或承诺!文档内容仅供研究参考,付费前请自行鉴别。
3、如文档内容存在违规,或者侵犯商业秘密、侵犯著作权等,请点击“违规举报”。

碎片内容

重庆市市政基础设施工程文件归档内容一览表

您可能关注的文档

确认删除?
VIP
微信客服
  • 扫码咨询
会员Q群
  • 会员专属群点击这里加入QQ群
客服邮箱
回到顶部