电脑桌面
添加小米粒文库到电脑桌面
安装后可以在桌面快捷访问

钻孔单孔验收单

钻孔单孔验收单_第1页
1/6
钻孔单孔验收单_第2页
2/6
钻孔单孔验收单_第3页
3/6
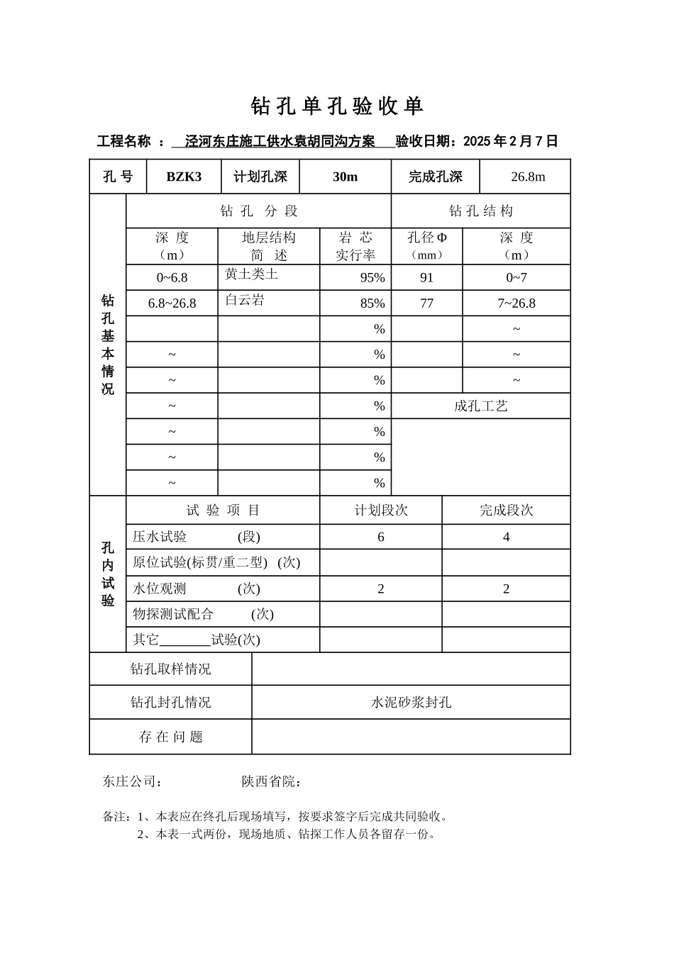
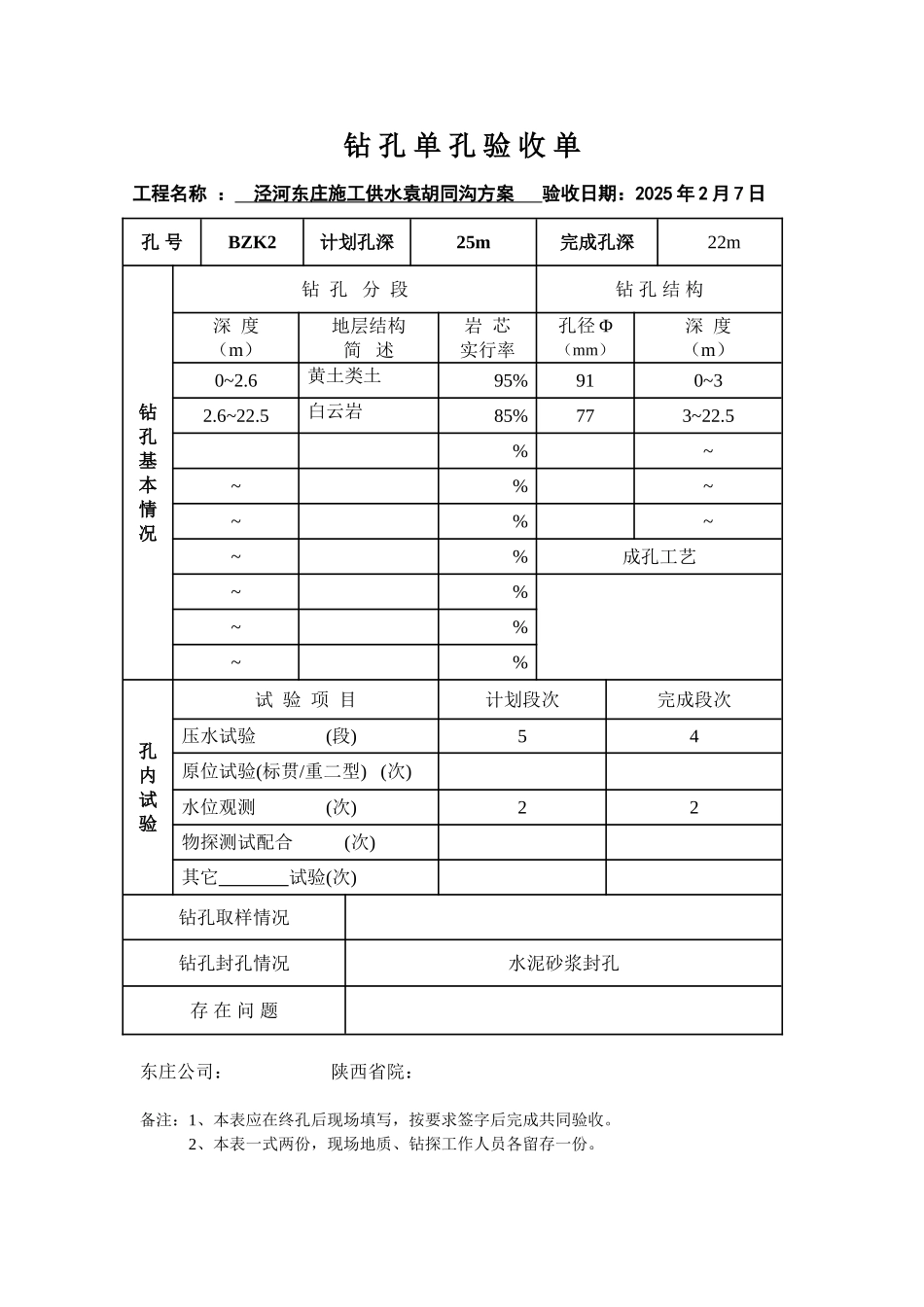
钻 孔 单 孔 验 收 单工程名称 : 泾河东庄施工供水袁胡同沟方案 验收日期:2025 年 2 月 7 日孔 号BZK1计划孔深30m完成孔深29.2m钻孔基本情况钻 孔 分 段钻 孔 结 构深 度(m)地层结构简 述岩 芯实行率孔径 Φ(mm)深 度(m)0~5.8黄土类土95%910~65.8~12白云岩85%776~29.212~29.2白云岩90%~~%~~%~~%成孔工艺~%~%~%孔内试验试 验 项 目计划段次完成段次压水试验 (段)65原位试验(标贯/重二型) (次)水位观测 (次)22物探测试配合 (次)其它 试验(次)钻孔取样情况钻孔封孔情况水泥砂浆封孔存 在 问 题东庄公司: 陕西省院: 备注:1、本表应在终孔后现场填写,按要求签字后完成共同验收。2、本表一式两份,现场地质、钻探工作人员各留存一份。钻 孔 单 孔 验 收 单工程名称 : 泾河东庄施工供水袁胡同沟方案 验收日期:2025 年 2 月 7 日孔 号BZK2计划孔深25m完成孔深22m钻孔基本情况钻 孔 分 段钻 孔 结 构深 度(m)地层结构简 述岩 芯实行率孔径 Φ(mm)深 度(m)0~2.6黄土类土95%910~32.6~22.5白云岩85%773~22.5%~~%~~%~~%成孔工艺~%~%~%孔内试验试 验 项 目计划段次完成段次压水试验 (段)54原位试验(标贯/重二型) (次)水位观测 (次)22物探测试配合 (次)其它 试验(次)钻孔取样情况钻孔封孔情况水泥砂浆封孔存 在 问 题东庄公司: 陕西省院: 备注:1、本表应在终孔后现场填写,按要求签字后完成共同验收。2、本表一式两份,现场地质、钻探工作人员各留存一份。钻 孔 单 孔 验 收 单工程名称 : 泾河东庄施工供水袁胡同沟方案 验收日期:2025 年 2 月 7 日孔 号BZK3计划孔深30m完成孔深26.8m钻孔基本情况钻 孔 分 段钻 孔 结 构深 度(m)地层结构简 述岩 芯实行率孔径 Φ(mm)深 度(m)0~6.8黄土类土95%910~76.8~26.8白云岩85%777~26.8%~~%~~%~~%成孔工艺~%~%~%孔内试验试 验 项 目计划段次完成段次压水试验 (段)64原位试验(标贯/重二型) (次)水位观测 (次)22物探测试配合 (次)其它 试验(次)钻孔取样情况钻孔封孔情况水泥砂浆封孔存 在 问 题东庄公司: 陕西省院: 备注:1、本表应在终孔后现场填写,按要求签字后完成共同验收。2、本表一式两份,现场地质、钻探工作人员各留存一份。钻 孔 单 孔 验 收 单工程名称 : 泾河东庄施工供水袁胡同沟方案 验收日期:2025 年 2 月 7 日孔 号BZK4计划孔深20m...

1、当您付费下载文档后,您只拥有了使用权限,并不意味着购买了版权,文档只能用于自身使用,不得用于其他商业用途(如 [转卖]进行直接盈利或[编辑后售卖]进行间接盈利)。
2、本站所有内容均由合作方或网友上传,本站不对文档的完整性、权威性及其观点立场正确性做任何保证或承诺!文档内容仅供研究参考,付费前请自行鉴别。
3、如文档内容存在违规,或者侵犯商业秘密、侵犯著作权等,请点击“违规举报”。

碎片内容

钻孔单孔验收单

您可能关注的文档

确认删除?
VIP
微信客服
  • 扫码咨询
会员Q群
  • 会员专属群点击这里加入QQ群
客服邮箱
回到顶部