电脑桌面
添加小米粒文库到电脑桌面
安装后可以在桌面快捷访问

钻孔灌注桩桩-表格

钻孔灌注桩桩-表格_第1页
1/8
钻孔灌注桩桩-表格_第2页
2/8
钻孔灌注桩桩-表格_第3页
3/8
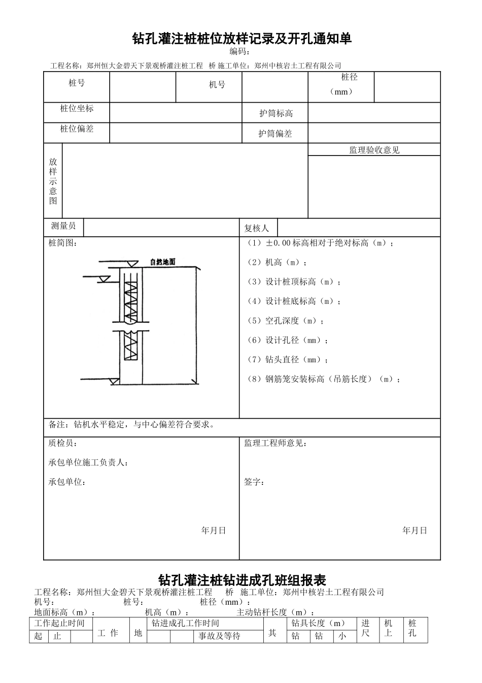
钻孔灌注桩桩位放样记录及开孔通知单编码: 工程名称:郑州恒大金碧天下景观桥灌注桩工程 桥 施工单位:郑州中核岩土工程有限公司桩号机号桩径(mm)桩位坐标护筒标高桩位偏差护筒偏差放样示意图监理验收意见测量员复核人桩简图:(1)±0.00 标高相对于绝对标高(m);(2)机高(m);(3)设计桩顶标高(m);(4)设计桩底标高(m);(5)空孔深度(m);(6)设计孔径(mm);(7)钻头直径(mm);(8)钢筋笼安装标高(吊筋长度)(m);备注:钻机水平稳定,与中心偏差符合要求。质检员:承包单位施工负责人:承包单位:年月日监理工程师意见:签字:年月日钻孔灌注桩钻进成孔班组报表工程名称:郑州恒大金碧天下景观桥灌注桩工程 桥 施工单位:郑州中核岩土工程有限公司机号: 桩号: 桩径(mm):地面标高(m): 机高(m): 主动钻杆长度(m):工作起止时间工 作地钻进成孔工作时间其钻具长度(m)进尺机上桩孔起止事故及等待钻钻小日时日时计时内 容层情况纯钻辅钻他时间杆头计(m)余尺(m)深度(m)孔内事故设备损坏其他停钻班长: 记录员: 年 月 日钻孔灌注桩终孔验收单编码:工程名称:郑州恒大金碧天下景观桥灌注桩工程 桥 施工单位:郑州中核岩土工程有限公司桩号: 护筒标高:开孔日期: 年 月 日 终孔日期: 年 月 日 时 分项目设计实际桩孔直径(㎜)桩孔深度(mm)桩底标高(m)施工情况:验收意见:质检员:承包单位负责人:年 月 日监理工程师意见:签字:年 月 日混凝土灌注桩钢筋笼检验批质量验收记录单位(子单位)工程名称郑州恒大金碧天下景观桥灌注桩工程 桥分部(子分部)工程名称桩基分项工程名称地基与基础验收部位施工单位郑州中核岩土工程有限公司项目经理杜衍铃施工执行标准名称及编号《建筑地基基础工程施工质量验收法律规范》GB50202-2025专业工长(施工员)分包单位分包项目经理施工班组长施工质量验收法律规范的规定施工单位自检记录监理(建设)单位验收记录主控项目1受力钢筋的品种、级别、规格和数量必须符合设计要求受力钢筋的品种、级别、规格和数量符合设计要求2钢筋焊接或机械连接接头的质量应符合本标准附录 C 的规定钢筋焊接连接接头的质量,符合设计要求3钢筋的表面质量平直、干净,不应 有 伤 痕 、 油污、片状老锈和麻点钢筋平直、干净,没有伤痕、油污、片状老锈和麻点4钢筋笼吊放质量符合设计要求,不碰孔壁,固定牢固钢筋笼吊放没有碰孔壁,固定牢固...

1、当您付费下载文档后,您只拥有了使用权限,并不意味着购买了版权,文档只能用于自身使用,不得用于其他商业用途(如 [转卖]进行直接盈利或[编辑后售卖]进行间接盈利)。
2、本站所有内容均由合作方或网友上传,本站不对文档的完整性、权威性及其观点立场正确性做任何保证或承诺!文档内容仅供研究参考,付费前请自行鉴别。
3、如文档内容存在违规,或者侵犯商业秘密、侵犯著作权等,请点击“违规举报”。

碎片内容

钻孔灌注桩桩-表格

您可能关注的文档

一二三四传媒+ 关注
实名认证
内容提供者

大量资料供您选择,没有合适的可以联系小二。

相关文档

确认删除?
VIP
微信客服
  • 扫码咨询
会员Q群
  • 会员专属群点击这里加入QQ群
客服邮箱
回到顶部