电脑桌面
添加小米粒文库到电脑桌面
安装后可以在桌面快捷访问

高支模工程安全监理实施细则1

高支模工程安全监理实施细则1_第1页
1/4
高支模工程安全监理实施细则1_第2页
2/4
高支模工程安全监理实施细则1_第3页
3/4
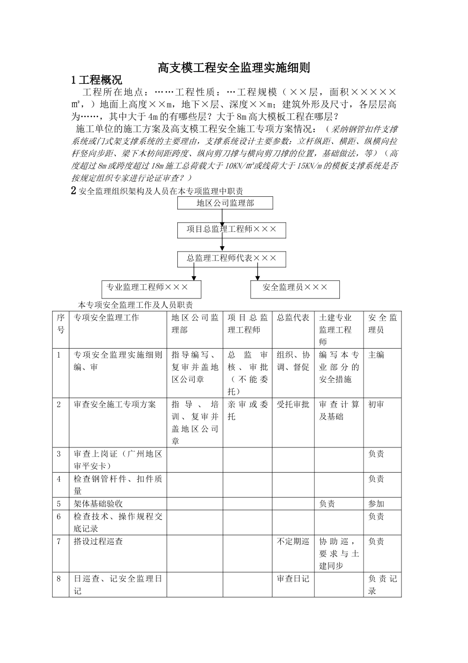
高支模工程安全监理实施细则1 工程概况 工程所在地点:……工程性质:…工程规模( ××层,面积×××××㎡,)地面上高度××m,地下×层、深度××m;建筑外形及尺寸,各层层高为……,其中大于 4m 的有哪些层?大于 8m 高大模板工程在哪层? 施工单位的施工方案及高支模工程安全施工专项方案情况:(采纳钢管扣件支撑系统或门式架支撑系统的主要理由,支撑系统设计主要参数:立杆纵距、横距、纵横向拉杆竖向步距、梁下木枋间距跨度、纵向剪刀撑与横向剪刀撑的位置,基础做法,等)(高度超过 8m 或跨度超过 18m 施工总荷载大于 10KN/㎡或线荷大于 15KN/m 的模板支撑系统是否按规定组织专家进行论证审查?)2 安全监理组织架构及人员在本专项监理中职责地区公司监理部项目总监理工程师×××总监理工程师代表×××专业监理工程师×××安全监理员××× 本专项安全监理工作及人员职责序号专项安全监理工作地 区 公 司 监理部项 目 总 监理工程师总监代表土建专业监理工程师安 全 监理员1专项安全监理实施细则编、审指 导 编 写 、复 审 并 盖 地区公司章总监审核 、 审 批( 不 能 委托)组织、协调、督促编 写 本 专业 部 分 的安全措施主编2审查安全施工专项方案指 导 、 培训 、 复 审 并盖 地 区 公 司章亲 审 或 委托受托审批审 查 计 算及基础初审3审查上岗证(广州地区审平安卡)负责4检查钢管杆件、扣件质量负责5架体基础验收负责参加6检查技术、操作规程交底记录负责7搭设过程巡查不定期巡协 助 巡 ,要 求 与 土建同步负责8日巡查、记安全监理日记审查日记负 责 记录9验收及验收手续报监理审核参 验 并审核10拆除过程巡视负责11安全周检、月检参加月检组 织 或 委托组织参加或受托组织参加参 加 、记录12安全周报、月报、发监理通知单月检亲 审 或 委托 审 、 签发受 托 审查、签发负 责 拟稿 、 打印 、 发放13资 料 收 集 、 整 理 、 组卷、归档月检审查负责注:广州市安全监督站要求报安全周报。其他地区按当地安全站要求办。安全监理通知单应具有“三要素”(即:什么问题、怎么整改、完成时限)并应及时书面回复,监理应在回复单上填写复查意见,达到闭合。3 本专项工程安全监理要点及目标值3.1.1 应按法律规范 JGJ59—99 的模板工程安全检查评分表 表 3.0.6 进行检查并打分。3.1.2 现浇水平构件模板支撑系统...

1、当您付费下载文档后,您只拥有了使用权限,并不意味着购买了版权,文档只能用于自身使用,不得用于其他商业用途(如 [转卖]进行直接盈利或[编辑后售卖]进行间接盈利)。
2、本站所有内容均由合作方或网友上传,本站不对文档的完整性、权威性及其观点立场正确性做任何保证或承诺!文档内容仅供研究参考,付费前请自行鉴别。
3、如文档内容存在违规,或者侵犯商业秘密、侵犯著作权等,请点击“违规举报”。

碎片内容

高支模工程安全监理实施细则1

确认删除?
VIP
微信客服
  • 扫码咨询
会员Q群
  • 会员专属群点击这里加入QQ群
客服邮箱
回到顶部