电脑桌面
添加小米粒文库到电脑桌面
安装后可以在桌面快捷访问

-410kV油纸绝缘电缆户内型终端头制作质量管理

-410kV油纸绝缘电缆户内型终端头制作质量管理_第1页
1/8
-410kV油纸绝缘电缆户内型终端头制作质量管理_第2页
2/8
-410kV油纸绝缘电缆户内型终端头制作质量管理_第3页
3/8
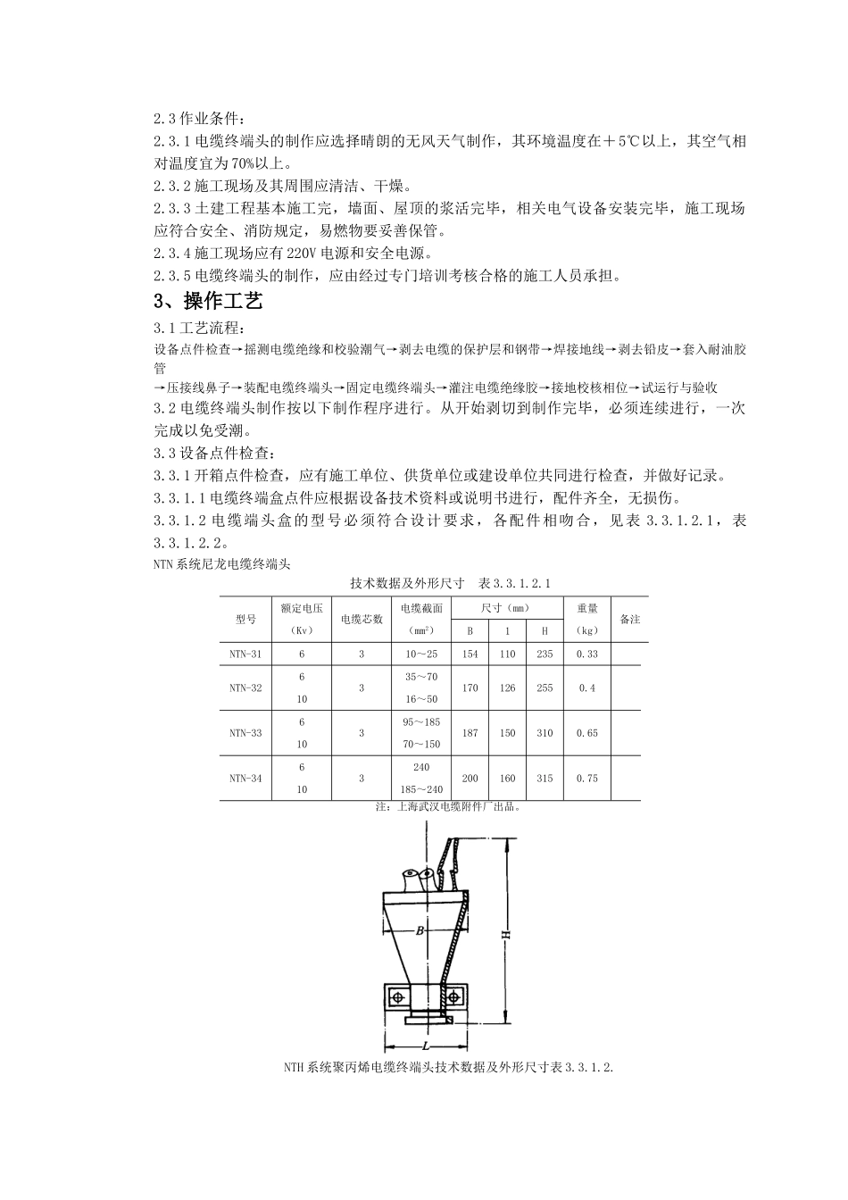
10(6)kV 油纸绝缘电缆户内型终端头制作质量管理依据标准:《建筑工程施工质量验收统一标准》GB50300-2001《建筑电气工程施工质量验收法律规范》GB50303-20251、范围本质量管理适用于一般工业与民用建筑电气安装工程 10(6)kV 电纸绝缘电缆户内终端头制作。2、施工准备2.1 设备及材料要求:2.1.1 电缆终端头应用定型产品,各部衔接处均应封闭严密,附件齐全,并有出厂合格证(表 2-2、2-3)。NTB 型电缆终端头 NTB 型电缆终端头主要材料表主要材料表表 2-2 表 2-3序号材料名称备注序号材料名称备注1热线端子与电缆线芯相配,采纳D1 或 DT 系列1接线端子与电缆线芯相配采纳D1 或 DT 系统2聚丙烯外壳与电缆线芯截面及电压等级相配2塑料壳体与电缆线芯截面及电压等级相配3耐油橡胶管与电缆线芯截面及电压等级相配3油浸黑玻璃漆带4G20 环氧冷浇铸剂与相对应号数的聚丙烯外壳配合使用4黑玻璃漆带5环氧树脂涂料 此两种材料用作堵油层时,必须配合使用5相色聚氯乙烯带 红、黄、绿、黑四色6无碱玻璃丝带6透明聚氯乙烯带7相色聚氯乙烯带红、黄、绿、黑四色7聚氯乙烯软管与电缆线芯截面相配8透明聚氯乙烯带8沥青绝缘胶详见附注 59黄蜡带9封铅铅球 65%锡 35%10接地线10接地线11绑扎铜线1/φ2.1mm11封铅铅 65%锡 35%12尼龙绳2.1.2 电缆绝缘胶和环氧树脂胶应是定型产品,必须符合电压等级和设计要求,应有产品合格证,绝缘胶应有理化和电气性能的试验单。2.1.3 固定电缆头的金属紧固件均应用热镀锌件,并配齐相应的螺母、垫圈和弹簧垫。2.2 主要机具:2.2.1 制作机具:喷灯、钢锯、油压接线钳、塑料布、铁壶、搪瓷盘、铝锅、铝壶、铝勺 、漏勺、漏斗、剪刀、手套、钢卷尺、电炉子等。2.2.2 安装机具:台钻、电焊机、电锤、扳手、钢卷尺等。2.2.3 测试工具:摇表、钢板尺、温度计、试验仪器等。2.3 作业条件:2.3.1 电缆终端头的制作应选择晴朗的无风天气制作,其环境温度在+5℃以上,其空气相对温度宜为 70%以上。2.3.2 施工现场及其周围应清洁、干燥。2.3.3 土建工程基本施工完,墙面、屋顶的浆活完毕,相关电气设备安装完毕,施工现场应符合安全、消防规定,易燃物要妥善保管。2.3.4 施工现场应有 220V 电源和安全电源。2.3.5 电缆终端头的制作,应由经过专门培训考核合格的施工人员承担。3、操作工艺3.1 工艺流程:设备点件检查→摇测电缆绝缘和校验潮气→剥去电缆的保护层和钢带→焊接地线→剥去铅皮→套入耐...

1、当您付费下载文档后,您只拥有了使用权限,并不意味着购买了版权,文档只能用于自身使用,不得用于其他商业用途(如 [转卖]进行直接盈利或[编辑后售卖]进行间接盈利)。
2、本站所有内容均由合作方或网友上传,本站不对文档的完整性、权威性及其观点立场正确性做任何保证或承诺!文档内容仅供研究参考,付费前请自行鉴别。
3、如文档内容存在违规,或者侵犯商业秘密、侵犯著作权等,请点击“违规举报”。

碎片内容

-410kV油纸绝缘电缆户内型终端头制作质量管理

您可能关注的文档

确认删除?
VIP
微信客服
  • 扫码咨询
会员Q群
  • 会员专属群点击这里加入QQ群
客服邮箱
回到顶部