电脑桌面
添加小米粒文库到电脑桌面
安装后可以在桌面快捷访问

009现浇框架结构钢筋绑扎工艺

009现浇框架结构钢筋绑扎工艺_第1页
1/7
009现浇框架结构钢筋绑扎工艺_第2页
2/7
009现浇框架结构钢筋绑扎工艺_第3页
3/7
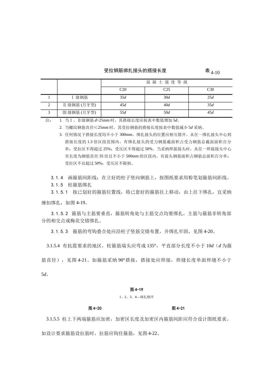
现浇框架结构钢筋绑扎1 范围 本工艺标准适用于多层工业及民用建筑现浇框架、框架-剪力墙结构钢筋绑扎工程。2 施工准备 2.1 材料及主要机具: 2.1.1 钢筋:应有出厂合格证、按规定作力学性能复试。当加工过程中发生脆断等特别情况,还需作化学成分检验。钢筋应无老锈及油污。 2.1.2 成型钢筋:必须符合配料单的规格、尺寸、形状、数量,并应有加工出厂合格证。 2.1.3 铁丝:可采纳 20~22 号铁丝(火烧丝)或镀锌铁丝(铅丝)。铁丝切断长度要满足使用要求。 2.1.4 垫块:用水泥砂浆制成,50mm 见方,厚度同保护层,破块内预埋 20~22 号火烧丝。或用塑料卡、拉筋、支撑筋。 2.1.5 主要机具:钢筋钩子、撬棍、扳子、绑扎架、钢丝刷子、手推车、粉笔、尺子等。 2.2 作业条件: 2.2.1 钢筋进场后应检查是否有出厂证明、复试报告,并按施工平面图中指定的位置,按规格、使用部位、编号分别加垫木堆放。 2.2.2 钢筋绑扎前,应检查有无锈蚀,除锈之后再运至绑扎部位。 2.2.3 熟悉图纸、按设计要求检查已加工好的钢筋规格、形状、数量是否正确。 2.2.4 做好抄平放线工作,弹好水平标高线,柱、墙外皮尺寸线。 2.2.5 根据弹好的外皮尺寸线,检查下层预留搭接钢筋的位置、数量、长度,如不符合要求时,应进行处理。绑扎前先整理调直下层伸出的搭接筋,并将锈蚀、水泥砂浆等污垢清除洁净。 2.2.6 根据标高检查下层伸出搭接筋处的混凝土表面标高(柱顶、墙顶)是否符合图纸要求,如有松散不实之处,要剔除并清理洁净。 2.2.7 模板安装完并办理预检,将模板内杂物清理洁净。 2.2.8 按要求搭好脚手架。 2.2.9 根据设计图纸及工艺标准要求,向班组进行技术交底。3 操作工艺 3.1 绑柱子钢筋: 3.1.1 工艺流程:套柱箍筋→搭接绑扎竖向受力筋→画箍筋间距线→绑箍筋 3.1.2 套柱箍筋:按图纸要求间距,计算好每根柱箍筋数量,先将箍筋套在下层伸出的搭接筋上,然后立柱子钢筋,在搭接长度内,绑扣不少于 3 个,绑扣要向柱中心。假如柱子主筋采纳光圆钢筋搭接时,角部弯钩应与模板成 45°,中间钢筋的弯钩应与模板成 90°角。搭接绑扎竖向受力筋:柱子主筋立起之后,绑扎接头的搭接长度应符合设计要求,如设计无要求时,应按表 4-10 采纳。 受拉钢筋绑扎接头的搭接长度 表 4-10混 凝 土 强 度 等 级C20C25C301Ⅰ 级钢筋35d30d25d2Ⅱ 级钢筋 (月牙型)45d40d35d3Ⅲ 级钢筋 (月牙型)55d50d45d 注...

1、当您付费下载文档后,您只拥有了使用权限,并不意味着购买了版权,文档只能用于自身使用,不得用于其他商业用途(如 [转卖]进行直接盈利或[编辑后售卖]进行间接盈利)。
2、本站所有内容均由合作方或网友上传,本站不对文档的完整性、权威性及其观点立场正确性做任何保证或承诺!文档内容仅供研究参考,付费前请自行鉴别。
3、如文档内容存在违规,或者侵犯商业秘密、侵犯著作权等,请点击“违规举报”。

碎片内容

009现浇框架结构钢筋绑扎工艺

您可能关注的文档

确认删除?
VIP
微信客服
  • 扫码咨询
会员Q群
  • 会员专属群点击这里加入QQ群
客服邮箱
回到顶部