电脑桌面
添加小米粒文库到电脑桌面
安装后可以在桌面快捷访问

02、公路自然区划标准JTJ003—86

02、公路自然区划标准JTJ003—86_第1页
1/14
02、公路自然区划标准JTJ003—86_第2页
2/14
02、公路自然区划标准JTJ003—86_第3页
3/14
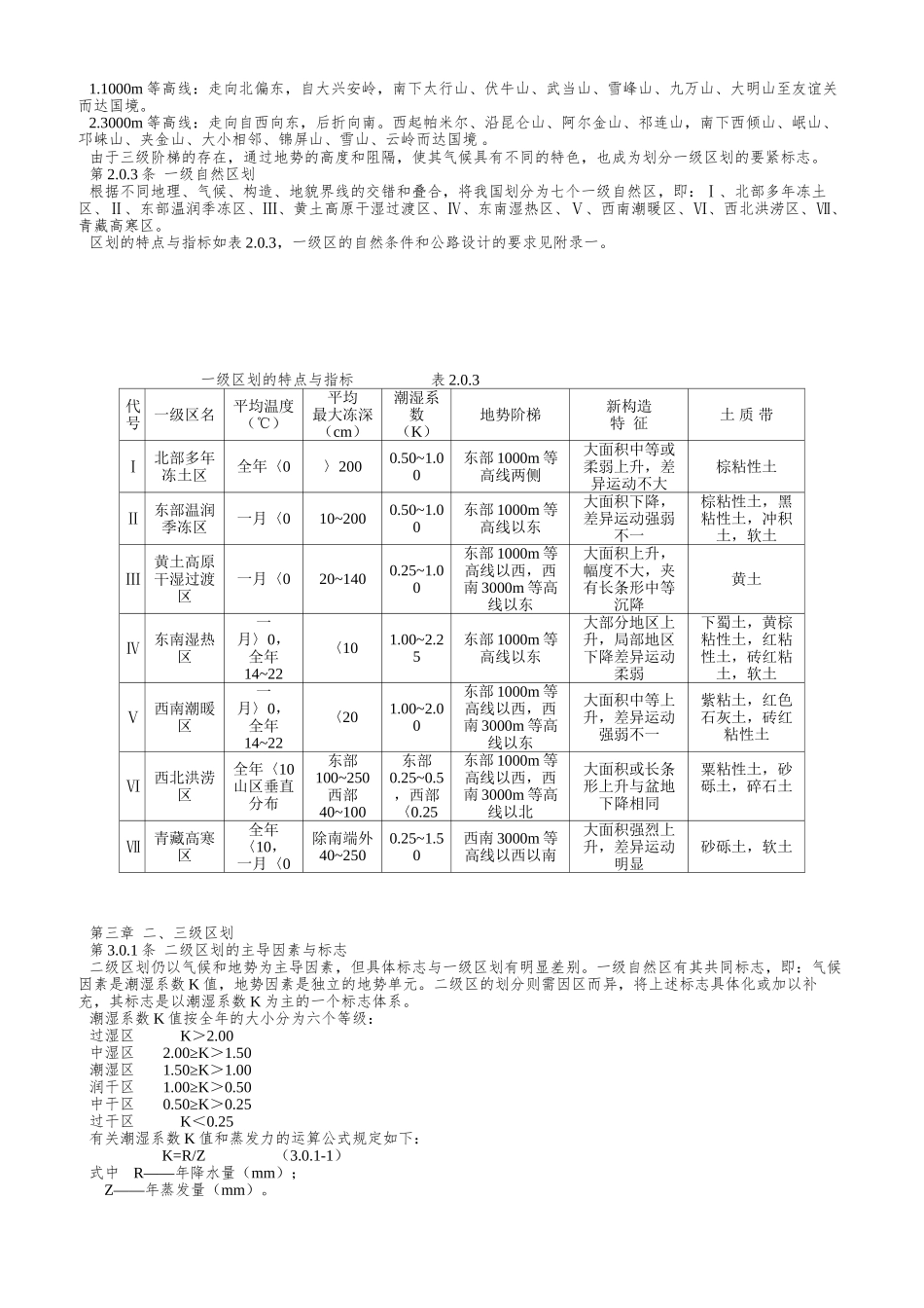
02、公路自然区划标准 JTJ003—86第一章 总 则 2第 1.0.1 条 区划的目的2第 1.0.2 条 区划的原则和方法2第 1.0.3 条 区划的分级2第 1.0.4 条 标准适用范畴 2第 1.0.5 条 区划的采纳2第二章 一级区划3第 2.0.1 条 一级区划的要紧依据与指标 3第 2.0.2 条 一级区划的要紧指标 3第 2.0.3 条 一级自然区划 3第三章 二、三级区划 5第 3.0.1 条 二级区划的主导因素与标志 5第 3.0.2 条 二级自然区5第 3.0.3 条 三级区划的方法6附录一 一级区划的自然条件和对公路设计的要求 13附录二 潮湿系数 K 值及蒸发力的运算14附录三 各二级区自然条件对公路工程的阻碍16第一章 总 则第 1.0.1 条 区划的目的为区分不同地理区域自然条件对公路工程阻碍的差异性,并在路基、路面的设计、施工和养护中实行适当的技术措施和采纳合适的设计参数,以保证路基、路面的强度和稳固性,特制定本标准。第 1.0.2 条 区划的原则和方法自然区划以自然气候因素的综合性和主导性相结合为原则,采纳地理有关分析为基础的主导标志法,从分析自然综合情形与公路工程的实际关系动身,选出具有分区意义的主导标志。在确定区界时,还需进行地理有关分析对区界进行修正,以求其同一区内有相似的公路工程自然环境。但综合性或主导因素原则,均应遵循地带性和分地带性理论。第 1.0.3 条 区划的分级为使自然区划便于在实践中应用,结合我国地理、气候特点,将全国的公路自然区划分为三个等级。一级区划第一将全国划分为多年冻土、季节冻土和全年不冻三大地带,再根据水热平稳和地理位置,划分为冻土、潮湿、干湿过渡、湿热、潮暖、洪涝和高寒七个大区。二级区划是在一级区划的基础上以潮湿系数为主进一步划分。三级区划是在二级区划内划分更低一级的区域或类型单元。本标准仅规定一、二级区划,其具体划分详见”中华人民共和国公路自然区划图“。第 1.0.4 条 标准适用范畴本标准为在公路规划、设计中考虑不同地理区域的自然条件对公路工程的阻碍,专门为在路基、路面的设计、施工、养护中确定技术措施和设计参数提供了依据,适用于新建和改建的公路工程。第 1.0.5 条 区划的采纳各级自然区划在具体使用时应结合当地特点,专门在各区的分界处,应根据本标准的有关规定论证确地,三级自然区划由各地按有关规定自行划分。第二章 一级区划第 2.0.1 条 一级区划的要紧依据与指标以全国性的纬向地带性和构造区域性为依据,...

1、当您付费下载文档后,您只拥有了使用权限,并不意味着购买了版权,文档只能用于自身使用,不得用于其他商业用途(如 [转卖]进行直接盈利或[编辑后售卖]进行间接盈利)。
2、本站所有内容均由合作方或网友上传,本站不对文档的完整性、权威性及其观点立场正确性做任何保证或承诺!文档内容仅供研究参考,付费前请自行鉴别。
3、如文档内容存在违规,或者侵犯商业秘密、侵犯著作权等,请点击“违规举报”。

碎片内容

02、公路自然区划标准JTJ003—86

您可能关注的文档

确认删除?
VIP
微信客服
  • 扫码咨询
会员Q群
  • 会员专属群点击这里加入QQ群
客服邮箱
回到顶部