电脑桌面
添加小米粒文库到电脑桌面
安装后可以在桌面快捷访问

10kv油纸绝缘电缆户外型终端头制作质量管理

10kv油纸绝缘电缆户外型终端头制作质量管理_第1页
1/8
10kv油纸绝缘电缆户外型终端头制作质量管理_第2页
2/8
10kv油纸绝缘电缆户外型终端头制作质量管理_第3页
3/8
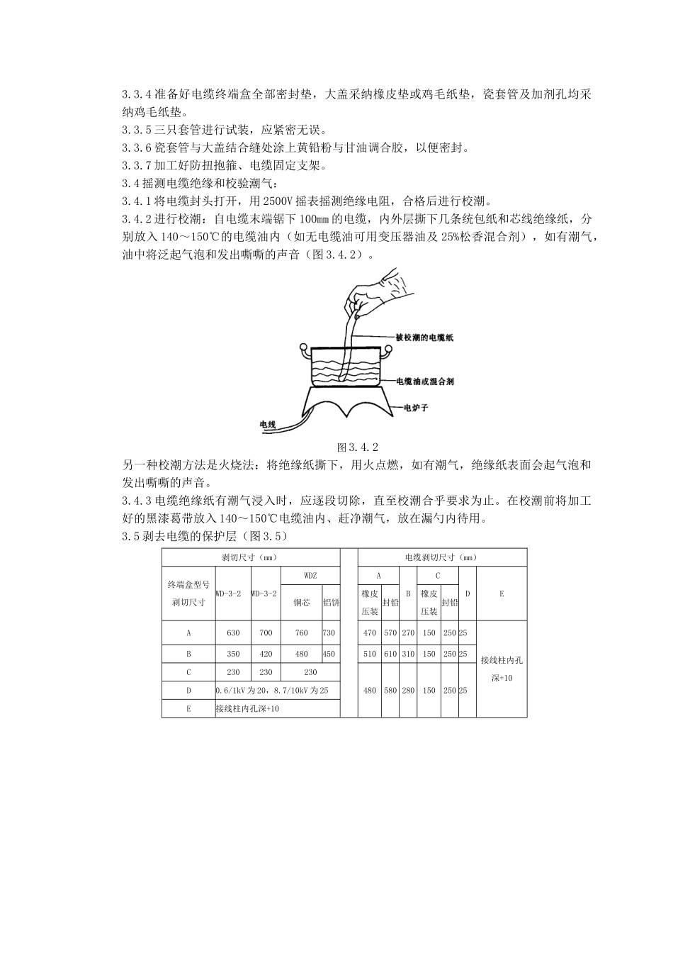
10(6)kV 油纸绝缘电缆户外型终端头制作质量管理依据标准: 《建筑工程施工质量验收统一标准》GB50300-2001《建筑电气工程施工质量验收法律规范》GB50303-20251、范围本质量管理适用于一般工业与民用建筑电气安装工程 10(6)kV 油纸绝缘电缆户外型终端头制作。2、施工准备2.1 设备及材料要求:2.1.1 电缆终端头型号、规格应符合电压等级、使用环境及设计要求。2.1.2 电缆终端头,应由电缆附件厂家配套供应,其主要部件、附件应齐全,绝缘套管不得有裂纹、损伤、并有使用说明书及合格证。2.1.3 电缆绝缘胶的型号及电压等级应符合要求并应有理化及电气性能试验单及合格证。2.1.4 金属紧固件,均应用热镀锌件。2.1.5 其他辅料有:黑玻璃漆带,封铅、硬脂酸,铜绞线、白布、黄铅粉、甘油、汽油、电缆油等。2.2 主要机具:2.2.1 制作机具、防风栅、塑料布、油压接线钳、喷灯、铁壶、铝壶、搪瓷盘、铝锅、铁勺、漏勺、手套、漏斗、电炉子、钢锯、钢丝刷,温度计、剪刀等。2.2.2 安装机具:滑车、大绳、扳手、台钻、电焊机和气焊工具等。2.2.3 测试工具:摇表、钢卷尺、钢板尺及试验仪器等。2.3 作业条件:2.3.1 室外电缆终端头的制作应选择晴朗无风的天气施工,环境温度在 +5℃以上,其空气相对湿度在 70%以下。2.3.2 施工现场及其周围应清洁干燥,操作平台要牢固,四周应搭设防风栅。2.3.3 施工现场应备有 220V 电源和安全电源。2.3.4 施工现场应符合安全消防规定,易燃物要妥善保管。2.3.5 电缆终端头制作人员应经过专门培训并考核合格,方可施工操作。3、操作工艺3.1 工艺流程:设备点件检查及准备工作→摇测电缆绝缘和校验潮气→剥去电缆的保护层和钢带→剥铅皮和套入铜压盖→压接出线铜杠和排潮包缠绝缘层→装配电缆终端盒→电缆终端头安装固定→灌注绝缘胶→试运行验收3.2 电缆终端头制作按以下制作程序进行。从开始剥切到制作完毕必须连续进行,一次完成,以免受潮。3.3 设备点件检查及准备工作:3.3.1 开箱点件检查,应有施工单位与供货单位或建设单位(监理工程师)共同进行检查,并做好记录。3.3.1.1 电缆终端盒点件应根据设备技术资料或说明书进行,配件齐全,无损伤。3.3.1.2 电缆端头盒的型号必须符合设计要求,各配件相吻合。3.3.2 铜压盖及出线铜杠挂锡。拆下铜压盖,将封铅部分及出线铜杠接线孔内壁挂锡。3.3.3 将电缆终端盒内部用钢丝刷除去污物及铁锈,然后用布沾汽油连同瓷套管内外均擦试洁净。3.3...

1、当您付费下载文档后,您只拥有了使用权限,并不意味着购买了版权,文档只能用于自身使用,不得用于其他商业用途(如 [转卖]进行直接盈利或[编辑后售卖]进行间接盈利)。
2、本站所有内容均由合作方或网友上传,本站不对文档的完整性、权威性及其观点立场正确性做任何保证或承诺!文档内容仅供研究参考,付费前请自行鉴别。
3、如文档内容存在违规,或者侵犯商业秘密、侵犯著作权等,请点击“违规举报”。

碎片内容

10kv油纸绝缘电缆户外型终端头制作质量管理

您可能关注的文档

文森传品+ 关注
实名认证
内容提供者

一家传播文化教育的小店,资料丰富,随意挑选。

确认删除?
VIP
微信客服
  • 扫码咨询
会员Q群
  • 会员专属群点击这里加入QQ群
客服邮箱
回到顶部