电脑桌面
添加小米粒文库到电脑桌面
安装后可以在桌面快捷访问

138暖通动力说明磨石建筑给排水设计教程资料

138暖通动力说明磨石建筑给排水设计教程资料_第1页
1/10
138暖通动力说明磨石建筑给排水设计教程资料_第2页
2/10
138暖通动力说明磨石建筑给排水设计教程资料_第3页
3/10
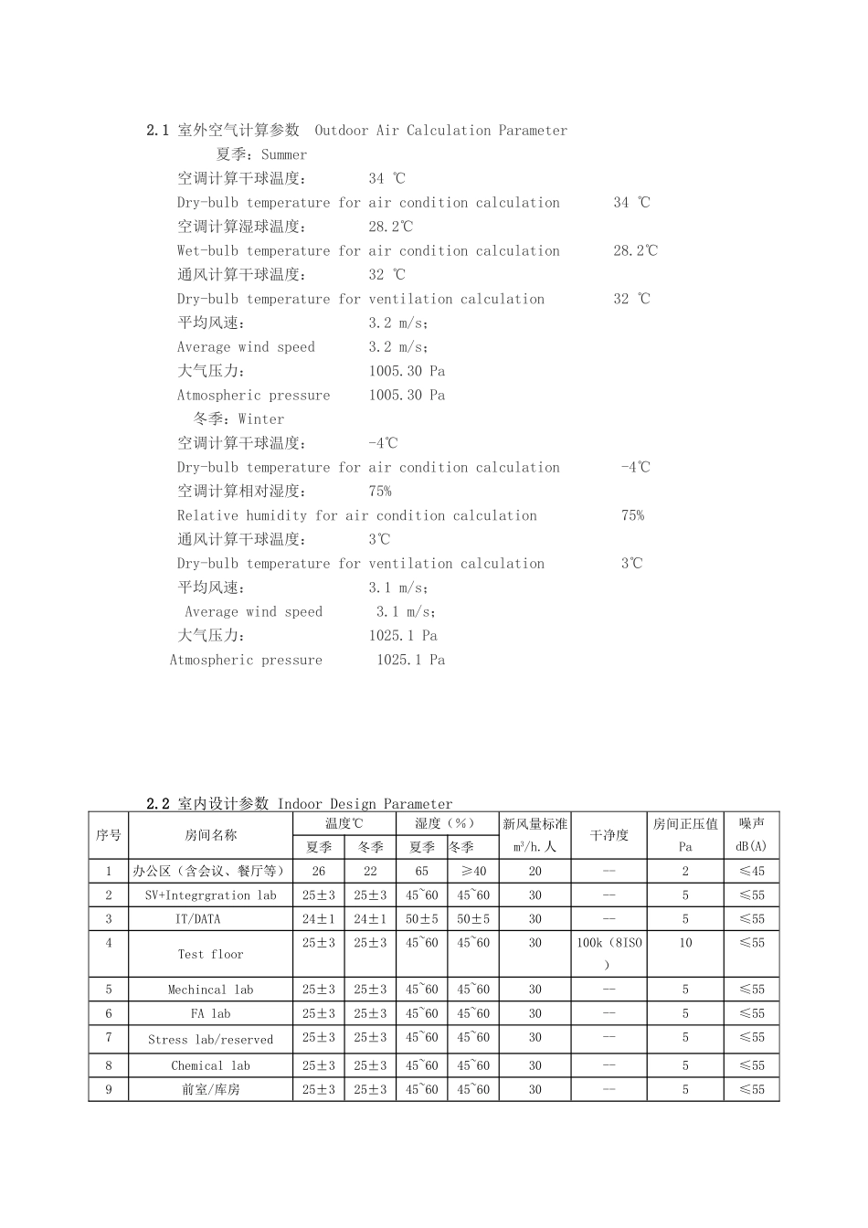
采暖通风和空气调节方案设计说明HVAC Concept Design 1、 设计依据:Design Basis 1.1 相关设计法律规范 Related Design Code (1 ) 《采暖通风与空气调节设计法律规范》(GB50019-2025) “Design Code for HVAC Design” (GB50019-2025)(2 ) 《干净厂房设计法律规范》(GB50073-2001) “Code for Design of Clean room plant” (GB50073-2001)(3 ) 《建筑设计防火法律规范》(GB50016-2025) “Code for Design of Building Fire Protection” (GB50016-2025)(4 ) 《建筑防排烟技术规程》(DGJ-88-2025-J10035-2025)上海市法律规范 “Technical Specification for Building Smoke Control” (DGJ-88-2025-J10035-2025) Local code1.2 甲方提供的工艺资料(FPG space Facility Matrix_Mar30'09);Process data provided by Party A 1.3 建筑专业提供的平、立和剖面图。 Layout, elevation, section drawings provided by architecture. 2、设计范围:Design Scope 一层厂房内干净通风及空调系统;二层厂房内的办公区和实验空调通风和 IT 机房的恒温恒湿空调系统;以及一、二层的消防排烟系统。Clean ventilation and air conditioning system in ground floor; Air conditioning and ventilation in first floor of office area and lab, constant temperature and humidity air conditioning system in IT room. Fire-fighting smoke exhaust system in ground floor and first floor. 2、采暖、空气调节的设计参数: Design Parameter for HVAC Design 2.1 室外空气计算参数 Outdoor Air Calculation Parameter 夏季:Summer 空调计算干球温度: 34 ℃ Dry-bulb temperature for air condition calculation 34 ℃ 空调计算湿球温度: 28.2℃ Wet-bulb temperature for air condition calculation 28.2℃ 通风计算干球温度: 32 ℃ Dry-bulb temperature for ventilation calculation 32 ℃ 平均风速: 3.2 m/s; Average wind speed 3.2 m/s; 大气压力: 1005.30 Pa Atmospheric pressure 1005.30 Pa 冬季:Winter 空调计算干球温度: -4℃Dry-bulb temperature for air condition calculation -4℃ 空调计算相对湿度: 75% Relative humid...

1、当您付费下载文档后,您只拥有了使用权限,并不意味着购买了版权,文档只能用于自身使用,不得用于其他商业用途(如 [转卖]进行直接盈利或[编辑后售卖]进行间接盈利)。
2、本站所有内容均由合作方或网友上传,本站不对文档的完整性、权威性及其观点立场正确性做任何保证或承诺!文档内容仅供研究参考,付费前请自行鉴别。
3、如文档内容存在违规,或者侵犯商业秘密、侵犯著作权等,请点击“违规举报”。

碎片内容

138暖通动力说明磨石建筑给排水设计教程资料

确认删除?
VIP
微信客服
  • 扫码咨询
会员Q群
  • 会员专属群点击这里加入QQ群
客服邮箱
回到顶部