电脑桌面
添加小米粒文库到电脑桌面
安装后可以在桌面快捷访问

6层临街商住楼结构计算书

6层临街商住楼结构计算书_第1页
1/90
6层临街商住楼结构计算书_第2页
2/90
6层临街商住楼结构计算书_第3页
3/90
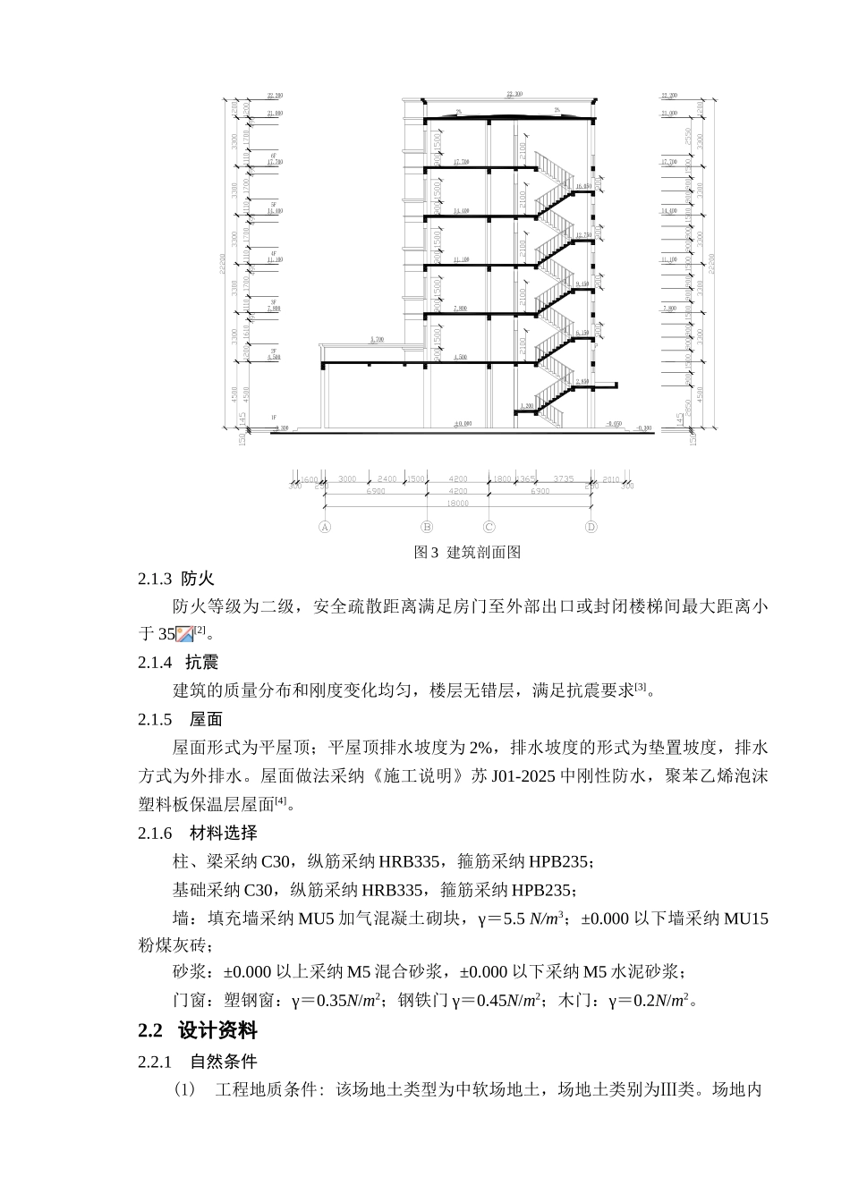
1 绪论1.1 工程概况1.1.1 工程名称:某临街商住楼的建筑结构设计。1.1.2 工程位置:某某市。1.1.3 工程总面积: 5996,楼 6 层,高 21,标准层层高 3.3,底层层高 4.5,室内外高差。1.1.4 结构形式:现浇整体框架。本设计采纳现浇整体框架。对于框架结构,在结构建筑特点方面:它是由钢筋混凝土梁、柱、节点及基础为主框,加上楼板、填充墙、屋盖组成的结构形式,楼板和横梁连在一起,横梁和柱通过节点连为一体,形成承重结构,将荷载传至基础 ,力的传递路线比较明确。根据该设计的使用功能和建筑设计要求,对于六层商住楼,因框架结构体系的主要特点是平面布置比较灵活,能提供较大的室内空间,对于商住楼是较适合的结构体系,考虑该建筑处于 7 度地震设防区,故采纳现浇钢筋混凝土框架结构(横向承重)体系。1.1.5 工程介绍本课题是某临街商住楼,建筑设计等级为三级,根据《建筑结构可靠度设计统一标准》(GB50068-2001),使用年限为 50 年,建筑结构安全结构等级为二级。毕业设计的三个月里,在指导老师的帮助下,经过资料查阅、设计计算、论文撰写以及外文的翻译,加深了对新法律规范、规程、手册等相关内容的理解。巩固了专业知识、提高了综合分析、解决问题的能力。框架结构设计的计算工作量很大,在计算过程中以手算为主,辅以一些软件的校正。如我使用了 2025 版 PKPM 软件进行了结构分析,主要形成框架内力图、风荷载内力图、地震力内力图,以及框架的配筋图、梁的配筋图、柱的配筋图及基础配筋图。首先通过手算对内力图进行校正,然后通过内力图使用 Excel 进行内力组合,再使用内力组合值计算第 5 榀跨架、梁、柱和基础的配筋,最后将 PKPM 配筋图使用手算结果加以调整。由于自己水平有限,难免有不妥和疏忽之处,敬请各位老师批判指正。2 建筑设计说明2.1 建筑物功能与特点2.1.1 建筑平面设计建筑朝向为南北向,采纳纵向 6.9、4.2、5.4、横向 6.9、4.2的柱距。采纳该柱距有利于住宅的采光、通风。使用房间可满足室内使用活动和家具、设备合理布置的要求,房间之间的组合并且考虑到住宅公共空间与私密空间的区分。建筑三层平面图如下图 1。图 1 建筑三层平面图2.1.2 建筑立面剖面设计该建筑立面为了满足采光和美观需求。外墙面选用面砖饰面,不同分隔区采纳不同的颜色区隔,以增强美感。考虑设计的是商住楼,立面要美观,大方。立面设计是在满足房间的使用要求和技术经济条件下,运用建筑造型...

1、当您付费下载文档后,您只拥有了使用权限,并不意味着购买了版权,文档只能用于自身使用,不得用于其他商业用途(如 [转卖]进行直接盈利或[编辑后售卖]进行间接盈利)。
2、本站所有内容均由合作方或网友上传,本站不对文档的完整性、权威性及其观点立场正确性做任何保证或承诺!文档内容仅供研究参考,付费前请自行鉴别。
3、如文档内容存在违规,或者侵犯商业秘密、侵犯著作权等,请点击“违规举报”。

碎片内容

6层临街商住楼结构计算书

您可能关注的文档

一帆文传+ 关注
实名认证
内容提供者

欢迎光临店铺,各类公文供您挑选。

相关文档

确认删除?
VIP
微信客服
  • 扫码咨询
会员Q群
  • 会员专属群点击这里加入QQ群
客服邮箱
回到顶部