电脑桌面
添加小米粒文库到电脑桌面
安装后可以在桌面快捷访问

737CL燃油箱渗漏标准

737CL燃油箱渗漏标准_第1页
1/3
737CL燃油箱渗漏标准_第2页
2/3
737CL燃油箱渗漏标准_第3页
3/3
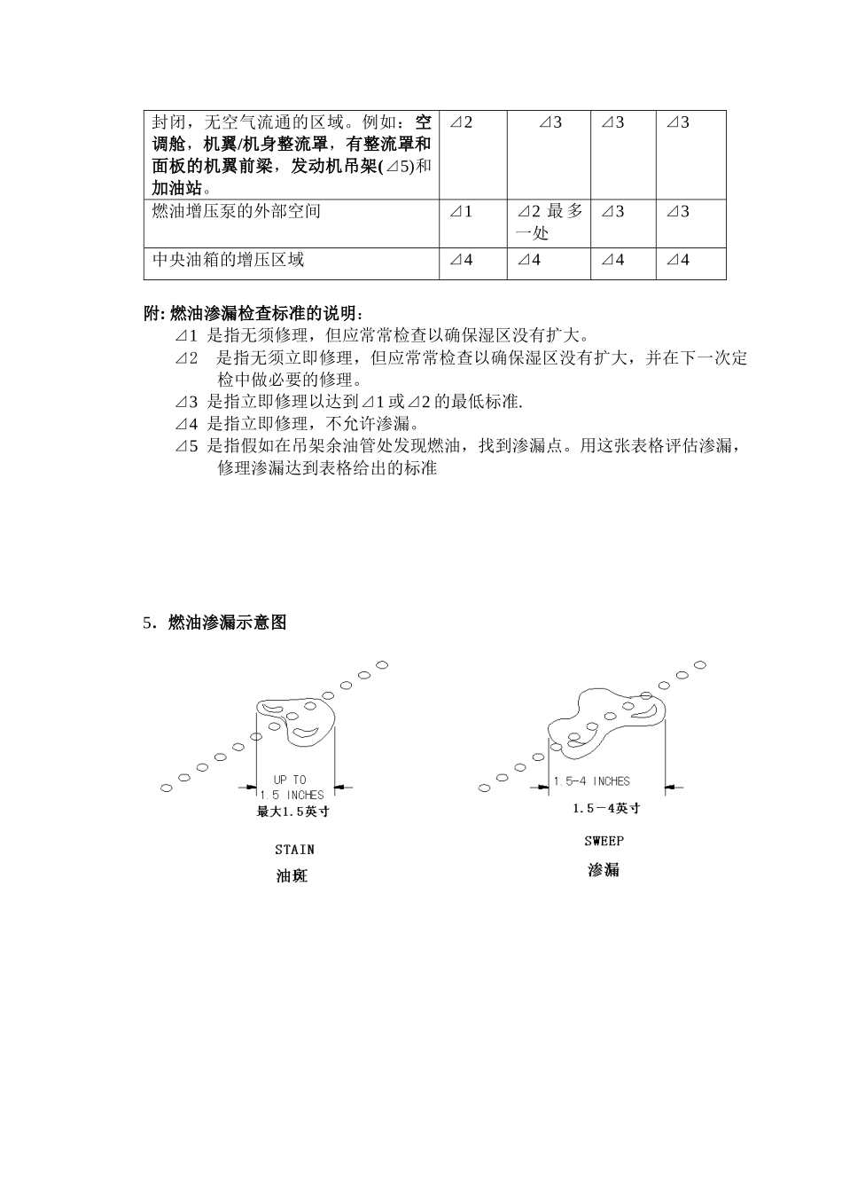
燃油系统漏油一. 燃油系统油箱漏油标准:1. 概述:燃油系统的油箱漏油有放行标准(参照 MM28-11-00)。根据一定时间内燃油渗漏面积宽度的不同,将燃油渗漏分为四种等级:油斑;渗漏;严重渗漏;流淌渗漏(又称跑漏)。放行人员可依据不同等级的渗漏、不同的部位以及渗漏点的数量,参考燃油渗漏评估图表放行。对于中央油箱侧壁板漏油,假如超标,可以将中央油箱放光后并证实不再漏油且没有发生其它油箱向中央油箱串油的情况下可以放行飞机;假如发生在油箱底部,必需将无法由放油口的放掉的燃油排光才能放行。具体参照 TA2025-737-062。2. 油箱渗漏等级的确定: 1)“油斑”是指擦干 15 分钟后湿区的宽度小于 1.5 英寸。 2)“渗漏”是指擦干 15 分钟后湿区的宽度小于 4 英寸(大于 1.5 英寸)。 3)“严重渗漏”是指擦干 15 分钟后湿区的宽度小于 6 英寸(大于 4 英寸)。 4)“流淌渗漏(又称跑漏)”是指擦干 15 分钟后湿区的宽度大于 6 英寸。 注意:存在流淌渗漏时,漏油区擦干后,你能立即看到燃油渗出,渗出的燃油会成滴或连续落下。3.检查程序1) 接近漏油区域,将漏油区域擦干;2)15 分钟后,再次检查漏油区域;3) 测量漏油区域的宽度,确定漏油等级;4) 参考渗漏评估表,确定渗漏是否可放行。4.燃油渗漏评估表:渗漏位置油斑渗漏严重渗 漏流淌渗 漏开敞、良好通风的区域。渗漏的燃油不能流向可能的火源。例如:无整流装置的上下机翼表面。⊿1⊿1⊿2⊿3不完全封闭,无良好通风的区域。例如:后缘襟翼处的后梁,前缘襟翼和缝翼处的前梁,轮舱。⊿1⊿2最多两处⊿3⊿3封闭,无空气流通的区域。例如:空调舱,机翼/机身整流罩,有整流罩和面板的机翼前梁,发动机吊架(⊿5)和加油站。 ⊿2⊿3⊿3⊿3燃油增压泵的外部空间⊿1⊿2 最 多一处⊿3⊿3中央油箱的增压区域⊿4⊿4⊿4⊿4附: 燃油渗漏检查标准的说明:⊿1 是指无须修理,但应常常检查以确保湿区没有扩大。⊿2 是指无须立即修理,但应常常检查以确保湿区没有扩大,并在下一次定检中做必要的修理。⊿3 是指立即修理以达到⊿1 或⊿2 的最低标准.⊿4 是指立即修理,不允许渗漏。⊿5 是指假如在吊架余油管处发现燃油,找到渗漏点。用这张表格评估渗漏,修理渗漏达到表格给出的标准5.燃油渗漏示意图 二. 燃油系统其它部件漏油1. 发动机、APU 的燃油系统供油部件不允许漏油(比如:燃油关断活门;放油活门;交输活门;发动机供油管路等等...

1、当您付费下载文档后,您只拥有了使用权限,并不意味着购买了版权,文档只能用于自身使用,不得用于其他商业用途(如 [转卖]进行直接盈利或[编辑后售卖]进行间接盈利)。
2、本站所有内容均由合作方或网友上传,本站不对文档的完整性、权威性及其观点立场正确性做任何保证或承诺!文档内容仅供研究参考,付费前请自行鉴别。
3、如文档内容存在违规,或者侵犯商业秘密、侵犯著作权等,请点击“违规举报”。

碎片内容

737CL燃油箱渗漏标准

确认删除?
VIP
微信客服
  • 扫码咨询
会员Q群
  • 会员专属群点击这里加入QQ群
客服邮箱
回到顶部