电脑桌面
添加小米粒文库到电脑桌面
安装后可以在桌面快捷访问

ci型钢悬挑脚手架1.2

ci型钢悬挑脚手架1.2_第1页
1/12
ci型钢悬挑脚手架1.2_第2页
2/12
ci型钢悬挑脚手架1.2_第3页
3/12
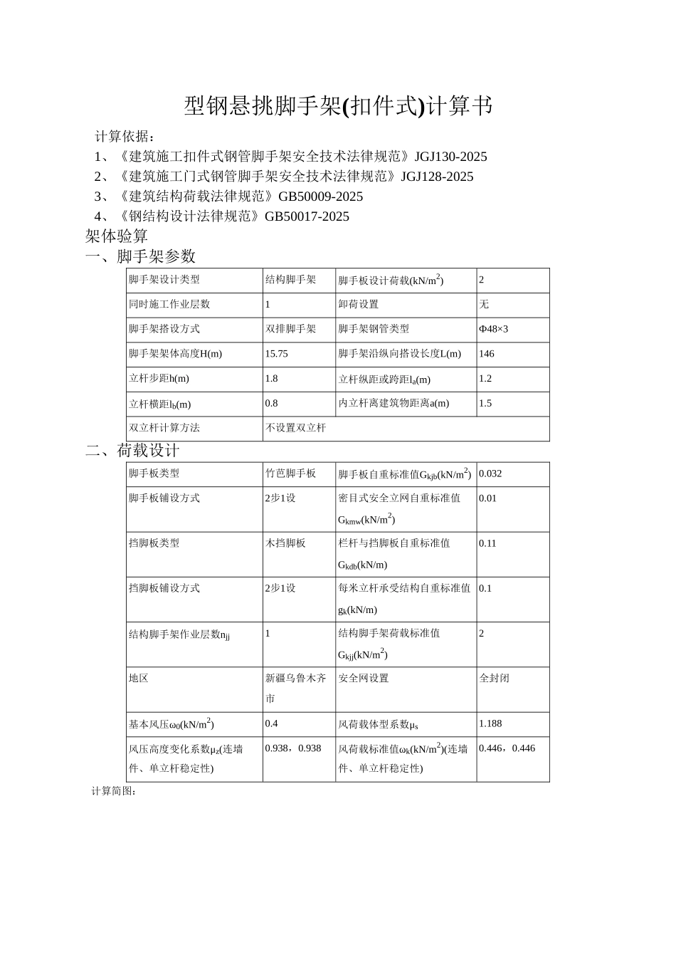
型钢悬挑脚手架(扣件式)计算书 计算依据: 1、《建筑施工扣件式钢管脚手架安全技术法律规范》JGJ130-2025 2、《建筑施工门式钢管脚手架安全技术法律规范》JGJ128-2025 3、《建筑结构荷载法律规范》GB50009-2025 4、《钢结构设计法律规范》GB50017-2025 架体验算 一、脚手架参数脚手架设计类型结构脚手架脚手板设计荷载(kN/m2)2同时施工作业层数1卸荷设置无脚手架搭设方式双排脚手架脚手架钢管类型Ф48×3脚手架架体高度H(m)15.75脚手架沿纵向搭设长度L(m)146立杆步距h(m)1.8立杆纵距或跨距la(m)1.2立杆横距lb(m)0.8内立杆离建筑物距离a(m)1.5双立杆计算方法不设置双立杆 二、荷载设计脚手板类型竹芭脚手板脚手板自重标准值Gkjb(kN/m2) 0.032脚手板铺设方式2步1设密目式安全立网自重标准值Gkmw(kN/m2)0.01挡脚板类型木挡脚板栏杆与挡脚板自重标准值Gkdb(kN/m)0.11挡脚板铺设方式2步1设每米立杆承受结构自重标准值gk(kN/m)0.1结构脚手架作业层数njj1结构脚手架荷载标准值Gkjj(kN/m2)2地区新疆乌鲁木齐市安全网设置全封闭基本风压ω0(kN/m2)0.4风荷载体型系数μs1.188风压高度变化系数μz(连墙件、单立杆稳定性)0.938,0.938风荷载标准值ωk(kN/m2)(连墙件、单立杆稳定性)0.446,0.446 计算简图:立面图侧面图 三、纵向水平杆验算纵、横向水平杆布置方式纵向水平杆在上横向水平杆上纵向水平杆根数n1横杆抗弯强度设计值[f](N/mm2)205横杆截面惯性矩I(mm4)107800横杆弹性模量E(N/mm2)206000横杆截面抵抗矩W(mm3)4490纵、横向水平杆布置 承载能力极限状态 q=1.2×(0.033+Gkjb×lb/(n+1))+1.4×Gk×lb/(n+1)=1.2×(0.033+0.032×0.8/(1+1))+1.4×2×0.8/(1+1)=1.175kN/m 正常使用极限状态 q'=(0.033+Gkjb×lb/(n+1))+Gk×lb/(n+1)=(0.033+0.032×0.8/(1+1))+2×0.8/(1+1)=0.846kN/m 计算简图如下: 1、抗弯验算 Mmax=0.1qla2=0.1×1.175×1.22=0.169kN·m σ=Mmax/W=0.169×106/4490=37.694N/mm2≤[f]=205N/mm2 满足要求! 2、挠度验算 νmax=0.677q'la4/(100EI)=0.677×0.846×12025/(100×206000×107800)=0.535mm νmax=0.535mm≤[ν]=min[la/150,10]=min[1200/150,10]=8mm 满足要求! 3、支座反力计算 承载能力极限状态 Rmax=1.1qla=1.1×1.175×1.2=1.551kN 正常使用极限状态 Rmax'=1.1q'la=1.1×0.846×1.2=1.117kN 四、横向水平杆验算 承载能力极限状态 由上节可知F1=Rmax=1.551kN q=1.2×0.033=0.04kN/m ...

1、当您付费下载文档后,您只拥有了使用权限,并不意味着购买了版权,文档只能用于自身使用,不得用于其他商业用途(如 [转卖]进行直接盈利或[编辑后售卖]进行间接盈利)。
2、本站所有内容均由合作方或网友上传,本站不对文档的完整性、权威性及其观点立场正确性做任何保证或承诺!文档内容仅供研究参考,付费前请自行鉴别。
3、如文档内容存在违规,或者侵犯商业秘密、侵犯著作权等,请点击“违规举报”。

碎片内容

ci型钢悬挑脚手架1.2

您可能关注的文档

确认删除?
VIP
微信客服
  • 扫码咨询
会员Q群
  • 会员专属群点击这里加入QQ群
客服邮箱
回到顶部