电脑桌面
添加小米粒文库到电脑桌面
安装后可以在桌面快捷访问

DLT5417-XXXX脱硫工程质量验评定规程--热控

DLT5417-XXXX脱硫工程质量验评定规程--热控_第1页
1/45
DLT5417-XXXX脱硫工程质量验评定规程--热控_第2页
2/45
DLT5417-XXXX脱硫工程质量验评定规程--热控_第3页
3/45
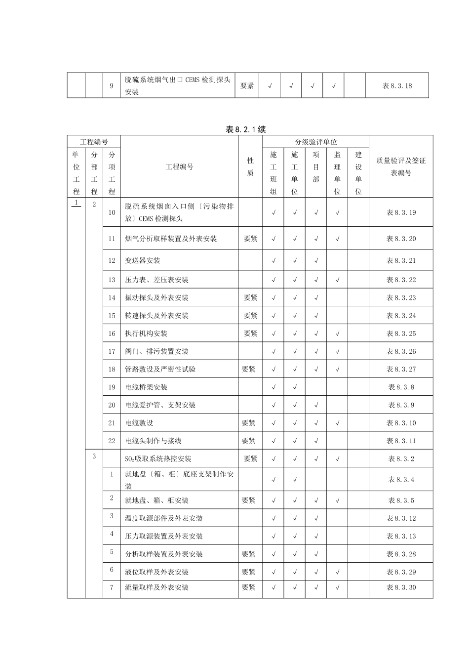
DLT5417-XXXX 脱硫工程质量验评定规程--热控8.1 一样规定8.1.1 热控工程安装分项工程、分部工程、单位工程和分项工程中检验指标的质量,均分为〝合格〞和〝优良〞两个等级。评为〝合格〞或〝优良〞的标准是:8.1.1.1 检验指标合格:实际检验结果符合该指标〝质量标准〞栏规定的〝合格〞标准。优良:实际检验结果符合该指标〝质量标准〞栏规定的〝优良〞标准。8.1.1.2 分项工程合格:该分项工程中的〝要紧〞检验指标,必须全部符合〝质量标准〞栏规定的〝合格〞要求,且有 90%及以上的〝一样〞检验指标,符合〝质量标准〞栏规定的〝合格〞要求,其余的〝一样〞检验指标,均差不多符合〝质量标准〞栏规定的〝合格〞要求。优良:该分项工程中的〝要紧〞检验指标,必须全部达到〝质量标准〞栏规定的〝优良〞要求,且有 90%及以上的〝一样〞检验指标,符合〝质量标准〞栏规定的〝优良〞要求,其余的〝一样〞检验指标均达到〝质量标准〞栏规定的〝合格〞要求。8.1.1.3 分部工程 合格:该分部工程中的所有分项工程均达到〝合格〞标准。 优良:该分部工程中的〝要紧〞分项工程必须全部达到〝优良〞标准,且有 90%及以上的〝一样〞分项工程达到〝优良〞标准。8.1.1.4 单位工程合格:该单位工程中所有分部工程均达到〝合格〞标准,且分部试运差不多正常、各项试验合格。优良:该单位工程的〞要紧〝分部工程,必须全部达到〞优良〝标准〞,且有 90%及以上〝一样〞分部工程达到〝优良〞标准,且分部试运正常,各项试验合格,技术资料及质量记录齐全。8.1.2 分项工程检验中,假如因设备缘故,虽经施工人员努力,也难以达到施工质量标准的少数非〝要紧〞检验项目,应由施工单位提出书面报告,经监理及建设单位确认后,该检验项目可不参加质量评定,不阻碍该分项工程质量验收评定,但应在〝质量检验结果〞栏内注明。书面报告应附在该分项工程检验评定表后。8.1.3 分项工程施工质量检验,有以下情形之一者,不应进行验收、评定:1) 检验项目检验结果,没有全部达到质量标准。2) 设计及制造厂对质量标准有数据要求,而检验结果栏中没有填写实测数据。3) 质检人员签字不齐全。8.2 质量验收及评定范畴8.2.1 本章适用于热控工程安装质量验收及评定,质量验收及评定范畴执行表 8.2.18.2.2 烟气脱硫热控装置在进行工程验评范畴划分时,单位工程不删减,分部工程、分项工程可依照脱硫工程实际情形删减。增减项目的工程编号,可续编,确保流水号顺序即...

1、当您付费下载文档后,您只拥有了使用权限,并不意味着购买了版权,文档只能用于自身使用,不得用于其他商业用途(如 [转卖]进行直接盈利或[编辑后售卖]进行间接盈利)。
2、本站所有内容均由合作方或网友上传,本站不对文档的完整性、权威性及其观点立场正确性做任何保证或承诺!文档内容仅供研究参考,付费前请自行鉴别。
3、如文档内容存在违规,或者侵犯商业秘密、侵犯著作权等,请点击“违规举报”。

碎片内容

DLT5417-XXXX脱硫工程质量验评定规程--热控

您可能关注的文档

津创媒+ 关注
实名认证
内容提供者

欢迎交流文创,小店资料希望满足您的需要。

确认删除?
VIP
微信客服
  • 扫码咨询
会员Q群
  • 会员专属群点击这里加入QQ群
客服邮箱
回到顶部