电脑桌面
添加小米粒文库到电脑桌面
安装后可以在桌面快捷访问

smw工法在上海地铁深基坑中的应用

smw工法在上海地铁深基坑中的应用_第1页
1/6
smw工法在上海地铁深基坑中的应用_第2页
2/6
smw工法在上海地铁深基坑中的应用_第3页
3/6
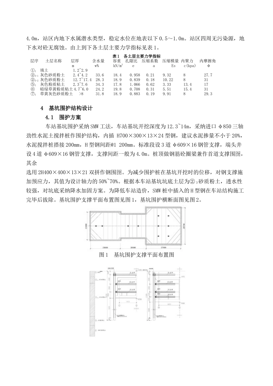
SMW 工法在地铁深基坑中的应用 提 要:地铁车站全部采纳 SMW 工法施工在国内是很少见的,本文结合上海市轨道交通 M8 线嫩江路车站这一工程实践,对这种围护形式在地铁深基坑中的应用作初步总结和分析。 关键词:SMW 工法地铁基坑Abstract: In this country , it is rarely seen that SMW method has been fully utilized in underground Metro station construction. The article incorporating the practices of Nengjiang Road station of M8 Shanghai mass transit line, rounds up a preliminary summary and analysis for this kind of strutting & bracing mode in the application of deep pit in Metro construction.Keywords: SMW method, Metro, Foundation Pit. 1 概述 SMW 工法是 Soil-Mixing Wall 的简称,最早由日本成幸工业株式会社开发成功。SMW工法是利用专门的多轴搅拌机就地钻进切削土体,同时在钻头端部将水泥浆液注入土体,经充分搅拌混合后,再将 H 型钢或其他型材插入搅拌桩体内,形成地下连续墙体,利用该墙体直接作为挡土和止水结构。其主要特点是构造简单,止水性能好,工期短,造价低,环境污染小,特别适合城市中的基坑工程。 2 工程概况 嫩江路车站位于中原路、嫩江路交叉口,为地下一层半侧式站台车站,人行联络通道和电缆通道及环控通风通道设在顶板下夹层内。嫩江路中原路上交通繁忙,地下管线众多,周边紧邻居民小区。车站施工期间中原路和嫩江路上交通不能断,中原路现站位处有埋深6m 的 φ1 500 污水管和 φ2 460 雨水管及埋深 3mφ900 给水管需搬迁车站一侧。根据本车站的周围环境分析,车站基坑变形控制保护等级为二级。 车站全长 169.5m,站台中心顶板覆土 3.3m。标准段基坑开挖深度约 12.3m,端头井开挖深度约 14m(此深度为目前地铁基坑采纳 SMW 方法施工的最大深度)。 3 地质概况 本工程场地属长江三角洲入海口东南前缘的滨海平原地貌类型,微地貌上属吴淞江古河道沉积区,由于吴淞江古河道的切割,场地缺失③层灰色淤泥质粉质粘土和④层灰色淤泥质粘土,代之以分布有厚达约 18m 的② 3层砂质粉土。场地地形平坦,场地地面标高一般4.0m,站区内地下水属潜水类型,稳定水位在地表以下 0.5~1.0m。站区四周无污染源,地下水对砼无腐蚀。由上到下各土层主要力学指标见表 1。表 1 各土层...

1、当您付费下载文档后,您只拥有了使用权限,并不意味着购买了版权,文档只能用于自身使用,不得用于其他商业用途(如 [转卖]进行直接盈利或[编辑后售卖]进行间接盈利)。
2、本站所有内容均由合作方或网友上传,本站不对文档的完整性、权威性及其观点立场正确性做任何保证或承诺!文档内容仅供研究参考,付费前请自行鉴别。
3、如文档内容存在违规,或者侵犯商业秘密、侵犯著作权等,请点击“违规举报”。

碎片内容

smw工法在上海地铁深基坑中的应用

雏圣文化+ 关注
实名认证
内容提供者

欢迎光临,大量办公文档供您挑选。

确认删除?
VIP
微信客服
  • 扫码咨询
会员Q群
  • 会员专属群点击这里加入QQ群
客服邮箱
回到顶部