电脑桌面
添加小米粒文库到电脑桌面
安装后可以在桌面快捷访问

[重庆]住宅工程质量通病防治措施

[重庆]住宅工程质量通病防治措施_第1页
1/19
[重庆]住宅工程质量通病防治措施_第2页
2/19
[重庆]住宅工程质量通病防治措施_第3页
3/19
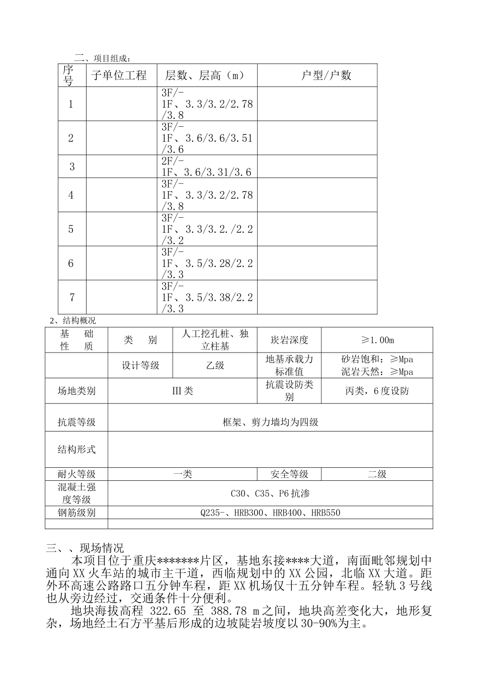
第一章 编制依据1. 施工图。2. 根据重庆市建委下发的《重庆市住宅工程质量通病防治措施》的要求,针对本工程的实际情况特制定本方案。3.《混凝土结构工程施工质量验收法律规范》 (GB50204-2025)4.《建筑地面工程施工质量验收法律规范》(GB50209-2025)5.《屋面工程质量验收法律规范》(GB50207-2025)6.《建筑装饰装修工程施工质量验收法律规范》 (GB50210-2025)7.《建筑地基基础工程施工质量验收法律规范》(GB50202-2025)8 《建筑工程质量通病防治手册》(第三版);9.《砌体工程施工质量验收法律规范》(GB50203-2025)10.《建筑工程施工质量验收统一标准》(GB50300-2001)11.《地下工程防水技术法律规范》(GB50208-2025)等第二章 工程概况一、工程项目概况1、总体简介序号项目内容1工程名称2工程地点3建设单位4设计单位5勘察单位6监理单位7施工单位8质量监督单位9投资来源自筹资金10合同承包范围土建、给排水、电气11结算方式12合同工期13合同质量目标合格 二、项目组成:序号子单位工程层数、层高(m) 户型/户数 13F/-1F、3.3/3.2/2.78/3.8 23F/-1F、3.6/3.6/3.51/3.632F/-1F、3.6/3.31/3.6 43F/-1F、3.3/3.2/2.78/3.8 53F/-1F、3.3/3.2./2.2/3.2 63F/-1F、3.5/3.28/2.2/3.3 73F/-1F、3.5/3.38/2.2/3.3 2、结构概况 基 础性 质类 别人工挖孔桩、独立柱基崁岩深度≥1.00m设计等级乙级地基承载力标准值砂岩饱和:≥Mpa泥岩天然:≥Mpa场地类别Ⅲ 类抗震设防类别丙类,6 度设防抗震等级框架、剪力墙均为四级结构形式耐火等级一类安全等级二级混凝土强度等级C30、C35、P6 抗渗钢筋级别Q235-、HRB300、HRB400、HRB550三、、现场情况 本项目位于重庆*******片区,基地东接****大道,南面毗邻规划中通向 XX 火车站的城市主干道,西临规划中的 XX 公园,北临 XX 大道。距外环高速公路路口五分钟车程,距 XX 机场仅十五分钟车程。轻轨 3 号线也从旁边经过,交通条件十分便利。 地块海拔高程 322.65 至 388.78 m 之间,地块高差变化大,地形复杂,场地经土石方平基后形成的边坡陡岩坡度以 30-90%为主。第三章 质量通病防治特点针对本工程的实际情况,在本工程主体施工阶段应做好以下几个项目的通病防治工作:1、钢筋砼现浇板裂缝防治;2、墙体裂缝防治;3、地下工程渗漏防治;4、室内标高和几何尺寸控制措施;5、砼施工质量通病及防治措施;6、土石方工程质量通病防治;7、砌体工程质量通病防治。在装修施工阶段...

1、当您付费下载文档后,您只拥有了使用权限,并不意味着购买了版权,文档只能用于自身使用,不得用于其他商业用途(如 [转卖]进行直接盈利或[编辑后售卖]进行间接盈利)。
2、本站所有内容均由合作方或网友上传,本站不对文档的完整性、权威性及其观点立场正确性做任何保证或承诺!文档内容仅供研究参考,付费前请自行鉴别。
3、如文档内容存在违规,或者侵犯商业秘密、侵犯著作权等,请点击“违规举报”。

碎片内容

[重庆]住宅工程质量通病防治措施

您可能关注的文档

确认删除?
VIP
微信客服
  • 扫码咨询
会员Q群
  • 会员专属群点击这里加入QQ群
客服邮箱
回到顶部