电脑桌面
添加小米粒文库到电脑桌面
安装后可以在桌面快捷访问

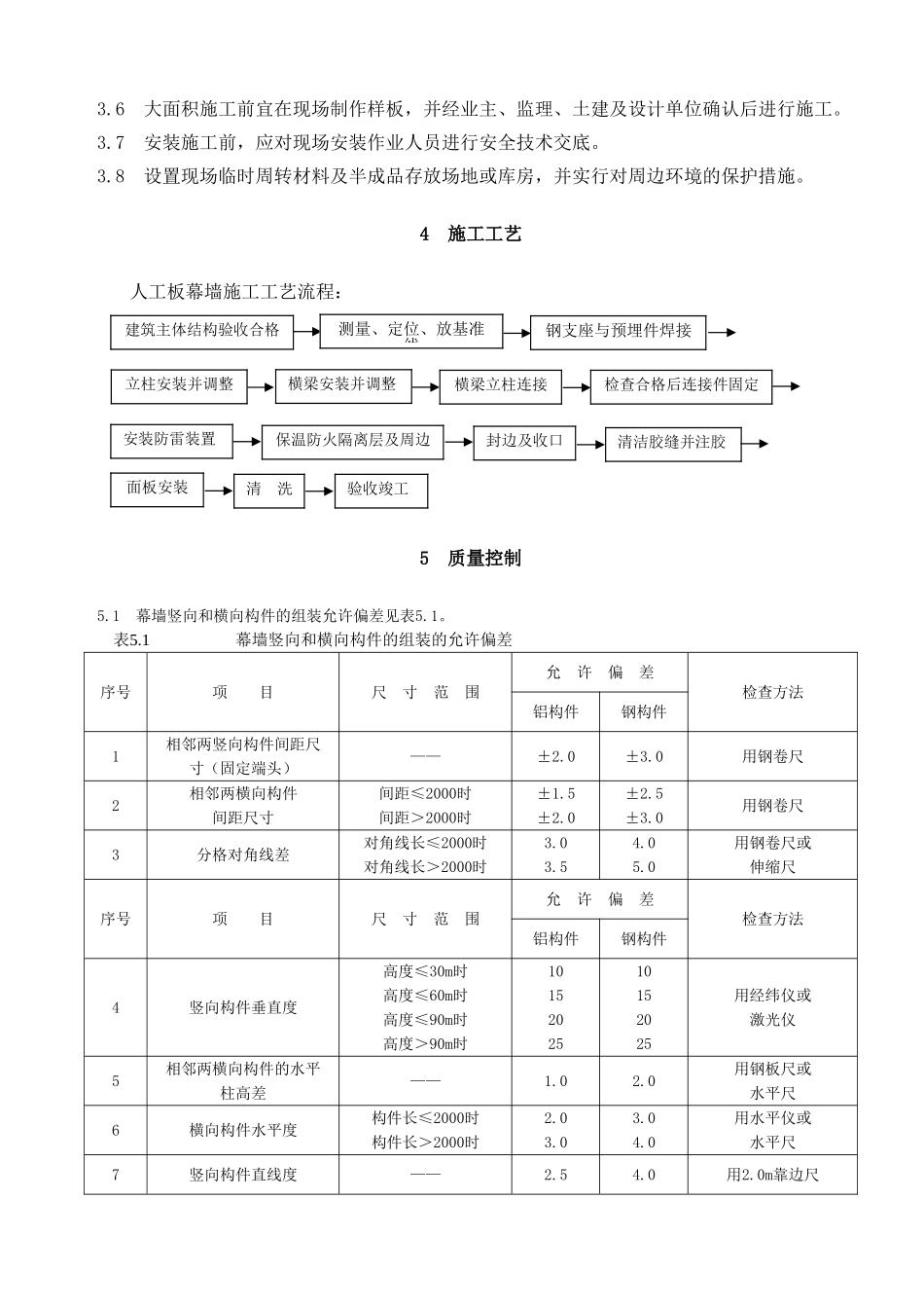
人工板幕墙安装施工工艺

人工板幕墙安装施工工艺_第1页
1/5
人工板幕墙安装施工工艺_第2页
2/5
人工板幕墙安装施工工艺_第3页
3/5
人工板幕墙施工工艺 本章适用于民用建筑人工板幕墙安装工程。1 材 料1.1 钢材。 1 人工板幕墙所使用的钢材,包括碳素结构钢、合金结构钢、耐候钢、不锈钢(板材、棒材、型材等)。其材料的牌号与状态、化学成分、机械性能、尺寸允许偏差、精度等级等,均应符合现行国家和行业标准的规定要求。 2 碳素结构钢和低合金结构钢应进行有效的防腐处理。当采纳热浸镀锌处理时,其膜厚应≥45μm。 3 钢材的表面不得有裂纹、气泡、结疤、泛锈、夹渣和折叠。1.2 铝合金材料。 1 人工板幕墙所使用的铝合金材料,包括铝合金建筑型材、铝及铝合金轧制板材的材料牌号与状态、化学成分、机械性能、表面处理、尺寸允许偏差、精度等级,均应符合现行国家标准规定要求。 2 铝合金型材应符合《铝合金建筑型材》(GB5237)对型材尺寸及允许偏差的规定。幕墙铝型材应采纳高精度级,其阳极氧化膜厚度不低于15μm。 3 以穿条形式生产的隔热铝型材、隔热材料应使用PA66GF25(聚酰胺66+25玻璃纤维)材料,严禁采纳PVC材料。用浇注工艺生产的隔热铝型材,其隔热材料应使用PUR(聚氨基甲酸乙脂)材料。 4 铝合金型材表面清洁,色泽均匀。不应有皱纹、裂纹、起皮、腐蚀斑点、气泡、电灼伤、流痕、发粘以及膜(涂)层脱落等缺陷存在。1.3 紧固件。 人工板幕墙所使用的各类紧固件,如螺栓、螺钉、螺柱、螺母和抽心铆钉等紧固件机械性能,均应符合现行国家标准规定要求。1.4 密封胶。 1 人工板幕墙所采纳的结构密封胶、耐候密封胶、中空玻璃密封胶、防火密封胶等均应符合现行国家标准规定要求。 2 同一单位人工板幕墙必须采纳同一牌号和同一批号的硅酮密封胶。 3 任何情况下,各类硅酮密封胶要在有效期内使用,不准使用过期产品。 4 硅酮结构密封胶、硅酮耐候胶在使用时应提供与所接触材料的相容性试验合格报告和力学试验合格报告以及保质年限的质量证明文件。1.5 面板。 1 陶瓷板:应对尺寸、表面质量、吸水率、色号、破坏强度、断裂模数、抗拉拔力(脊栓式),抗折力(扣槽式)的检验记录进行核对并有出厂合格证。 2 紫外线光固化树脂板(牵思板),应对尺寸、表面质量、吸水率、色号、断横数、抗拉拔力、防火等级的检验记录进行核对并有出厂合格证。 3 微晶玻璃板:应对尺寸表面质量色号、破坏强度、断裂模数、抗拉拔力(脊栓式)、抗折力(扣槽式)的检验记录进行核对并有出厂合格证。 4 硅酸钙纤维板(佳管板):应对尺寸、表面质量、...

1、当您付费下载文档后,您只拥有了使用权限,并不意味着购买了版权,文档只能用于自身使用,不得用于其他商业用途(如 [转卖]进行直接盈利或[编辑后售卖]进行间接盈利)。
2、本站所有内容均由合作方或网友上传,本站不对文档的完整性、权威性及其观点立场正确性做任何保证或承诺!文档内容仅供研究参考,付费前请自行鉴别。
3、如文档内容存在违规,或者侵犯商业秘密、侵犯著作权等,请点击“违规举报”。

碎片内容

人工板幕墙安装施工工艺

您可能关注的文档

确认删除?
VIP
微信客服
  • 扫码咨询
会员Q群
  • 会员专属群点击这里加入QQ群
客服邮箱
回到顶部