电脑桌面
添加小米粒文库到电脑桌面
安装后可以在桌面快捷访问

从计算设置学平法之六——基础的计算设置介绍

从计算设置学平法之六——基础的计算设置介绍_第1页
1/11
从计算设置学平法之六——基础的计算设置介绍_第2页
2/11
从计算设置学平法之六——基础的计算设置介绍_第3页
3/11
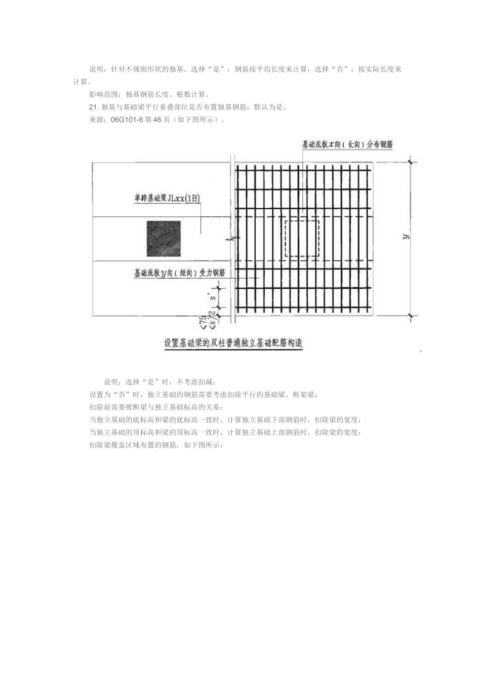
从计算设置学平法之六(下) ——基础的计算设置介绍三、独立基础: 15. 独基受力筋长度计算设定值:默认为 2500,可以输入具体数值。 来源:《简明钢筋混凝土结构构造手册》第 408 页。 说明:设置受力筋长度计算设定值。 影响范围:独基受力筋长度计算。 16. 独立基础边长≥设定值时,受力钢筋长度为:默认为 0.9*边长,提供四种选择。 来源:前两种来源《简明钢筋混凝土结构构造手册》第 408 页;第三种来源 06G101-6 第 47 页(如下图所示)。 说明:独立基础边长≥第 15 项设定值,受力筋长度按此项设置来计算。 影响范围:独基受力筋长度计算。 17. 独立基础钢筋根数计算方式: 同条基钢筋根数计算方式 18. 独立基础下部钢筋弯折长度:默认为 0。 来源:常用算法。 说明:独基下部钢筋的弯折长度取此项设置,可根据需要自行输入。 影响范围:独基下部钢筋长度计算。 19. 独立基础上部钢筋弯折长度:默认为 0。 来源:常用算法。 说明:独基上部钢筋的弯折长度取此项设置,可根据需要自行输入。 影响范围:独基上部钢筋长度计算。 20. 独基钢筋按平均长度计算:默认为否。 来源:常用算法。 说明:针对不规则形状的独基,选择“是”:钢筋按平均长度来计算;选择“否”:按实际长度来计算。 影响范围:独基钢筋长度、根数计算。 21. 独基与基础梁平行重叠部位是否布置独基钢筋:默认为是。 来源:06G101-6 第 46 页(如下图所示)。 说明:选择“是”时,不考虑扣减; 设置为“否”时,独立基础的钢筋需要考虑扣除平行的基础梁、框架梁; 扣除前需要推断梁与独立基础标高的关系: 当独立基础的底标高和梁的底标高一致时,计算独立基础下部钢筋时,扣除梁的宽度; 当独立基础的顶标高和梁的顶标高一致时,计算独立基础上部钢筋时,扣除梁的宽度; 扣除梁覆盖区域布置的钢筋,如下图所示: 假如梁没有完全覆盖独立基础,则未覆盖部位的钢筋锚入梁内,如下图所示: 影响范围:独基钢筋的长度、根数计算。 22. 杯口短柱在基础锚固区内的箍筋数量:默认为 3。 来源:06G101-6 第 49 页(如下图所示)。 说明:在此设置杯口端柱在基础锚固区的箍筋数量,可根据需要自行输入。 影响范围:箍筋根数计算。 四、筏形基础: 24. 筏基外伸面筋端部钢筋弯折长度:默认为 12*d。 来源:04G101-3 第 43 页(如下图所示)。 说明:在此设置筏基外伸面筋端部弯折长度,此处可以输入...

1、当您付费下载文档后,您只拥有了使用权限,并不意味着购买了版权,文档只能用于自身使用,不得用于其他商业用途(如 [转卖]进行直接盈利或[编辑后售卖]进行间接盈利)。
2、本站所有内容均由合作方或网友上传,本站不对文档的完整性、权威性及其观点立场正确性做任何保证或承诺!文档内容仅供研究参考,付费前请自行鉴别。
3、如文档内容存在违规,或者侵犯商业秘密、侵犯著作权等,请点击“违规举报”。

碎片内容

从计算设置学平法之六——基础的计算设置介绍

您可能关注的文档

阳光书坊+ 关注
实名认证
内容提供者

阳光书坊,传播未来

确认删除?
VIP
微信客服
  • 扫码咨询
会员Q群
  • 会员专属群点击这里加入QQ群
客服邮箱
回到顶部