电脑桌面
添加小米粒文库到电脑桌面
安装后可以在桌面快捷访问

公租房工程人工挖孔桩及安全施工方案

公租房工程人工挖孔桩及安全施工方案_第1页
1/13
公租房工程人工挖孔桩及安全施工方案_第2页
2/13
公租房工程人工挖孔桩及安全施工方案_第3页
3/13
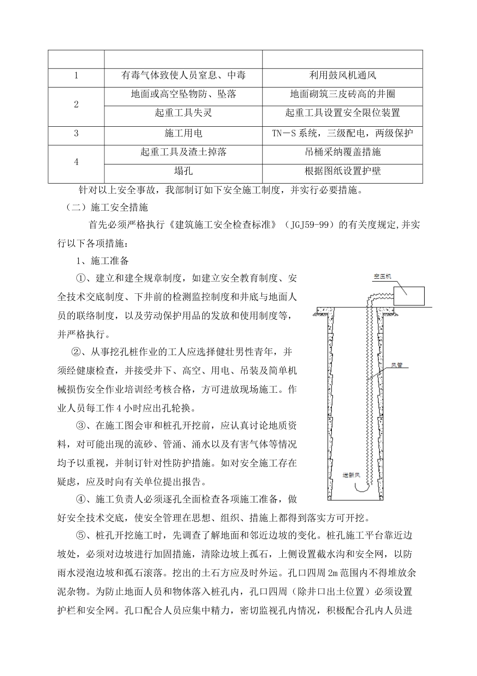
人工挖孔桩专项安全施工方案一、工程概况XX 区 XX 公共租赁住房 6、7、8 组团项目,拟建场地位于 XX 市 XX 区 XX 镇。总建筑面积 90 万平方米。基础在挖方区时采纳人工挖孔桩。二、编制依据 1、XX 区 XX 新区公共租赁房桩基设计图纸 2、XX 区 XX 新区公共租赁房岩土工程勘察报告3、关于印发《危险性较大的分部分项工程安全管理办法》的通知(建质[2025]87 号)4、《建筑桩基技术法律规范》(JGJ94-2025)5、《建筑施工安全检查标准》(JGJ59-99)6、现行国家有关法律规范、标准和规程,国家、省、市安全法律、法规等 三、安全生产管理机构四、编制方案(一)、主要安全事故原因编号事故原因防护措施1有毒气体致使人员窒息、中毒利用鼓风机通风2地面或高空坠物防、坠落地面砌筑三皮砖高的井圈起重工具失灵起重工具设置安全限位装置3施工用电TN-S 系统,三级配电,两级保护4起重工具及渣土掉落吊桶采纳覆盖措施塌孔根据图纸设置护壁针对以上安全事故,我部制订如下安全施工制度,并实行必要措施。 (二)施工安全措施 首先必须严格执行《建筑施工安全检查标准》(JGJ59-99)的有关度规定,并实行以下各项措施:1、施工准备①、建立和建全规章制度,如建立安全教育制度、安全技术交底制度、下井前的检测监控制度和井底与地面人员的联络制度,以及劳动保护用品的发放和使用制度等,并严格执行。 ②、从事挖孔桩作业的工人应选择健壮男性青年,并须经健康检查,并接受井下、高空、用电、吊装及简单机械损伤安全作业培训经考核合格,方可进放现场施工。作业人员每工作 4 小时应出孔轮换。③、在施工图会审和桩孔开挖前,应认真讨论地质资料,对可能出现的流砂、管涌、涌水以及有害气体等情况均予以重视,并制订针对性防护措施。如对安全施工存在疑虑,应及时向有关单位提出报告。④、施工负责人必须逐孔全面检查各项施工准备,做好安全技术交底,使安全管理在思想、组织、措施上都得到落实方可开挖。⑤、桩孔开挖施工时,先调查了解地面和邻近边坡的变化。桩孔施工平台靠近边坡处,必须对边坡进行加固措施,清除边坡上孤石,上侧设置截水沟和安全网,以防雨水浸泡边坡和孤石滚落。挖出的土石方应及时外运。孔口四周 2m 范围内不得堆放余泥杂物。为防止地面人员和物体落入桩孔内,孔口四周(除井口出土位置)必须设置护栏和安全网。孔口配合人员应集中精力,密切监视孔内情况,积极配合孔内人员进行工作,施工时不离岗位。...

1、当您付费下载文档后,您只拥有了使用权限,并不意味着购买了版权,文档只能用于自身使用,不得用于其他商业用途(如 [转卖]进行直接盈利或[编辑后售卖]进行间接盈利)。
2、本站所有内容均由合作方或网友上传,本站不对文档的完整性、权威性及其观点立场正确性做任何保证或承诺!文档内容仅供研究参考,付费前请自行鉴别。
3、如文档内容存在违规,或者侵犯商业秘密、侵犯著作权等,请点击“违规举报”。

碎片内容

公租房工程人工挖孔桩及安全施工方案

您可能关注的文档

确认删除?
VIP
微信客服
  • 扫码咨询
会员Q群
  • 会员专属群点击这里加入QQ群
客服邮箱
回到顶部