电脑桌面
添加小米粒文库到电脑桌面
安装后可以在桌面快捷访问

其他食品(冰淇淋预拌粉类)生产许可证审查细则

其他食品(冰淇淋预拌粉类)生产许可证审查细则_第1页
1/2
其他食品(冰淇淋预拌粉类)生产许可证审查细则_第2页
2/2
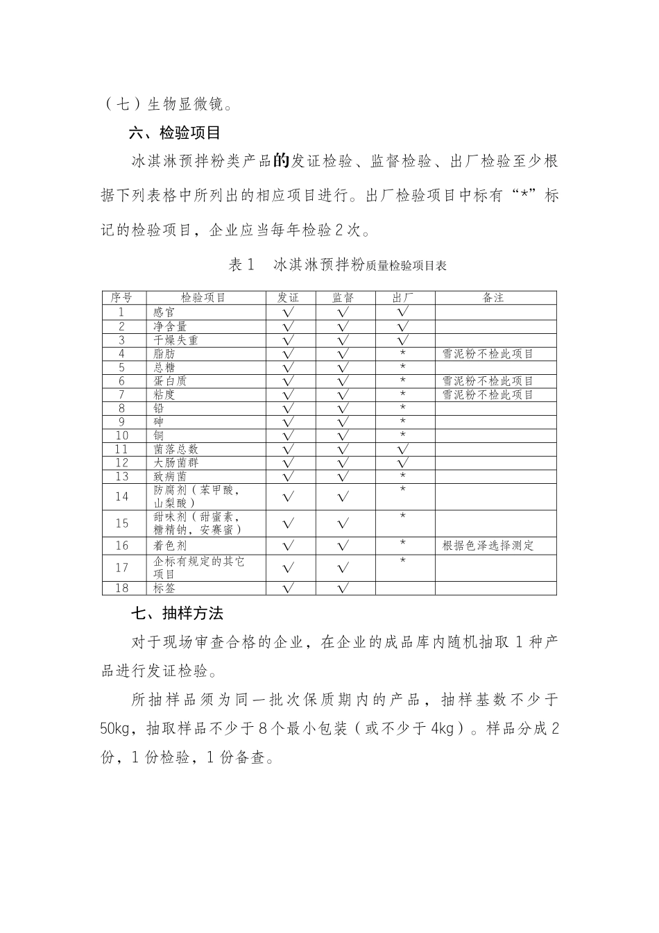
其他食品(冰淇淋预拌粉类)生产许可证审查细则冰淇淋预拌粉类包括以奶粉、食糖为主要原料或以食糖为主要原料,经复配加工而成的产品,包括冰淇淋预拌粉或雪泥粉等。冰淇淋预拌粉类主要用于生产制作冰淇淋或雪泥等冷冻饮品。冰淇淋预拌粉生产许可证审查要求原则上应按《食品质量安全市场准入审查通则(2025 版)》的规定,其他主要具体要求参考如下执行: 一、基本生产流程原辅料验收→称量→混合→包装。二、必备的生产资源(一)生产场所。冰淇淋预拌粉类产品生产企业应当具备原辅料库、生产车间、成品库等生产场所;仓库应满足原料和产品的储存条件,并严格防止鼠、蝇及其他害虫的侵入和隐匿;生产车间应有严格的杀菌和温湿度调节设施。(二)必备的生产设备。冰淇淋预拌粉类产品的必备生产设备包括:a 称量设备;b 混合设备;c 包装设备(如封口机、包装机等)。 三、产品相关标准GB/T 20976-2025《软冰淇淋预拌粉》,经备案有效的企业标准。四、原辅材料的有关要求生产加工使用的原辅料应符合相关的国家标准或行业标准要求。 五、必备的出厂检验设备(一)分析天平(0.1mg);(二)天平(0.1g);(三)干燥箱;(四)微生物培育箱;(五)无菌室或超净工作台;(六)灭菌锅;(七)生物显微镜。 六、检验项目冰淇淋预拌粉类产品的发证检验、监督检验、出厂检验至少根据下列表格中所列出的相应项目进行。出厂检验项目中标有“*”标记的检验项目,企业应当每年检验 2 次。表1 冰淇淋预拌粉质量检验项目表序号检验项目发证监督出厂备注1感官√√√2净含量√√√3干燥失重√√√4脂肪√√*雪泥粉不检此项目5总糖√√*6蛋白质√√*雪泥粉不检此项目7粘度√√*雪泥粉不检此项目8铅√√*9砷√√*10铜√√*11菌落总数√√√12大肠菌群√√√13致病菌√√*14防腐剂(苯甲酸,山梨酸)√√*15甜味剂(甜蜜素,糖精钠,安赛蜜)√√*16着色剂√√*根据色泽选择测定17企标有规定的其它项目√√*18标签√√七、抽样方法对于现场审查合格的企业,在企业的成品库内随机抽取 1 种产品进行发证检验。所抽样品须为同一批次保质期内的产品,抽样基数不少于50kg,抽取样品不少于 8 个最小包装(或不少于 4kg)。样品分成 2份,1 份检验,1 份备查。

1、当您付费下载文档后,您只拥有了使用权限,并不意味着购买了版权,文档只能用于自身使用,不得用于其他商业用途(如 [转卖]进行直接盈利或[编辑后售卖]进行间接盈利)。
2、本站所有内容均由合作方或网友上传,本站不对文档的完整性、权威性及其观点立场正确性做任何保证或承诺!文档内容仅供研究参考,付费前请自行鉴别。
3、如文档内容存在违规,或者侵犯商业秘密、侵犯著作权等,请点击“违规举报”。

碎片内容

其他食品(冰淇淋预拌粉类)生产许可证审查细则

您可能关注的文档

不二商店+ 关注
实名认证
内容提供者

我是你的不二选择

确认删除?
VIP
微信客服
  • 扫码咨询
会员Q群
  • 会员专属群点击这里加入QQ群
客服邮箱
回到顶部