电脑桌面
添加小米粒文库到电脑桌面
安装后可以在桌面快捷访问

初级质量工程师讲义4计量基础

初级质量工程师讲义4计量基础_第1页
1/8
初级质量工程师讲义4计量基础_第2页
2/8
初级质量工程师讲义4计量基础_第3页
3/8
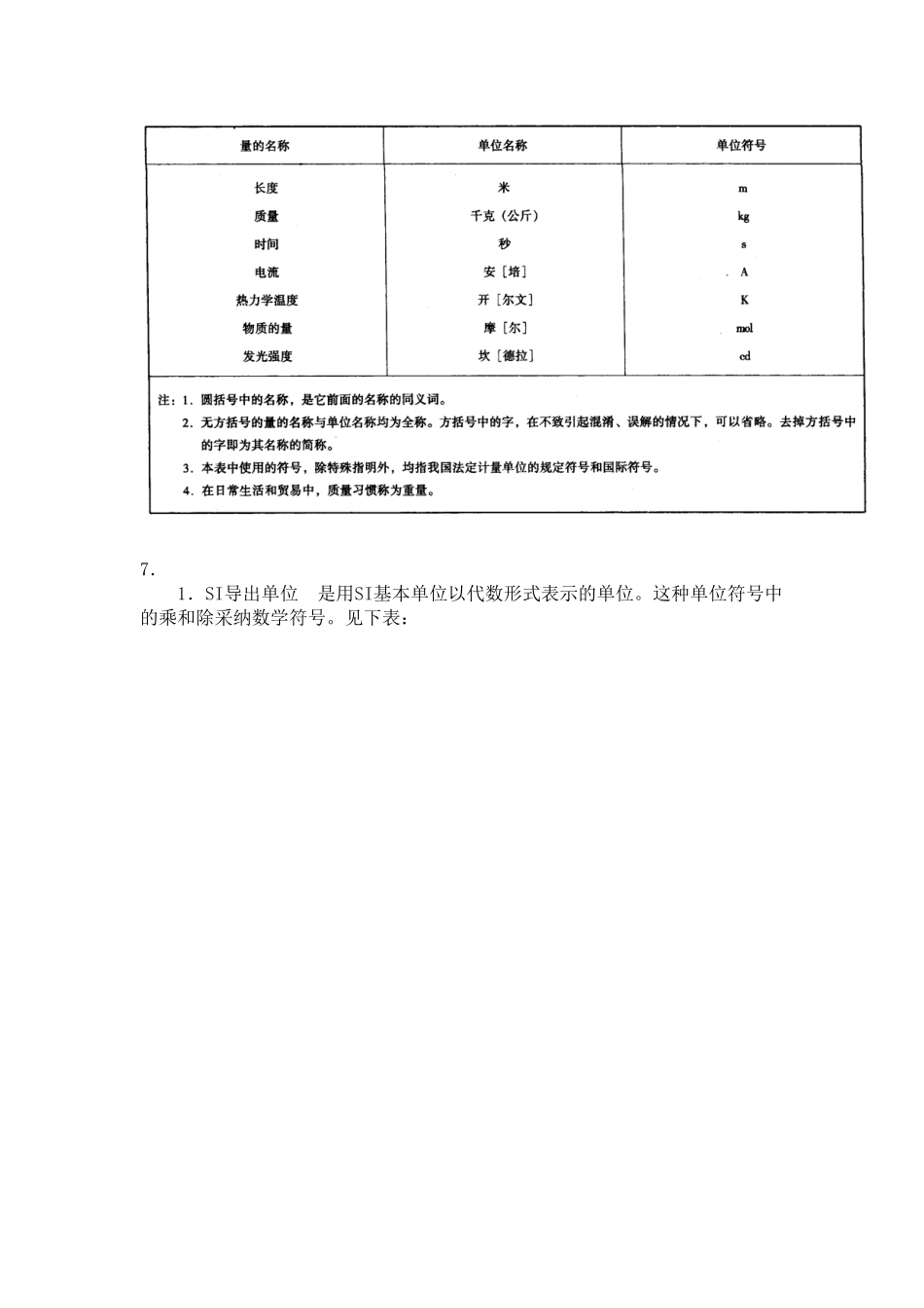
1. 1.计量的定义:从广义上说,计量是对“量”的定性分析和定量确认的过程。计量是实现单位统一、保障量值准确可靠的活动。为了经济而有效地满足社会对测量的需要,应从法制、技术和管理等方面开展计量管理工作。在相当长的历史时期内,计量的对象主要是物理量。随着科技、经济和社会的进展,计量的对象逐渐扩展到工程量、化学量、生理量,甚至心理量。 2.计量的内容:可概括为六个方面:①计量单位与单位制;②计量器具(或测量仪器),包括实现或复现计量单位的计量基准、计量标准与工作计量器具;③量值传递与溯源,包括检定、校准、测试、检验与检测;④物理常量、材料与物质特性的测定;⑤测量不确定度、数据处理与测量理论及其方法;⑥计量管理,包括计量保证与计量监督等。 3.计量的分类:,计量可分为科学计量、工程计量和法制计量三类,分别代表计量的基础性、应用性和公益性三个方面。根据其作用与地位,计量可分为科学计量、工程计量和法制计量三类,分别代表计量的基础性、应用性和公益性三个方面。其中科学计量是指基础性、探究性、先行性的计量科学讨论,它通常采纳最新的科技成果来准确定义和实现计量单位,并为最新的科技进展提供可靠的测量基础。2. 计量的特点可以归纳为准确性、一致性、溯源性及法制性四个方面。 (1)准确性是指测量结果与被测量真值的一致程度。 (2)一致性是指在统一计量单位的基础上,无论在何时何地采纳何种方法,使用何种计量器具,以及由何人测量,只要符合有关的要求,测量结果应在给定的区间内一致。也就是说,测量结果应是可重复、可再现(复现)、可比较的。 (3)溯源性是指任何一个测量结果或测量标准的值,都能通过一条具有规定不确定度的不间断的比较链,与测量基准联系起来的特性。这种特性使所有的同种量值,都可以按这条比较链通过校准向测量的源头追溯,也就是溯源到同一个测量基准(国家基准或国际基准),从而使其准确性和一致性得到技术保证。 (4)法制性是指计量必须的法制保障方面的特性。由于计量涉及社会的各个领域,量值的准确可靠不仅依赖于科学技术手段,还要有相应的法律、法规和行政管理的保障。 由此可见,计量不同于一般的测量。测量是以确定量值为目的的一组操作 ,一般不具备、也不必完全具备上述特点。计量既属于测量而又严于一般的测量,在这个意义上可以狭义地认为,计量是与测量结果置信度有关的、与测量不确定度联系在一起的一种法律规范化的测量。3. 《中华人民...

1、当您付费下载文档后,您只拥有了使用权限,并不意味着购买了版权,文档只能用于自身使用,不得用于其他商业用途(如 [转卖]进行直接盈利或[编辑后售卖]进行间接盈利)。
2、本站所有内容均由合作方或网友上传,本站不对文档的完整性、权威性及其观点立场正确性做任何保证或承诺!文档内容仅供研究参考,付费前请自行鉴别。
3、如文档内容存在违规,或者侵犯商业秘密、侵犯著作权等,请点击“违规举报”。

碎片内容

初级质量工程师讲义4计量基础

您可能关注的文档

确认删除?
VIP
微信客服
  • 扫码咨询
会员Q群
  • 会员专属群点击这里加入QQ群
客服邮箱
回到顶部