电脑桌面
添加小米粒文库到电脑桌面
安装后可以在桌面快捷访问

办公楼采暖系统维修改造施工组织设计p

办公楼采暖系统维修改造施工组织设计p_第1页
1/21
办公楼采暖系统维修改造施工组织设计p_第2页
2/21
办公楼采暖系统维修改造施工组织设计p_第3页
3/21
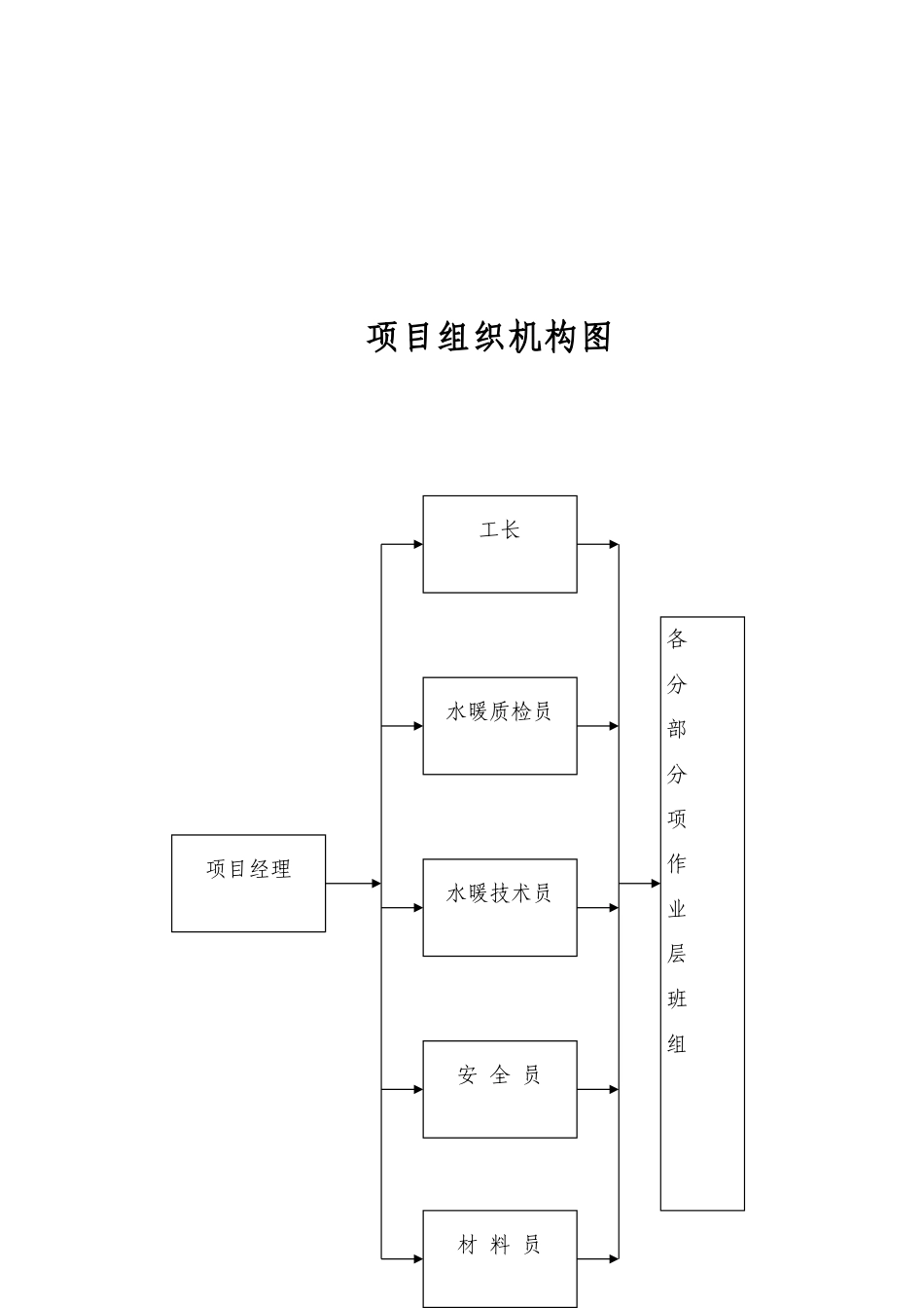
目 录 1. 编制依据………………………………………………………………22. 工程概况………………………………………………………………33. 编制施工组织设计的指导思想………………………………………44. 项目组织机构图………………………………………………………55. 施工准备工作计划……………………………………………………66. 施工方案、施工方法与技术措施……………………………………77. 季节性施工技术措施…………………………………………………168. 保证工程质量措施……………………………………………………179. 保证安全文明施工的技术措施………………………………………1910. 减少扰民、降低环境污染措施………………………………………2011. 质量通病预防措施……………………………………………………2112. 降低成本技术措施……………………………………………………2313. 保证工期措施…………………………………………………………2414. 保证材料供应措施……………………………………………………2515. 主要机具设备计划……………………………………………………2616. 主要人员计划…………………………………………………………2717. 施工进度计划…………………………………………………………28编 制 依 据1:设计图纸 2:<<建筑给水排水及采暖工程施工质量验收法律规范>> (GB50242-2025)3: <<建筑设计防火法律规范>> (GBJ16-87 2001版)4: <<建设工程强制性标准>> (2025 版)5: <<建筑工程施工质量验收统一标准>> (GB-50300-2001)6:<<建筑机械使用安全技术规程>> (JGJ33-2001)7: <<建筑给排水及采暖工程施工质量验收法律规范>> (GB50242-2025)8:国标图(1)、S161 管道支架及吊架(2)、87S159 管道和设备保温(3)、T903 集气罐(4)、96T922 散热器及管道安装编制施工组织设计的指导思想 1、要采纳先进的科学技术成果,实行有效的组织措施,创出优质的质量,完成此工程,为小区建设做出应有的贡献。 2、通过这一工程的施工,要达到以下的目的:(1) 学习先进的施工管理经验,为施工服务。 (2) 通过施工实践,锻炼培育出一支高水平管理队伍和施工队伍,总结提高施工经验,熟悉新结构、新工艺、新技术、新材料的施工过程,为今后的建筑施工树立样板。 在编制本施工组织设计时,要充分理解设计单位的施工意图,深化学习监理工程师的技术说明,发挥自身的优越性,克服自...

1、当您付费下载文档后,您只拥有了使用权限,并不意味着购买了版权,文档只能用于自身使用,不得用于其他商业用途(如 [转卖]进行直接盈利或[编辑后售卖]进行间接盈利)。
2、本站所有内容均由合作方或网友上传,本站不对文档的完整性、权威性及其观点立场正确性做任何保证或承诺!文档内容仅供研究参考,付费前请自行鉴别。
3、如文档内容存在违规,或者侵犯商业秘密、侵犯著作权等,请点击“违规举报”。

碎片内容

办公楼采暖系统维修改造施工组织设计p

您可能关注的文档

确认删除?
VIP
微信客服
  • 扫码咨询
会员Q群
  • 会员专属群点击这里加入QQ群
客服邮箱
回到顶部