电脑桌面
添加小米粒文库到电脑桌面
安装后可以在桌面快捷访问

单位工程质量控制资料核查记录

单位工程质量控制资料核查记录_第1页
1/3
单位工程质量控制资料核查记录_第2页
2/3
单位工程质量控制资料核查记录_第3页
3/3
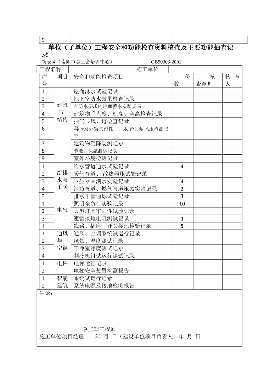
单位(子单位)工程质量控制资料核查记录统表 3 (南阳市总工会培训中心) GB50303-2001工程名称施工单位序号项目资 料 名 称份数核查意见核查人1建筑 与结构图纸会审、设计变更、洽商记录2工程定位测量、放线记录3原材料出场合格证书及进场检(试)验报告4施工实验报告及见证验测报告5隐蔽工程验收记录6施工记录7预制构件、预拌混凝土合格证8地基基础、主题结构检验及抽样检测资料9分项、分部工程质量验收记录10工程质量事故调查处理资料11新材料、新工艺施工记录121给排水与采暖图纸会审、设计变更、洽商记录52材料出场合格证书及进场检(试)验报告93管道、设备强度试验、严密性试验记录34隐蔽工程验收记录15系统清洗、灌水、通水、通球实验记录56施工记录77分项分部工程质量验收记录1181建筑电气图纸会审、设计变更、洽商记录42料出场合格证书及进场检(试)验报告183设备调试记录34接地、绝缘电阻测试记录25隐蔽工程验收记录46施工记录37分项、分部工程质量验收记录2181通风 与空调图纸会审、设计变更、洽商记录2材料、设备出场合格证书及进场检(试)验报告3制冷、空调、水管道强度实验、严密性试验记录4隐蔽工程验收记录5制冷设备运行调试记录6通风、空调系统调试记录7施工记录8分项、分部工程质量验收记录9单位(子单位)工程安全和功能检查资料核查及主要功能抽查记录统表 4 (南阳市总工会培训中心) GB50303-2001工程名称施工单位序号项目安全和功能检查项目份数核查意见核 查人1建筑 与结构屋面淋水试验记录2地下室防水效果检查记录3有防水要求的地面蓄水实验记录4建筑物垂直度、标高、全高检查记录5抽气(风)道检查记录6幕墙及外窗气密性、、水密性 耐风压检测报告7建筑物沉降观测记录8节能、保温测试记录9室外环境检测记录1给排水与采暖给水管道通水试验记录42暖气管道、 散热器压试验记录3卫生器具满水实验记录44消防管道、燃气管道压力实验记录25排水干管通球试验记录31电气照明全负荷实验记录102大型灯具牢固性试验记录3避雷接地电阻测试记录14线路、插座、开关接地检验记录91通风与空调通风、空调系统试运行记录2风量、温度测试记录3干净室净度测试记录4制冷机组试运行调试记录1电梯电梯运行记录2电梯安全装置检测报告1智能建筑系统试运行记录2系统电源及接地检测报告结论: 总监理工程师施工单位项目经理 年 月 日(建设单位项目负责人)年 月 日 河南省南阳市建筑工程总公司

1、当您付费下载文档后,您只拥有了使用权限,并不意味着购买了版权,文档只能用于自身使用,不得用于其他商业用途(如 [转卖]进行直接盈利或[编辑后售卖]进行间接盈利)。
2、本站所有内容均由合作方或网友上传,本站不对文档的完整性、权威性及其观点立场正确性做任何保证或承诺!文档内容仅供研究参考,付费前请自行鉴别。
3、如文档内容存在违规,或者侵犯商业秘密、侵犯著作权等,请点击“违规举报”。

碎片内容

单位工程质量控制资料核查记录

确认删除?
VIP
微信客服
  • 扫码咨询
会员Q群
  • 会员专属群点击这里加入QQ群
客服邮箱
回到顶部