电脑桌面
添加小米粒文库到电脑桌面
安装后可以在桌面快捷访问

压力容器年度检查报告

压力容器年度检查报告_第1页
1/4
压力容器年度检查报告_第2页
2/4
压力容器年度检查报告_第3页
3/4
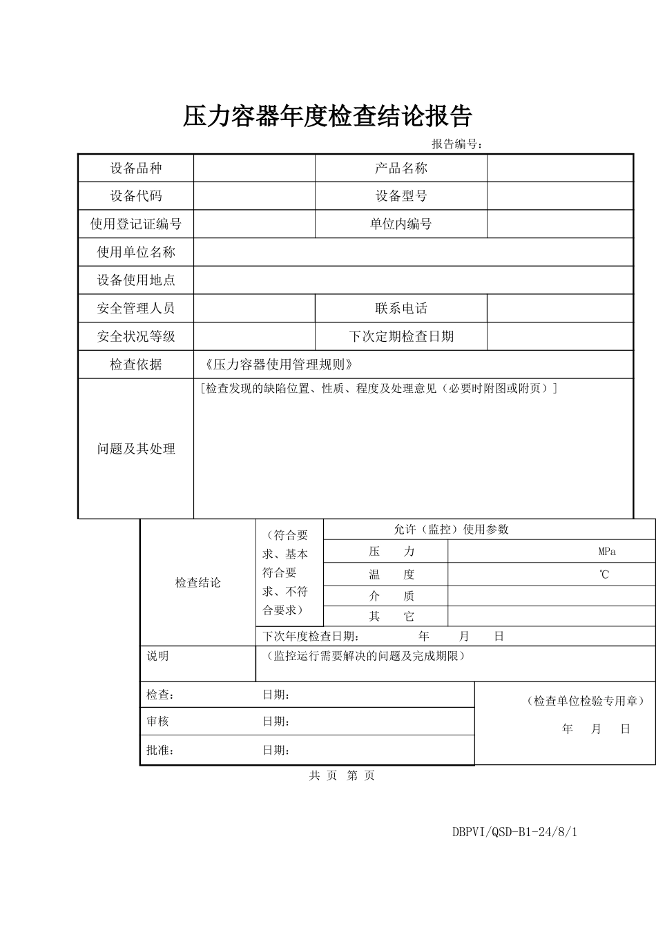
DBPVI/QSD-B1-24/8/1 报告编号: 压力容器年度检查报告设备品种: 产品名称: 设备代码: 单位内编号: 使用单位: 检查日期: 大连市锅炉压力容器检验讨论院 DBPVI/QSD-B1-24/8/1压力容器年度检查结论报告 报告编号:设备品种产品名称设备代码设备型号使用登记证编号单位内编号使用单位名称设备使用地点安全管理人员联系电话安全状况等级下次定期检查日期检查依据《压力容器使用管理规则》问题及其处理[检查发现的缺陷位置、性质、程度及处理意见(必要时附图或附页)]检查结论(符合要求、基本符合要求、不符合要求) 允许(监控)使用参数压 力 MPa温 度℃介 质 其 它下次年度检查日期: 年 月 日说明(监控运行需要解决的问题及完成期限)检查: 日期:(检查单位检验专用章)年 月 日审核 日期:批准: 日期:共 页 第 页 DBPVI/QSD-B1-24/8/1压力容器年度检查报告附页 报告编号:序号检 查 项 目检查结果备注1安全管理安全管理制度、安全操作规程2设计、制造、安装、改造、维修等资料3《使用登记表》、《使用登记证》4作业人员持证情况5日常维护保养、运行、定期安全检查记录6年度检查、定期检验报告及问题处理情况7安全附件校验、修理和更换记录8移动式压力容器装卸记录9应急预案和演练记录10压力容器事故、故障情况记录11容器本体及运行情况铭牌、漆色、标志、使用登记证编号的标注12本体、接口(阀门、管路)部位、焊接接头缺陷情况检查13外表面腐蚀、异常结霜、结露情况检查14隔热层检查15检漏孔、信号孔检查16压力容器与相邻管道或者构件异常振动、响声或者相互摩擦情况检查17支承或者支座、基础、紧固螺栓检查18排放(疏水、排污)装置检查19运行期间超压、超温、超量等情况检查20接地装置检查21监控措施是否有效实施情况检查22快开门式压力容器安全联锁功能检查共 页 第 页DBPVI/QSD-B1-24/8/1报告编号:序号检查项目与内容检查结果备注23安全附件压力表24液位计25测温仪表26爆破片装置27安全阀28易熔塞29导静电装置30紧急切断装置专项要求注:无问题或者合格的检查项目在检查结果栏打“√”, 有问题或者不合格的检查项目在检查结果栏打“×”,并且在备注中说明;实际没有的检查项目在检查结果栏填写“无此项”,或者根据实际的检查项目编制;无法检查的项目在检查结果栏中划“—”,并且在备注栏中说明原因。共 页 第 页

1、当您付费下载文档后,您只拥有了使用权限,并不意味着购买了版权,文档只能用于自身使用,不得用于其他商业用途(如 [转卖]进行直接盈利或[编辑后售卖]进行间接盈利)。
2、本站所有内容均由合作方或网友上传,本站不对文档的完整性、权威性及其观点立场正确性做任何保证或承诺!文档内容仅供研究参考,付费前请自行鉴别。
3、如文档内容存在违规,或者侵犯商业秘密、侵犯著作权等,请点击“违规举报”。

碎片内容

压力容器年度检查报告

确认删除?
VIP
微信客服
  • 扫码咨询
会员Q群
  • 会员专属群点击这里加入QQ群
客服邮箱
回到顶部