电脑桌面
添加小米粒文库到电脑桌面
安装后可以在桌面快捷访问

各种变频器恒压供水参数

各种变频器恒压供水参数_第1页
1/7
各种变频器恒压供水参数_第2页
2/7
各种变频器恒压供水参数_第3页
3/7
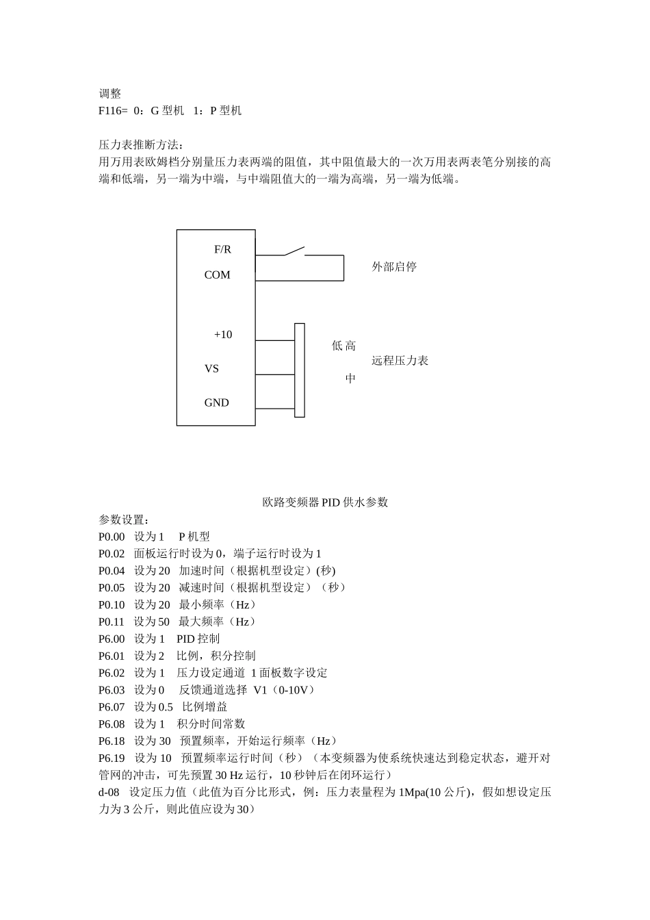
安邦信 AM300 变频器供水参数表F0.04=1 端子 COM 与 X1 短接启动变频器F0.02=30 加速时间 如启动过程中出现过流报警现象请加大此值F0.03=30 减速时间F0.05=5 PID 控制设定 闭环控制F0.07=50 上限频率F0.08=30 下限频率F4.01=1 P 型机F9.01= 键盘预置 PID 给定 压力设定(100%对应压力表满量程)1Mpa(10 公斤)压力设定值 40,则设定压力为 4 公斤压力表推断方法:用万用表欧姆档分别量压力表两端的阻值,其中阻值最大的一次万用表两表笔分别接的高端和低端,另一端为中端,与中端阻值大的一端为高端,另一端为低端。安邦信 G7-P7 系列变频器供水参数表F9= 给定压力值(0—50 对应压力表压力)F10= 1:外部端子 0(本机监视) 3:外部端子 1(远程监视)F11=0 本机键盘/远控键盘F17= 下限频率,休眠启动模式下为休眠频率F76= 运行监视功能选择 0:C00 输出频率/PID 反馈 1:C01 参考频率/PID 给定 6:C06机械速度(PID 模式下变频器输出频率)F80=1 PID 闭环模式有效F87=4 比例 P 增益F88=0.2 积分时间常数 TiF114= 休眠时间,10 秒,0 表示休眠关闭F115= 唤醒频率,唤醒压力,此值要低于给定的压力值(小于 F9)。需根据现场情况自行X1COM+10AI1GND外部启停高 中 低远程压力表调整F116= 0:G 型机 1:P 型机压力表推断方法:用万用表欧姆档分别量压力表两端的阻值,其中阻值最大的一次万用表两表笔分别接的高端和低端,另一端为中端,与中端阻值大的一端为高端,另一端为低端。欧路变频器 PID 供水参数参数设置:P0.00 设为 1 P 机型P0.02 面板运行时设为 0,端子运行时设为 1P0.04 设为 20 加速时间(根据机型设定)(秒)P0.05 设为 20 减速时间(根据机型设定)(秒)P0.10 设为 20 最小频率(Hz)P0.11 设为 50 最大频率(Hz)P6.00 设为 1 PID 控制P6.01 设为 2 比例,积分控制P6.02 设为 1 压力设定通道 1 面板数字设定P6.03 设为 0 反馈通道选择 V1(0-10V)P6.07 设为 0.5 比例增益P6.08 设为 1 积分时间常数P6.18 设为 30 预置频率,开始运行频率(Hz)P6.19 设为 10 预置频率运行时间(秒)(本变频器为使系统快速达到稳定状态,避开对管网的冲击,可先预置 30 Hz 运行,10 秒钟后在闭环运行)d-08 设定压力值(此值为百分比形式,例:压力表量程为 1Mpa(10 公斤),假如想设定压力为 3 公斤,则此值应设为 30...

1、当您付费下载文档后,您只拥有了使用权限,并不意味着购买了版权,文档只能用于自身使用,不得用于其他商业用途(如 [转卖]进行直接盈利或[编辑后售卖]进行间接盈利)。
2、本站所有内容均由合作方或网友上传,本站不对文档的完整性、权威性及其观点立场正确性做任何保证或承诺!文档内容仅供研究参考,付费前请自行鉴别。
3、如文档内容存在违规,或者侵犯商业秘密、侵犯著作权等,请点击“违规举报”。

碎片内容

各种变频器恒压供水参数

您可能关注的文档

范哲铺+ 关注
实名认证
内容提供者

想你所想,急你所急,你需要的都在店铺里可以找到。

确认删除?
VIP
微信客服
  • 扫码咨询
会员Q群
  • 会员专属群点击这里加入QQ群
客服邮箱
回到顶部