电脑桌面
添加小米粒文库到电脑桌面
安装后可以在桌面快捷访问

合成高分子卷材屋面防水层分项工程质量管理-secret

合成高分子卷材屋面防水层分项工程质量管理-secret_第1页
1/5
合成高分子卷材屋面防水层分项工程质量管理-secret_第2页
2/5
合成高分子卷材屋面防水层分项工程质量管理-secret_第3页
3/5
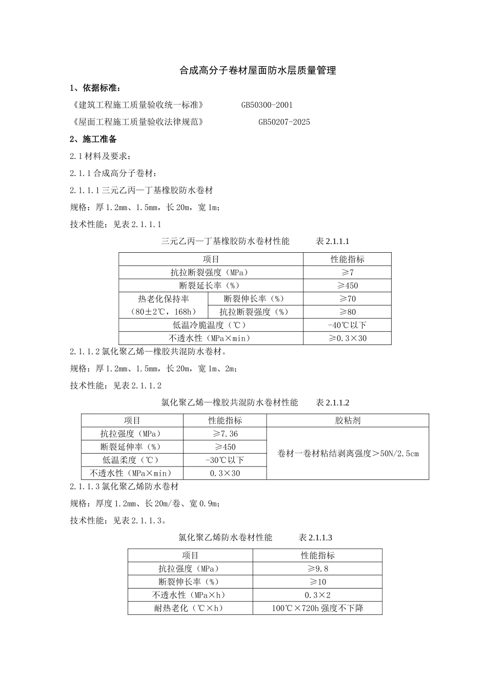
合成高分子卷材屋面防水层质量管理1、依据标准:《建筑工程施工质量验收统一标准》 GB50300-2001《屋面工程施工质量验收法律规范》 GB50207-20252、施工准备2.1 材料及要求:2.1.1 合成高分子卷材:2.1.1.1 三元乙丙—丁基橡胶防水卷材规格:厚 1.2mm、1.5mm,长 20m,宽 1m;技术性能:见表 2.1.1.1三元乙丙—丁基橡胶防水卷材性能表 2.1.1.1项目性能指标抗拉断裂强度(MPa)≥7断裂延长率(%)≥450热老化保持率(80±2℃,168h)断裂伸长率(%)≥70抗拉断裂强度(%)≥80低温冷脆温度(℃)-40℃以下不透水性(MPa×min)≥0.3×302.1.1.2 氯化聚乙烯—橡胶共混防水卷材。规格:厚 1.2mm、1.5mm,长 20m,宽 1m、2m;技术性能:见表 2.1.1.2氯化聚乙烯—橡胶共混防水卷材性能表 2.1.1.2项目性能指标胶粘剂抗拉强度(MPa)≥7.36卷材一卷材粘结剥离强度>50N/2.5cm断裂延伸率(%)≥450低温柔度(℃)-30℃以下不透水性(MPa×min)0.3×302.1.1.3 氯化聚乙烯防水卷材规格:厚度 1.2mm、长 20m/卷、宽 0.9m;技术性能:见表 2.1.1.3。氯化聚乙烯防水卷材性能表 2.1.1.3项目性能指标抗拉强度(MPa)≥9.8断裂伸长率(%)≥10不透水性(MPa×h)0.3×2耐热老化(℃×h)100℃×720h 强度不下降耐低温(℃)-30℃绕 ф10mm 无裂纹注:合成高分子卷材应符合 GB12952—91、GB12953—91、HG2402—92 标准。并符合设计要求,有出厂、复试合格的证明资料。2.1.2 合成高分子防水卷材配套材料选择见表 2.1.2。合成高分子防水卷材配套材料选择表 2.1.2配套材料三元乙丙防水卷材使用氯化聚乙烯—橡胶共混防水卷材使用氯化聚乙烯防水卷材使用1.基层处理剂聚氨酯甲、乙组份二甲苯稀释剂聚氨酯涂料稀释或水乳型涂料喷涂处理稀释粘结剂乙酸乙酯﹕汽油(1﹕1)2.基层胶粘剂CX-404 胶CX-404 胶或 409 胶LYX-603-3 号胶,淡黄色透明粘稠液体,剥离强度≥20N/2.5cm3.卷材接缝胶粘剂丁基橡胶胶粘剂甲、乙组份或单组份丁基橡胶胶粘剂氯丁系胶粘剂CX-404 胶CX-401 胶LYX-603-2 号胶,灰色粘调液体,剥离强度 25N/2.5cm4.增强密封膏聚氨酯嵌缝膏(甲、乙组份)聚氨酯嵌缝膏聚氨酯嵌缝膏5.着色剂用于屋面着以(银灰色)涂料着色涂料(银灰色)着色涂料(银灰色)6.自硫化胶带丁基胶带或基他橡胶粘带2.2 主要机具:2.2.1 电动搅拌器、高压吹风机。2.2.2 铁辊、手持压漆、压子、小平铲、铁桶、汽油喷灯、剪刀、钢卷尺、笤帚、小...

1、当您付费下载文档后,您只拥有了使用权限,并不意味着购买了版权,文档只能用于自身使用,不得用于其他商业用途(如 [转卖]进行直接盈利或[编辑后售卖]进行间接盈利)。
2、本站所有内容均由合作方或网友上传,本站不对文档的完整性、权威性及其观点立场正确性做任何保证或承诺!文档内容仅供研究参考,付费前请自行鉴别。
3、如文档内容存在违规,或者侵犯商业秘密、侵犯著作权等,请点击“违规举报”。

碎片内容

合成高分子卷材屋面防水层分项工程质量管理-secret

确认删除?
VIP
微信客服
  • 扫码咨询
会员Q群
  • 会员专属群点击这里加入QQ群
客服邮箱
回到顶部