电脑桌面
添加小米粒文库到电脑桌面
安装后可以在桌面快捷访问

国博冬施施工方案技术交底记录09年

国博冬施施工方案技术交底记录09年_第1页
1/7
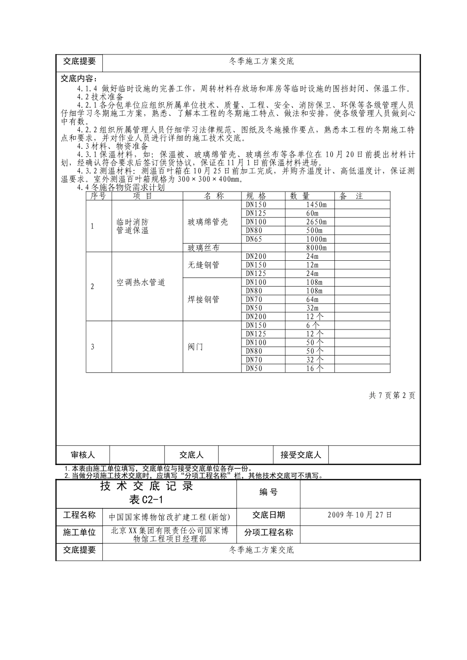
国博冬施施工方案技术交底记录09年_第2页
2/7
国博冬施施工方案技术交底记录09年_第3页
3/7
技 术 交 底 记 录表 C2-1编 号工程名称中国国家博物馆改扩建工程(新馆)交底日期2009 年 10 月 27 日施工单位北京 XX 集团有限责任公司国家博物馆工程项目经理部分项工程名称交底提要冬季施工方案交底交底内容:一、工程概况本工程地处北京市东城区天安门广场东侧,北临长安街,东临公安部,利用原有中国历史博物馆和中国革命博物馆的原址,并向东新增建设用地,改扩建成为新的中国国家博物馆。目前正在进行装饰和机电安装施工。总建筑面积为 191900m2。其中老馆部分建筑面积约为 35000m2,新馆部分建筑面积为 157000m2。新馆部分地下二层,地上五层;结构型式为钢筋混凝土框架筒体结构。本工程南北长319.60m,东西宽 194.75m,根据后浇带,将新馆各层分为 1~6 个施工区。老馆部分分为南老馆和北老馆,其中南、北老馆各分为 4 个施工区。二、施工现场情况 目前国家博物馆工程新馆主体结构及钢结构已完成,一、五公司区域二次结构砌筑基本完成,新馆粗装修墙体抹灰、地面垫层正在施工,精装修墙体龙骨正在施工,外幕墙正在施工,新馆地下机电工程正在施工。老南馆精装、机电工程正在施工。老北馆已经交付业主使用。目前施工现场联络路均形成,临时用电箱变、一、二级配电箱运行正常,各种供水、排水等临时管线畅通,各分包单位、施工队伍临时办公、生活设施基本齐全。各种宣传、警示牌架体搭设完毕,并防护到位。三、冬期施工部署根据本工程所处的地理位置和工期要求,结合本工程的实际情况、楼内冬期供暖计划以及冬期施工应达到的形象部位,制定以下冬期施工总体部署原则:(1)加快新馆结构装修施工进度,尽量减少冬施的部位。(2)尽可能加快二次结构墙的抹灰施工及地面垫层施工,将此工作安排在初冬阶段完成。(3)11 月 15 日前完成建筑外幕墙封闭工作。对于幕墙不能及时封闭的部位实行临时封闭措施。(4)室内供暖采纳正式供温和临时供暖系统相结合。(5)非供暖区域的湿作业工程于初冬前全部完成。(6)实行以防为主(防冻害、防火灾、防煤气中毒、防滑倒跌落)的措施,对冬期施工影响到的材料及施工工序应实行严格的保温防护措施,对高空施工的架子、屋面金属板等施工工序实行有力的防滑倒跌落措施,加强现场用火管理,严防火灾事故发生,加强现场办公区和民工生活区的取暖管理,严防煤气中毒。四、冬施准备4.1 施工现场准备施工现场准备工作应于 10 月 30 日前完成。在 11 月初对各冬施准备工作完成情况进行检查。4....

1、当您付费下载文档后,您只拥有了使用权限,并不意味着购买了版权,文档只能用于自身使用,不得用于其他商业用途(如 [转卖]进行直接盈利或[编辑后售卖]进行间接盈利)。
2、本站所有内容均由合作方或网友上传,本站不对文档的完整性、权威性及其观点立场正确性做任何保证或承诺!文档内容仅供研究参考,付费前请自行鉴别。
3、如文档内容存在违规,或者侵犯商业秘密、侵犯著作权等,请点击“违规举报”。

碎片内容

国博冬施施工方案技术交底记录09年

您可能关注的文档

确认删除?
VIP
微信客服
  • 扫码咨询
会员Q群
  • 会员专属群点击这里加入QQ群
客服邮箱
回到顶部