电脑桌面
添加小米粒文库到电脑桌面
安装后可以在桌面快捷访问

国博底板钢筋施工方案技术交底记录VIP专享

国博底板钢筋施工方案技术交底记录_第1页
1/4
国博底板钢筋施工方案技术交底记录_第2页
2/4
国博底板钢筋施工方案技术交底记录_第3页
3/4
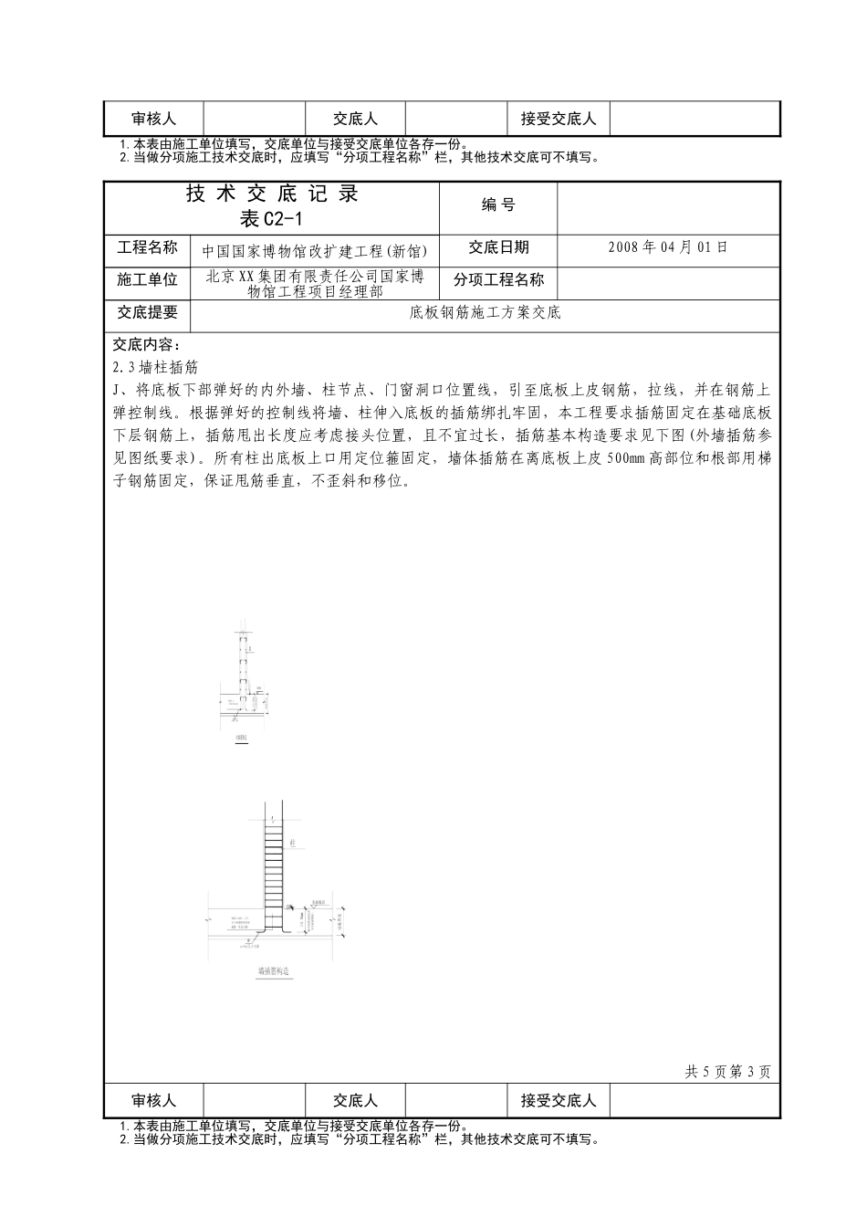
技 术 交 底 记 录表 C2-1编 号工程名称中国国家博物馆改扩建工程(新馆)交底日期2008 年 04 月 01 日施工单位北京 XX 集团有限责任公司国家博物馆工程项目经理部分项工程名称交底提要底板钢筋施工方案交底交底内容:1.作业准备1.1 筏板钢筋概况: 基础底板为带上返柱帽的平板筏型基础。钢筋为Ⅲ级钢直径 φ28、φ32、φ20;基础暗梁的箍筋为Ⅲ级钢直径为 φ12 等,人防底板拉筋为 φ8。本工程基础底板钢筋用量大,其中涉及到桩承台钢筋与基础底板钢筋,集水坑及电梯基坑较多,且多位于暗梁部位,钢筋绑扎虽然型号较单一,但交接部位处理起来复杂。1.2 作业条件 由于现场场地狭小,现场不允许设置钢筋加工厂,为保证施工阶段工程的顺利进行,钢筋基本采纳场外加工,少量在现场加工做为临时补充,根据现场的施工进度情况每天将对应施工部位的成品钢筋倒运至现场。钢筋加工由专业加工人员进行加工,钢筋加工前由作业队单位技术部做出钢筋配料单,配料单要经过反复核对经项目部专业技术人员审批后方可进行下料加工。加工好的成品钢筋附上配料牌,标明钢筋的编号、规格、型号、加工形状、断料尺寸及根数,并按不同部位分类码放,并按现场需要分批进场。1.3 材料准备 钢筋进场须具有出厂质量证明书钢牌和试验报告单,并需分类、分批做机械性能试验;如试验中发现钢筋脆断、焊接性能不良和机械性能不正常时,还应再次复试。当复试不合格时,必须退货。严禁不合格钢材进入施工场地。 钢筋取样:由试验员根据试验操作规程及见证取样要求进行。 钢筋运到加工场地后,必须严格按不同等级、牌号、直径及长度分别挂牌堆放,不得混淆。 存放钢筋场地要平整干燥,钢筋下采纳混凝土梁垫起离地面 20cm 以上,并有防钢筋锈蚀和污染的措施。 已加工好的钢筋成品要按楼层、分段和构件名称编号堆放,并有明显标识,标识上注明应使用的构件名称、部位、钢筋规格型号、尺寸及根数。 钢筋翻样:由专业人员进行钢筋翻样,翻样单要经过总工程师审批后才允许进行加工。1.4 机具准备 塔吊要正常运转,保证垂直运输。场外各钢筋加工厂设备要配置齐全:钢筋切断机、沟通电焊机、钢筋弯曲机、钢筋调直机、剥肋套丝机及足够的直螺纹套筒。现场各公司应配备钢筋切断机 2 台、沟通电焊机 5 台。 2.施工操作工艺措施及主要施工方法2.1 筏板钢筋 工艺流程:弹钢筋位置线→绑扎电梯基坑、集水坑钢筋→基础梁钢筋→绑扎穿南北向底板下层下铁→穿...

1、当您付费下载文档后,您只拥有了使用权限,并不意味着购买了版权,文档只能用于自身使用,不得用于其他商业用途(如 [转卖]进行直接盈利或[编辑后售卖]进行间接盈利)。
2、本站所有内容均由合作方或网友上传,本站不对文档的完整性、权威性及其观点立场正确性做任何保证或承诺!文档内容仅供研究参考,付费前请自行鉴别。
3、如文档内容存在违规,或者侵犯商业秘密、侵犯著作权等,请点击“违规举报”。

碎片内容

国博底板钢筋施工方案技术交底记录

确认删除?
VIP
微信客服
  • 扫码咨询
会员Q群
  • 会员专属群点击这里加入QQ群
客服邮箱
回到顶部