电脑桌面
添加小米粒文库到电脑桌面
安装后可以在桌面快捷访问

国博试验方案交底

国博试验方案交底_第1页
1/14
国博试验方案交底_第2页
2/14
国博试验方案交底_第3页
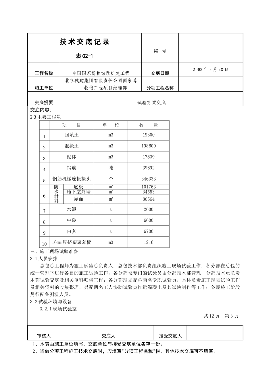
3/14
技 术 交 底 记 录 表 C2-1编 号工程名称中国国家博物馆改扩建工程交底日期2008 年 3 月 28 日施工单位北京城建集团有限责任公司国家博物馆工程项目经理部分项工程名称交底提要试验方案交底交底内容:一、工程概况国家博物馆位于天安门广场东侧,北临长安街,东靠公安部,利用原有中国历史博物馆和中国革命博物馆的原址,并向东新增建设用地,改扩建成为新的中国国家博物馆。工程总建筑面积为 191900m2。其中老馆建筑面积约为 35000m2;新馆南北长 319.60m,东西宽194.75m,建筑面积为 157000m2。其中老馆地上三层;新馆地下二层,地上五层。二、设计概况2.1 结构设计概况项目内 容1结构形式基础结构形式桩筏及平板筏形基础主体结构形式框架-剪力墙结构2混凝土强度等级地下结构基础垫层C15基础底板C35(抗渗等级 S12)地下室外墙C40(抗渗等级 S12)水池、有覆土地下室顶板C30(抗渗等级 S10)地下二层顶板(人防顶板)C35(抗渗等级 S8)混凝土筒体C50框架柱一般框架柱C604B 级人防范围框架柱C505 级人防范围框架柱、展厅外框架柱C40地上结构框架柱展厅内C60展厅外C40梁板(包括预应力梁板)C40混凝土筒体C503钢筋接头形式滚压直螺纹d≥18mm搭接绑扎d≤16mm共 12 页 第 1 页 审核人交底人接受交底人1、本表由施工单位填写,交底单位与接受交底单位各存一份。2、当做分项工程施工技术交底时,应填写"分项工程名称"栏,其他技术交底可不填写。技 术 交 底 记 录 表 C2-1编 号工程名称中国国家博物馆改扩建工程交底日期2008 年 3 月 28 日施工单位北京城建集团有限责任公司国家博物馆工程项目经理部分项工程名称交底提要试验方案交底交底内容:4钢筋类别HPB235φ6、φ8、φ10HRB335Φ8、Φ10、Φ12、Φ14、Φ16、Φ18HRB4008、10、12、14、16、18、20、22、25、28、325回填土肥槽回填,基底标高为-13.25m,肥槽宽度为 1m,回填土为 2:8 灰土。6二次结构填充墙为页岩砖、陶粒混凝土空心砌块,局部 100 厚轻钢龙骨板材。2.2 建筑设计概况项目内 容1外装修外墙喷仿石涂料、玻璃幕墙、石材幕墙。2内装修内墙面防火型乳胶漆、釉面砖防水墙面、抗菌防霉可檫洗高级涂料、干挂花岗石等。楼地面细石混凝土楼地面、水泥楼地面、彩色水泥自流平涂料楼地面等。屋面工程水泥板屋面、水泥砂浆屋面、聚合物砂浆屋面、花岗岩石材屋面3防水工程地 下 室 底 板及外墙防水混凝土加 2 道 4+4 厚 SBS 聚酯胎高聚...

1、当您付费下载文档后,您只拥有了使用权限,并不意味着购买了版权,文档只能用于自身使用,不得用于其他商业用途(如 [转卖]进行直接盈利或[编辑后售卖]进行间接盈利)。
2、本站所有内容均由合作方或网友上传,本站不对文档的完整性、权威性及其观点立场正确性做任何保证或承诺!文档内容仅供研究参考,付费前请自行鉴别。
3、如文档内容存在违规,或者侵犯商业秘密、侵犯著作权等,请点击“违规举报”。

碎片内容

国博试验方案交底

您可能关注的文档

确认删除?
VIP
微信客服
  • 扫码咨询
会员Q群
  • 会员专属群点击这里加入QQ群
客服邮箱
回到顶部