电脑桌面
添加小米粒文库到电脑桌面
安装后可以在桌面快捷访问

土方开挖工程质量验收评定表

土方开挖工程质量验收评定表_第1页
1/11
土方开挖工程质量验收评定表_第2页
2/11
土方开挖工程质量验收评定表_第3页
3/11
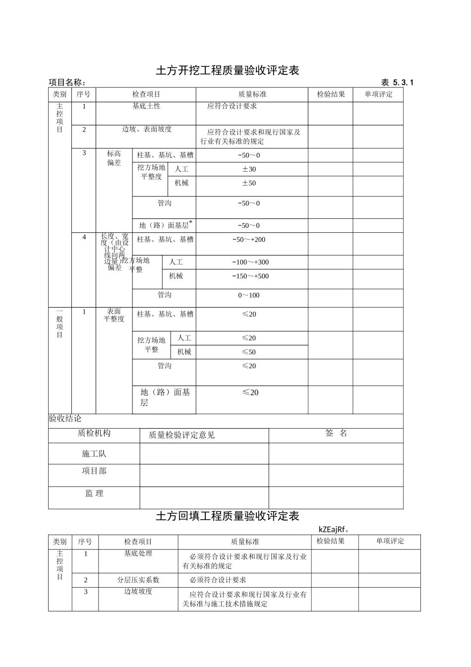
土方开挖工程质量验收评定表项目名称: 表 5.3.1类别序号检查项目质量标准检验结果单项评定主 控 项 目1基底土性应符合设计要求2边坡、表面坡度应符合设计要求和现行国家及 行业有关标准的规定3标高 偏差柱基、基坑、基槽−50~0挖方场地 平整度人工±30机械±50管沟−50~0地(路)面基层*−50~04长度、宽 度(由设 计中心 线向两 边量) 偏差柱基、基坑、基槽−50~+200挖方场地 平整人工−100~+300机械−150~+500管沟0~100一 般 项 目1表面 平整度柱基、基坑、基槽≤20挖方场地 平整人工≤20机械≤50管沟≤20地(路)面基层≤20验收结论质检机构质量检验评定意见签 名施工队项目部监 理土方回填工程质量验收评定表项目名称: 表 5.3.2kZEajRf。类别序号检查项目质量标准检验结果单项评定主 控 项 目1基底处理必须符合设计要求和现行国家及行业 有关标准的规定2分层压实系数必须符合设计要求3边坡坡度应符合设计要求和现行国家及行业有 关标准与施工技术措施规定4标 高 偏 差柱基、基坑、基槽−50~0场地 平整人工±30机械±50管沟−50~0地(路)面基层−50~0一 般 项 目1回填土料应符合设计要求2分层厚度及含水量应符合设计要求3表 面 平 整 度柱基、基坑、基槽≤20挖方场 地平整人工≤20机械≤30管沟≤20地(路)面基层≤20验收结论:质检机构质量检验评定意见签 名施工队项目部监 理表 5.10.1 现浇混凝土模板安装工程质量标准和检验方法类别序号检查项目质量标准检验结果单项评定主 控 项 目1模板及其支架应根据工程结构形式、荷载大小、 地基土类别、施工设备和材料供应等 条件进行设计。模板及其支架应具有 足够的承载能力、刚度和稳定性,能 可靠地承受浇筑混凝土的重力、侧压 力以及施工荷载2上、下层支架的立柱应对准,并铺设垫板3隔离剂不得沾污钢筋和混凝土接槎处一 般 项 目1模板安装(1)模板的接缝不应漏浆,木模板 应浇水湿润,但模板内不应有积水。(2)模板与混凝土的接触面应清理洁净,并涂刷隔离剂。(3)模板内的杂物应清理洁净。(4)对清水混凝土及饰面清水混凝 土工程,应使用能达到设计效果的模板2地坪、胎膜应平整、光洁,不得产生影响结构 质量的下沉、裂缝、起砂或起鼓3跨度≥4m 的梁、 设计有 要求应符合设计要求板起拱度设计无 要求应为全跨长的 1/1000~3/10004预埋件、预留孔(洞)应齐全、正确、牢固5预埋件制作、安装应符合本部分附录 B...

1、当您付费下载文档后,您只拥有了使用权限,并不意味着购买了版权,文档只能用于自身使用,不得用于其他商业用途(如 [转卖]进行直接盈利或[编辑后售卖]进行间接盈利)。
2、本站所有内容均由合作方或网友上传,本站不对文档的完整性、权威性及其观点立场正确性做任何保证或承诺!文档内容仅供研究参考,付费前请自行鉴别。
3、如文档内容存在违规,或者侵犯商业秘密、侵犯著作权等,请点击“违规举报”。

碎片内容

土方开挖工程质量验收评定表

您可能关注的文档

确认删除?
VIP
微信客服
  • 扫码咨询
会员Q群
  • 会员专属群点击这里加入QQ群
客服邮箱
回到顶部