电脑桌面
添加小米粒文库到电脑桌面
安装后可以在桌面快捷访问

地下室墙面施工技术交底

地下室墙面施工技术交底_第1页
1/21
地下室墙面施工技术交底_第2页
2/21
地下室墙面施工技术交底_第3页
3/21
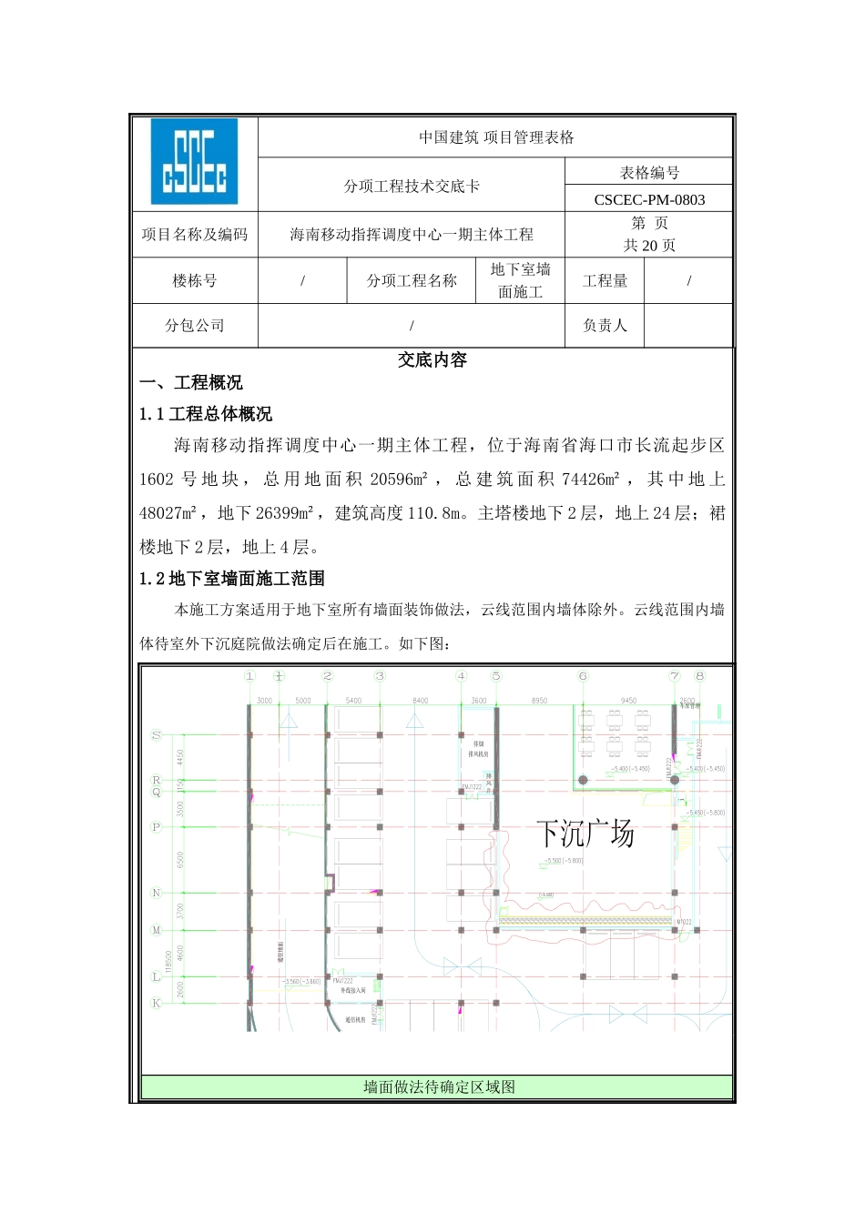
中国建筑 项目管理表格分项工程技术交底卡表格编号CSCEC-PM-0803项目名称及编码海南移动指挥调度中心一期主体工程第 页共 20 页楼栋号/分项工程名称地下室墙面施工工程量/分包公司/负责人交底内容一、工程概况1.1 工程总体概况海南移动指挥调度中心一期主体工程,位于海南省海口市长流起步区1602 号 地 块 , 总 用 地 面 积 20596m² , 总 建 筑 面 积 74426m² , 其 中 地 上48027m²,地下 26399m²,建筑高度 110.8m。主塔楼地下 2 层,地上 24 层;裙楼地下 2 层,地上 4 层。1.2 地下室墙面施工范围本施工方案适用于地下室所有墙面装饰做法,云线范围内墙体除外。云线范围内墙体待室外下沉庭院做法确定后在施工。如下图:墙面做法待确定区域图中国建筑 项目管理表格分项工程技术交底卡表格编号CSCEC-PM-0803项目名称及编码海南移动指挥调度中心一期主体工程第 页共 20 页楼栋号/分项工程名称地下室墙面施工工程量/分包公司/负责人二、墙面做法表墙面类型用料做法适用部位施工范围吸声墙面(总厚 40mm)1、表面喷刷白色乳胶漆2、4 厚 600X600 穿孔水泥纤维板,孔径 Φ5,穿孔率 8%,用螺钉固定于龙骨上孔眼用腻子填平3、玻璃布 1 层绷紧固定于龙骨表面4、40 厚玻璃棉毡,建筑胶粘剂粘贴于龙骨档内5、70X50X0.7 轻钢龙骨(龙骨断面应视墙面高度及板材厚度而定)用膨胀螺栓与墙面固定,中距 6006、8-10 厚 1:0.5:3 水泥石膏砂浆分层抹平(用于砖,混凝土空心砌块墙)空调机房,制冷机房水泵房,风机房用料做法第 6 点水泥砂浆墙面(总厚 20mm)1、5 厚 1:2 水泥砂浆找平2、15 厚 1:3 水泥砂浆找平,分两遍成活,底层抹灰应压实搓毛3、钢筋砼梁、柱与砖墙交接处挂 250宽镀锌电焊钢丝网(Φ1.07×25×25),使用水泥钉钉挂4、刷素水泥浆一遍(掺水重 5%108胶)5、墙体,清理基层需要二次装修的墙面封闭管道井内壁人防门封闭的管道井用料做法第 1-5 点乳胶漆砌体墙面1(总厚 20mm)1、内墙乳胶漆涂料(两道)2、封底涂料(一道)3、刮外墙腻子4、5 厚 1:2 水泥砂浆找平5、15 厚 1:3 水泥砂浆找平,分两遍成活,底层抹灰应压实搓毛地下层设备用房,管理室,休息室,楼梯,前室,停车场,自行车库,车道,人用料做法第 4-8 点中国建筑 项目管理表格分项工程技术交底卡表格编号CSCEC-PM-0803项目名称及编码海南移动指挥调度中心一期主体工程第 页共 20 页楼栋号...

1、当您付费下载文档后,您只拥有了使用权限,并不意味着购买了版权,文档只能用于自身使用,不得用于其他商业用途(如 [转卖]进行直接盈利或[编辑后售卖]进行间接盈利)。
2、本站所有内容均由合作方或网友上传,本站不对文档的完整性、权威性及其观点立场正确性做任何保证或承诺!文档内容仅供研究参考,付费前请自行鉴别。
3、如文档内容存在违规,或者侵犯商业秘密、侵犯著作权等,请点击“违规举报”。

碎片内容

地下室墙面施工技术交底

确认删除?
VIP
微信客服
  • 扫码咨询
会员Q群
  • 会员专属群点击这里加入QQ群
客服邮箱
回到顶部