电脑桌面
添加小米粒文库到电脑桌面
安装后可以在桌面快捷访问

地铁车站深基坑地下连续墙变形监测

地铁车站深基坑地下连续墙变形监测_第1页
1/6
地铁车站深基坑地下连续墙变形监测_第2页
2/6
地铁车站深基坑地下连续墙变形监测_第3页
3/6
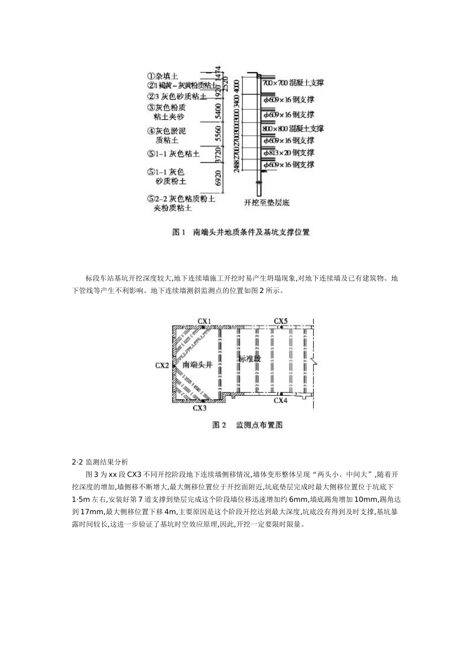
地铁车站深基坑地下连续墙变形监测 【摘 要】 目前软土地区地铁车站深基坑多采纳地下连续墙作为围护结构,通过对 XX 轨道交通 10 号线XX 站基坑地下连续墙现场监测结果的分析,讨论了基坑开挖深度与地下连续墙侧移及最大相对侧移的关系,同时给出了地下连续墙最大侧移及最大侧移位置随开挖时间的变化规律,并对不同测点的侧移结果进行分析比较。结果表明:长条形地铁车站深基坑虽然是对称结构,但是对基坑外侧土体进行加固一侧的地下连续墙的变形远远小于未经加固一侧的变形,所以,在对基坑设计时一定要考虑土体加固的影响。【关键词】 地下连续墙;侧向变形;地铁车站基坑;工程实例;时空效应 0 引 言 目前 XX 等城市都有多条同时开工建设的轨道交通线路。根据 XX 市轨道交通近期建设规划,到 2025年累计运营线路 13 条,运营里程超过 500km。地铁车站基坑一般开挖较深,为了减小基坑开挖对周围环境的影响,基坑的围护结构一般选用地下连续墙,为了确保基坑开挖的安全和质量,地下连续墙的变形控制便成为讨论的重点。Mana 和 Clough[1](1981)通过对一些基坑的监测数据进行分析,发现围护墙体的变形与抗隆起稳定安全系数有密切的关系,Wong 和 Broms[2](1989)对有撑基坑支护墙体的变形进行讨论,并提出一个估量有锚撑桩板墙体水平变形的方法,Clough 和 O’Rourke[3](1990)综合考虑基底抗隆起稳定安全系数和支护系统刚度等因素,通过对一些实例进行总结,给出了一个估算软土与中等硬度土体围护墙水平变形规律, Hashash 和 Whittle[4](1996)通过非线性有限元分析,讨论了软土深嵌地下连续墙的变形与基坑长度和支撑间距之间的关系。Kung 等[5](2025)用神经网络法对软中等硬度土基坑地下连续墙的变形进行预测。王建华等[6](2025)根据 XX 软土地区 50 个深基坑工程的实测结果,讨论了基坑开挖深度、支撑系统的相对刚度对连续墙最大侧移的影响,最大侧移的深度及墙后软土层厚度对基坑变形特性的影响。李琳等[7](2025)就杭州和 XX 软土地区 46 个成功深基坑的实测结果进行了讨论和总结,分析了基坑开挖深度与最大侧移及其位置和当前基坑开挖深度和所采纳支撑系统相对刚度之间的关系,建立了抗隆起稳定安全系数与围护墙体最大侧移和墙后最大地面沉降与之间的关系。Kung 等[8][9](2025)通过实例分析和有限元模拟计算,得出了预测软土及中等硬度土基坑地下连续墙变形的经验公式。1 影响墙体变形的因素分析 通过对大量基坑实例监测数据的分析,...

1、当您付费下载文档后,您只拥有了使用权限,并不意味着购买了版权,文档只能用于自身使用,不得用于其他商业用途(如 [转卖]进行直接盈利或[编辑后售卖]进行间接盈利)。
2、本站所有内容均由合作方或网友上传,本站不对文档的完整性、权威性及其观点立场正确性做任何保证或承诺!文档内容仅供研究参考,付费前请自行鉴别。
3、如文档内容存在违规,或者侵犯商业秘密、侵犯著作权等,请点击“违规举报”。

碎片内容

地铁车站深基坑地下连续墙变形监测

确认删除?
VIP
微信客服
  • 扫码咨询
会员Q群
  • 会员专属群点击这里加入QQ群
客服邮箱
回到顶部