电脑桌面
添加小米粒文库到电脑桌面
安装后可以在桌面快捷访问

城际铁路钻孔灌注桩基础施工作业指导书

城际铁路钻孔灌注桩基础施工作业指导书_第1页
1/17
城际铁路钻孔灌注桩基础施工作业指导书_第2页
2/17
城际铁路钻孔灌注桩基础施工作业指导书_第3页
3/17
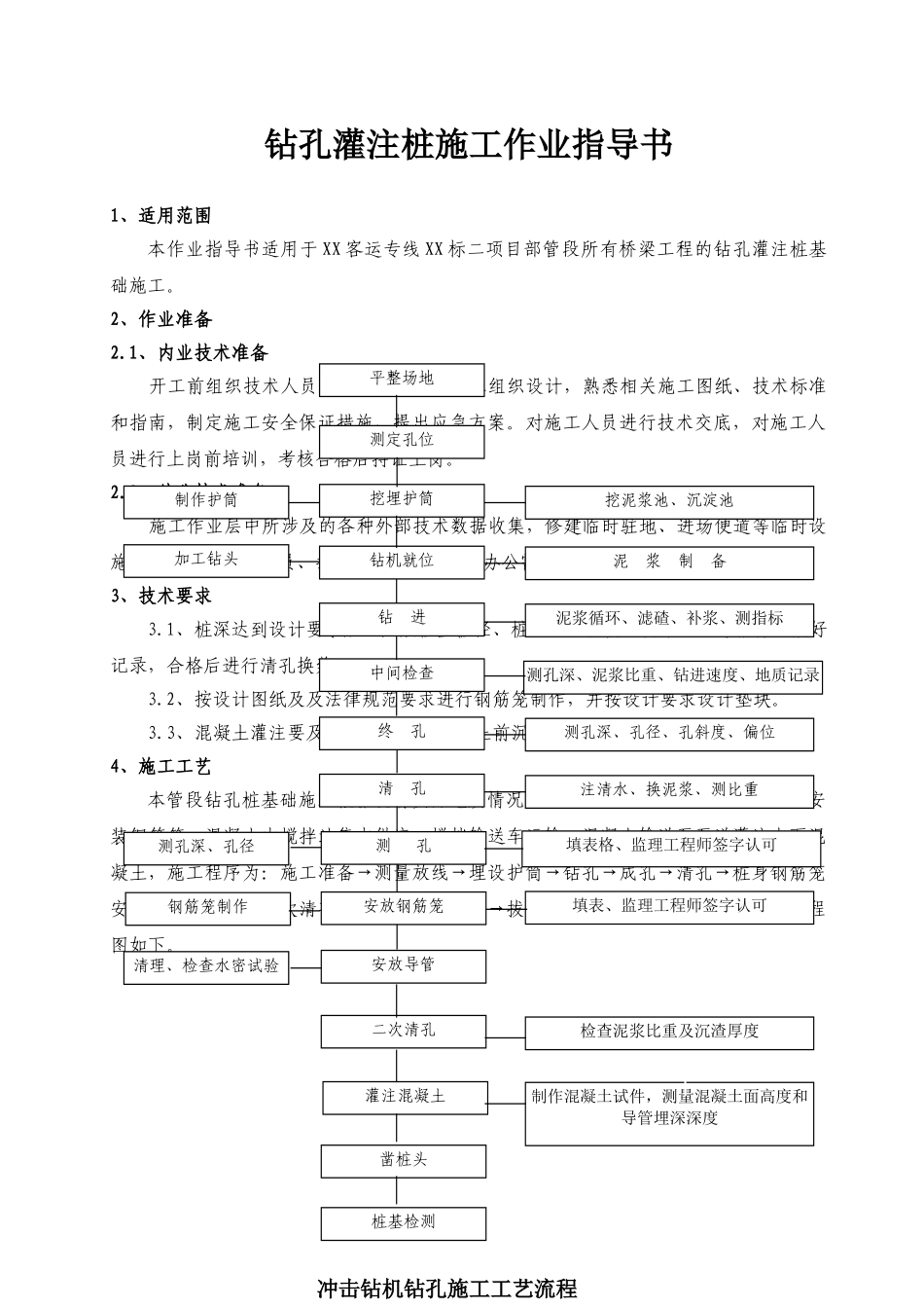
钻孔灌注桩施工作业指导书1、适用范围本作业指导书适用于 XX 客运专线 XX 标二项目部管段所有桥梁工程的钻孔灌注桩基础施工。2、作业准备2.1、内业技术准备 开工前组织技术人员认真学习实施性施工组织设计,熟悉相关施工图纸、技术标准和指南,制定施工安全保证措施,提出应急方案。对施工人员进行技术交底,对施工人员进行上岗前培训,考核合格后持证上岗。2.2、外业技术准备 施工作业层中所涉及的各种外部技术数据收集,修建临时驻地、进场便道等临时设施,满足主要管理人员、技术人员进场生活、办公需要。3、技术要求3.1、桩深达到设计要求后,必须检查桩径、桩长、垂直度、泥浆比重等指标,做好记录,合格后进行清孔换浆。3.2、按设计图纸及及法律规范要求进行钢筋笼制作,并按设计要求设计垫块。3.3、混凝土灌注要及时进行,灌注混凝土前沉碴厚度必须满足设计要求。 4、施工工艺本管段钻孔桩基础施工根据现场实际地质情况采纳冲击钻机钻孔,吊车配合钻机安装钢筋笼,混凝土由搅拌站集中供应,搅拌输送车运输,混凝土输送泵泵送灌注水下混凝土,施工程序为:施工准备→测量放线→埋设护筒→钻孔→成孔→清孔→桩身钢筋笼安放→安装导管→二次清孔→灌注水下混凝土→拔除护筒→场地清理。其施工工艺流程图如下。平整场地凿桩头测定孔位挖埋护筒钻机就位钻 进制作护筒加工钻头中间检查终 孔清 孔测 孔安放钢筋笼安放导管二次清孔灌注混凝土挖泥浆池、沉淀池泥 浆 制 备泥浆循环、滤碴、补浆、测指标测孔深、泥浆比重、钻进速度、地质记录测孔深、孔径、孔斜度、偏位注清水、换泥浆、测比重填表格、监理工程师签字认可填表、监理工程师签字认可检查泥浆比重及沉渣厚度制作混凝土试件,测量混凝土面高度和导管埋深深度清理、检查水密试验测孔深、孔径钢筋笼制作 冲击钻机钻孔施工工艺流程桩基检测4.1、施工前准备工作4.1.1、测量 确定钻孔桩位:根据控制网及桥墩设计坐标,用全站仪精确放出桩位,同时布设稳固十字护桩,以便常常检查钻孔偏位情况,经复核无误后方可进行孔桩施工。4.1.2、场地平整及机械安装钻机底座须为与坚实地基上,以免施工过程中发生不均匀沉陷而造成孔位偏移。1)钻孔场地在旱地时,应清除杂物、换除软土、平整压实,场地位于陡坡时,可用枕木、型钢等搭设工作平台。2)在浅水中,宜用筑岛法施工,岛顶面高出施工水位 1.0 米左右,筑岛面积应按钻孔方法、钻机大小等要求决定。3)在深水或淤泥较厚时,可搭...

1、当您付费下载文档后,您只拥有了使用权限,并不意味着购买了版权,文档只能用于自身使用,不得用于其他商业用途(如 [转卖]进行直接盈利或[编辑后售卖]进行间接盈利)。
2、本站所有内容均由合作方或网友上传,本站不对文档的完整性、权威性及其观点立场正确性做任何保证或承诺!文档内容仅供研究参考,付费前请自行鉴别。
3、如文档内容存在违规,或者侵犯商业秘密、侵犯著作权等,请点击“违规举报”。

碎片内容

城际铁路钻孔灌注桩基础施工作业指导书

确认删除?
VIP
微信客服
  • 扫码咨询
会员Q群
  • 会员专属群点击这里加入QQ群
客服邮箱
回到顶部