电脑桌面
添加小米粒文库到电脑桌面
安装后可以在桌面快捷访问

外立面保温专项评估报告

外立面保温专项评估报告_第1页
1/5
外立面保温专项评估报告_第2页
2/5
外立面保温专项评估报告_第3页
3/5
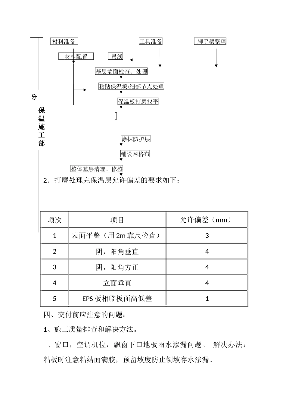
外立面保温专项(工程质量、安全)评估报告编制单位:沈阳秦农建筑装饰有限公司青岛蓝山项目部时间:二〇一四年二月十四日外立面保温专项(工程质量、安全)评估报告根据万科公司 2025 年使用“实测实量”A6 版进行季度工程质量、安全评估的通知,结合我外墙保温专项工程,针对如何提高工程质量、效率、减少人工”等做法,使项目管理常态化,交付出高质量的产品的工作通知精神本项目部制定以下交付前评估报告。确保该工程在装饰施工的全过程中,各环节始终处于受控状态,达到高质量、高标准、高水平,满足业主要求,工程管理合理有效。一、工程概况:工程名称:双山保尔片区改造项目南山片区(万科蓝山)2.2 期建设单位:青岛万科企业有限公司工程地点:青岛市市北区监理单位:青岛万通建设监理有限责任公司二、评估依据:1、《工程施工合同》2、工程设计施工图及图纸会审记录和变更设计文件《节能建筑工程施工质量验收法律规范》(GB50411-2025)地方政府建设行政主管部门有关规定,规章等三、标准工艺做法及允许偏差标准1.施工工艺 材料准备 工具准备 脚手架整理 材料配置 吊线基层墙面检查、处理粘贴保温板/细部节点处理 保温板打磨找平 涂抹防护层铺设网格布 整体基层清理、修整2.打磨处理完保温层允许偏差的要求如下:项次项目允许偏差(mm)1表面平整(用 2m 靠尺检查)32阴,阳角垂直43阴,阳角方正44立面垂直45EPS 板相临板面高低差1四、交付前应注意的问题:1、施工质量排查和解决方法。 、窗口,空调机位,飘窗下口地板雨水渗漏问题。 解决办法:粘板时注意粘结面满胶,预留坡度防止倒坡存水渗漏。保温施工部分 、阳台部分阴阳角不直,对交付造成感官影响。 解决办法:粘板放线,做好垂直水平通线,粘板时板边严格根据放线位置粘板,挂网过程中建议使用成品阴阳角工具。二遍抹灰时在对阴阳角进行二次处理。 、窗口外立面漏网,造型部位收口不到位。 解决办法:大面完成后逐户排查处理,本项目部派专人对个分管楼号进行逐户排查。一次排查完成后再交换分管管理人员进行交叉排查。 、窗口,推拉门口吃框、排水口堵塞问题。 解决办法:首先先对窗口节点进行确定然后严格根据节点施工,施工中工人进行实际测量根据现场情况进行施工,成活后再进行排查,对排查的问题窗口进行拆除处理。 、空调洞堵塞问题。解决办法:施工前的排查工作。后期施工中集中使用专业工具疏通。、其他单位容易破坏的如石材单位在修补破损...

1、当您付费下载文档后,您只拥有了使用权限,并不意味着购买了版权,文档只能用于自身使用,不得用于其他商业用途(如 [转卖]进行直接盈利或[编辑后售卖]进行间接盈利)。
2、本站所有内容均由合作方或网友上传,本站不对文档的完整性、权威性及其观点立场正确性做任何保证或承诺!文档内容仅供研究参考,付费前请自行鉴别。
3、如文档内容存在违规,或者侵犯商业秘密、侵犯著作权等,请点击“违规举报”。

碎片内容

外立面保温专项评估报告

文旅传媒+ 关注
实名认证
内容提供者

传播文化,成就未来

确认删除?
VIP
微信客服
  • 扫码咨询
会员Q群
  • 会员专属群点击这里加入QQ群
客服邮箱
回到顶部