电脑桌面
添加小米粒文库到电脑桌面
安装后可以在桌面快捷访问

教学楼刚性发泡水泥轻质墙体施工方案

教学楼刚性发泡水泥轻质墙体施工方案_第1页
1/12
教学楼刚性发泡水泥轻质墙体施工方案_第2页
2/12
教学楼刚性发泡水泥轻质墙体施工方案_第3页
3/12
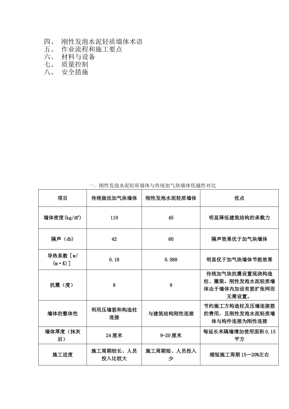
学院餐厅项目刚性发泡水泥轻质墙体施工方案目 录一、 刚性发泡水泥轻质墙体与传统加气块隔墙的优越性对比二、 工程概况三、 方案执行标准及法律规范四、 刚性发泡水泥轻质墙体术语五、 作业流程和施工要点六、 材料与设备七、 质量控制八、 安全措施一.刚性发泡水泥轻质墙体与传统加气块墙体优越性对比项目传统做法加气块墙体刚性发泡水泥轻质墙体优点墙体密度(kg/㎡)11045明显降低建筑结构的承载力隔声(db)4260隔声效果优于加气块墙体导热系数[w/(m·K)]0.180.088明显优于加气块墙体节能效果抗震(度)89传统加气块抗震设置现浇构造柱、圈梁。刚性发泡水泥轻质墙体由于墙体内加设有筋扩张网而无需设置。墙体的整体性利用压墙筋和构造柱连接与建筑结构刚性连接节约施工方构造柱及压墙连接筋的费用,且刚性发泡水泥轻质墙体与构件连接为刚性连接墙体厚度(抹灰后)24 厘米9-20 厘米每延长米隔墙增加使用面积 0.15平方施工进度施工周期较长、人员投入比较大施工周期短、人员投入少缩短施工周期 15—20%左右水电配管专业割槽安装配管填槽时还要加玻璃纤维布防止抹灰层开裂墙体内直接预安装配管节约水电安装工配管割槽清理的人工投入 20%左右抹灰面层需抹灰,加界面剂抹灰,容易空鼓、龟裂刚性发泡水泥轻质墙体整体性强,风光层直接做腻子处理(或粘贴块料装饰面层)面层不需抹灰且不易出现龟裂等现象墙体抗冲击力经 30kg 沙袋 0.5 米试验整体墙面易出现龟裂及贯穿裂纹经 30kg 沙袋 0.5 米试验整体墙面无龟裂及贯穿裂纹传统加气块隔墙抗冲击力差运输量及建筑垃圾运输量大、墙体施工完后建筑垃圾比较多且施工场地垂直运输量大不存在建筑垃圾;运输量小,且工程中垂直运输次数少对城市的节能环保整体有所提高;给总承包企业节约出垂直运输费二.工程概况1. 建筑名称: 学院餐厅项目2. 建设地点: 3. 建设单位: 4. 建筑层数及高度:四层,建筑高度 20 米5. 结构类型: 钢构三.方案执行标准及法律规范建筑设计防火法律规范 GB 50016-2025建筑设计抗震法律规范 GB 50011-2025建筑内部装修设计防火法律规范 GB 50222-2001建筑工程施工质量验收统一标准 GB 50300-2001混凝土结构工程施工质量验收法律规范 GB 50204-2025(2025 年版)民用建筑工程室内环境污染控制法律规范 GB 50325-2025民用建筑隔音设计法律规范 GB 50118-2025 建筑节能工程施工质量验收法律规范 GB 50411-2025 建筑用轻质隔墙条...

1、当您付费下载文档后,您只拥有了使用权限,并不意味着购买了版权,文档只能用于自身使用,不得用于其他商业用途(如 [转卖]进行直接盈利或[编辑后售卖]进行间接盈利)。
2、本站所有内容均由合作方或网友上传,本站不对文档的完整性、权威性及其观点立场正确性做任何保证或承诺!文档内容仅供研究参考,付费前请自行鉴别。
3、如文档内容存在违规,或者侵犯商业秘密、侵犯著作权等,请点击“违规举报”。

碎片内容

教学楼刚性发泡水泥轻质墙体施工方案

范哲铺+ 关注
实名认证
内容提供者

想你所想,急你所急,你需要的都在店铺里可以找到。

确认删除?
VIP
微信客服
  • 扫码咨询
会员Q群
  • 会员专属群点击这里加入QQ群
客服邮箱
回到顶部