电脑桌面
添加小米粒文库到电脑桌面
安装后可以在桌面快捷访问

无粘结预应力工程技术交底模板

无粘结预应力工程技术交底模板_第1页
1/3
无粘结预应力工程技术交底模板_第2页
2/3
无粘结预应力工程技术交底模板_第3页
3/3
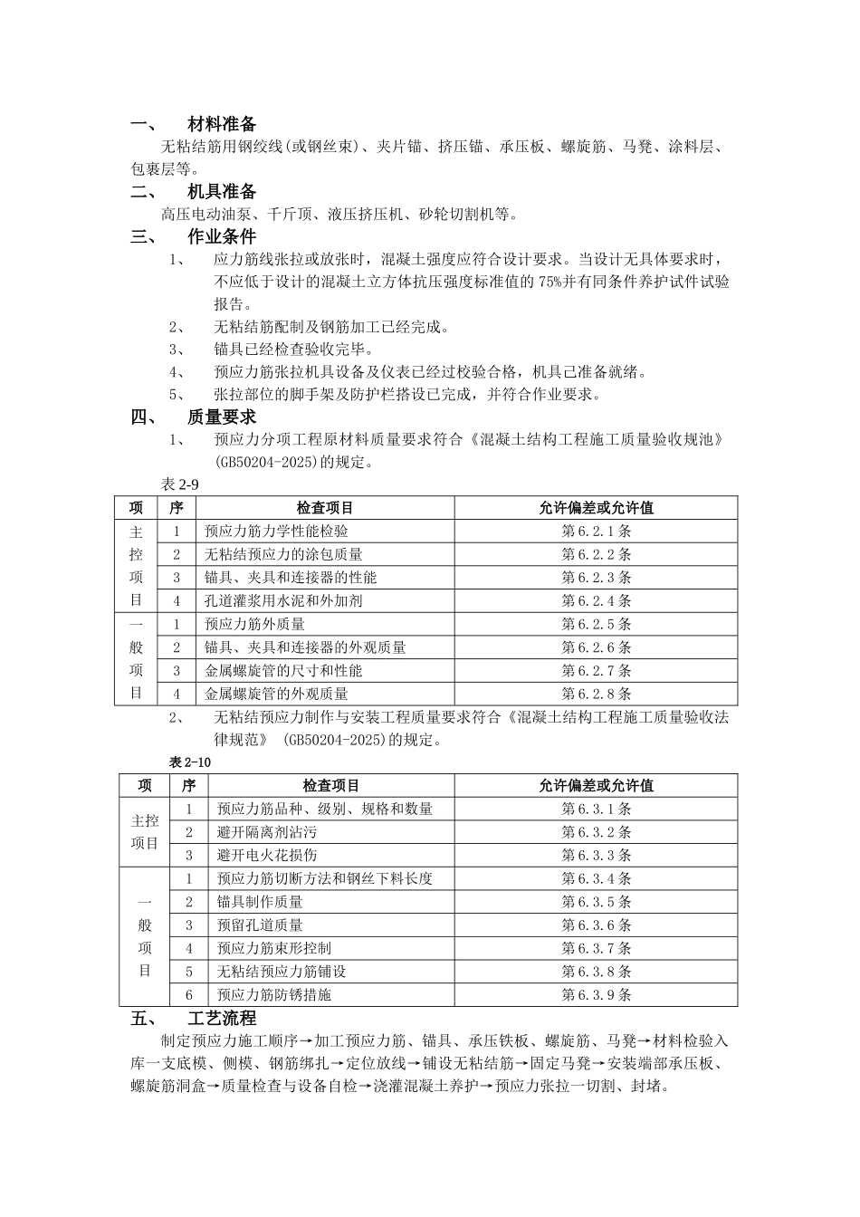
一、材料准备无粘结筋用钢绞线(或钢丝束)、夹片锚、挤压锚、承压板、螺旋筋、马凳、涂料层、包裹层等。二、机具准备高压电动油泵、千斤顶、液压挤压机、砂轮切割机等。三、作业条件1、应力筋线张拉或放张时,混凝土强度应符合设计要求。当设计无具体要求时,不应低于设计的混凝土立方体抗压强度标准值的 75%并有同条件养护试件试验报告。2、无粘结筋配制及钢筋加工已经完成。3、锚具已经检查验收完毕。4、预应力筋张拉机具设备及仪表已经过校验合格,机具己准备就绪。5、张拉部位的脚手架及防护栏搭设已完成,并符合作业要求。四、质量要求1、预应力分项工程原材料质量要求符合《混凝土结构工程施工质量验收规池》(GB50204-2025)的规定。表 2-9项序检查项目允许偏差或允许值主控项目1预应力筋力学性能检验第 6.2.1 条2无粘结预应力的涂包质量第 6.2.2 条3锚具、夹具和连接器的性能第 6.2.3 条4孔道灌浆用水泥和外加剂第 6.2.4 条一般项目1预应力筋外质量第 6.2.5 条2锚具、夹具和连接器的外观质量第 6.2.6 条3金属螺旋管的尺寸和性能第 6.2.7 条4金属螺旋管的外观质量第 6.2.8 条2、无粘结预应力制作与安装工程质量要求符合《混凝土结构工程施工质量验收法律规范》 (GB50204-2025)的规定。表 2-10项序检查项目允许偏差或允许值主控项目1预应力筋品种、级别、规格和数量第 6.3.1 条2避开隔离剂沾污第 6.3.2 条3避开电火花损伤第 6.3.3 条一般项目1预应力筋切断方法和钢丝下料长度第 6.3.4 条2锚具制作质量第 6.3.5 条3预留孔道质量第 6.3.6 条4预应力筋束形控制第 6.3.7 条5无粘结预应力筋铺设第 6.3.8 条6预应力筋防锈措施第 6.3.9 条五、工艺流程制定预应力施工顺序→加工预应力筋、锚具、承压铁板、螺旋筋、马凳→材料检验入库一支底模、侧模、钢筋绑扎→定位放线→铺设无粘结筋→固定马凳→安装端部承压板、螺旋筋洞盒→质量检查与设备自检→浇灌混凝土养护→预应力张拉一切割、封堵。六、施工要点1、精心施工防止无粘结预应力筋的破损,预应力梁的非预应力钢筋应连续绑扎,以便预应力工序插入时,预应力钢筋能一步到位。2、非预应力筋绑扎:预应力梁的非预应力钢筋绑扎时,由于预应力张拉端洞盒放置需要,非预应力筋可适当水平移动。3、定位钢筋(马凳)绑扎:顶应力梁的非预应力钢筋绑扎好后,在箍筋上画出预应力马凳的高度,将马凳点焊在箍筋上,预应力筋牢固固定在马凳上。4、预埋管线的安装:预埋管线...

1、当您付费下载文档后,您只拥有了使用权限,并不意味着购买了版权,文档只能用于自身使用,不得用于其他商业用途(如 [转卖]进行直接盈利或[编辑后售卖]进行间接盈利)。
2、本站所有内容均由合作方或网友上传,本站不对文档的完整性、权威性及其观点立场正确性做任何保证或承诺!文档内容仅供研究参考,付费前请自行鉴别。
3、如文档内容存在违规,或者侵犯商业秘密、侵犯著作权等,请点击“违规举报”。

碎片内容

无粘结预应力工程技术交底模板

您可能关注的文档

确认删除?
VIP
微信客服
  • 扫码咨询
会员Q群
  • 会员专属群点击这里加入QQ群
客服邮箱
回到顶部