电脑桌面
添加小米粒文库到电脑桌面
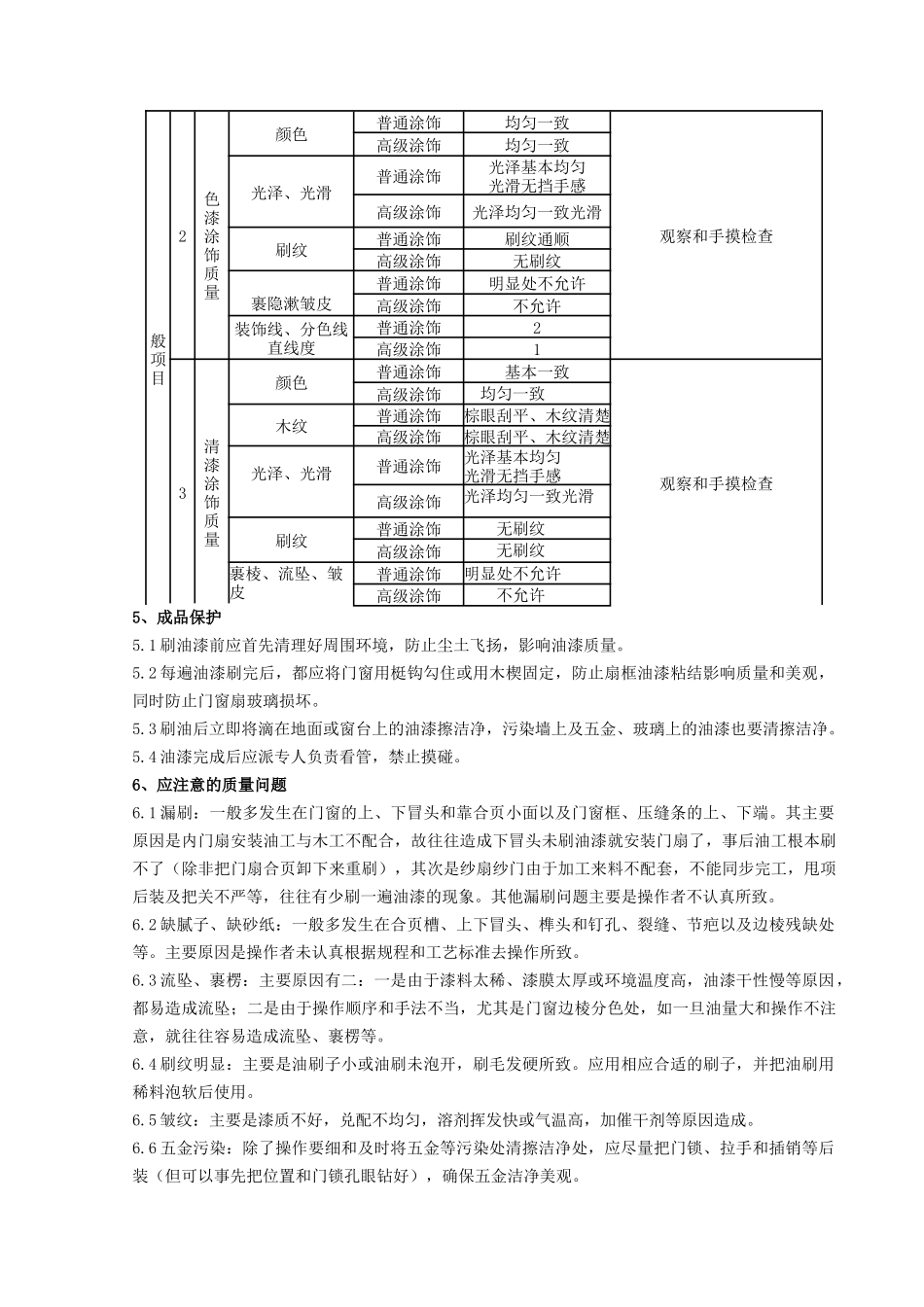
安装后可以在桌面快捷访问

木材表面施涂溶剂型混色涂料施工分项工程质量管理

木材表面施涂溶剂型混色涂料施工分项工程质量管理_第1页
1/4
木材表面施涂溶剂型混色涂料施工分项工程质量管理_第2页
2/4
木材表面施涂溶剂型混色涂料施工分项工程质量管理_第3页
3/4
木材表面施涂溶剂型混色涂料施工工程质量管理1、依据标准:《建筑工程施工质量验收统一标准》 GB50300-2001《建筑装饰装修工程施工质量验收法律规范》 GB50210-20012、施工准备2.1 材料要求:2.1.1 涂料:光油、清油、铅油、调合漆(磁性调合漆、油性调合漆)、漆片等。2.1.2 填充料:石膏、大白、地板黄、红土子、黑烟子、纤维素等。2.1.3 稀释剂:汽油、煤油、醇酸稀料、松香水、酒精等。2.1.4 催干剂:钴催干剂等液体料。2.2 主要机具:2.2.1 油刷、开刀、牛角板、油画笔、掏子(掏刷门窗扇上下口不易涂刷部位的工具)、铜丝箩、砂纸、砂布、腻子板、钢皮刮板、橡皮刮板、小油桶、油勺、半截大桶、水桶、钢丝钳子、小锤子 、钢丝刷、高凳和脚手板、安全带等。2.3 作业条件:2.3.1 施工环境应通风良好,湿作业已完并具备一定的强度,环境比较干燥。2.3.2 大面积施工前应事先做样板间,经有关质量部门检查鉴定合格后,方可组织班组进行大面积施工。2.3.3 施工前应对木门窗等木材外形进行检查,有变形不合格者,应拆换。木材制品含水率不大于12%。2.3.4 操作应认真进行交接检查工作,并对遗留问题进行妥善处理。2.3.5 刷未道油漆前,必须将玻璃全部安装好3、操作工艺3.1 工艺流程:基层处理→刷底子油(操清油→抹腻子→磨砂纸)→刷第一遍油漆(刷铅油→抹腻子→磨砂纸→装玻璃)→刷第二遍油漆(刷铅油→擦玻璃、磨砂纸) →刷最后一遍油漆以上是木门窗和木料表面施涂溶剂型混色涂料中级做法的工艺流程。假如是普通级涂料工程,其做法与木工艺流程基本相同,所不同之处,除少刷一遍油漆外,只找补腻子,不满刮腻子。3.2 基层处理:清扫、起钉子、除油污、刮灰土,刮时不要刮出木毛并防止刮坏抹灰面层;铲去脂囊,将脂迹刮净,流松香的节疤挖掉,较大的脂囊应用木纹相同的材料用胶镶嵌;磨砂纸,先磨线角后磨四口平面,顺木纹打磨,有小活翘皮用小刀撕掉,有重皮的地方用小钉子钉牢固;点漆片,在木节疤和油迹处,用酒精漆片点刷。3.3 刷底子油:3.3.1 操清油一遍:清油用汽油、光油配制,略加一些红土子(避开漏刷不好区分),先从框上部左边开始顺木纹涂刷,框边涂油不得碰到墙面上,厚薄要均匀,框上部刷好后,再刷亮子。刷窗扇时,如两扇窗应先刷左扇后刷右扇;三扇窗应最后刷中间一扇。窗扇外面全部刷完后,用梃钩勾住不可关闭,然后再刷里面。刷门时先刷亮子再刷门框,门扇的背面刷完后用木楔将门扇固定,最后刷门扇的正...

1、当您付费下载文档后,您只拥有了使用权限,并不意味着购买了版权,文档只能用于自身使用,不得用于其他商业用途(如 [转卖]进行直接盈利或[编辑后售卖]进行间接盈利)。
2、本站所有内容均由合作方或网友上传,本站不对文档的完整性、权威性及其观点立场正确性做任何保证或承诺!文档内容仅供研究参考,付费前请自行鉴别。
3、如文档内容存在违规,或者侵犯商业秘密、侵犯著作权等,请点击“违规举报”。

碎片内容

木材表面施涂溶剂型混色涂料施工分项工程质量管理

您可能关注的文档

确认删除?
VIP
微信客服
  • 扫码咨询
会员Q群
  • 会员专属群点击这里加入QQ群
客服邮箱
回到顶部