电脑桌面
添加小米粒文库到电脑桌面
安装后可以在桌面快捷访问

木门窗制作检验批质量验收记录

木门窗制作检验批质量验收记录_第1页
1/2
木门窗制作检验批质量验收记录_第2页
2/2
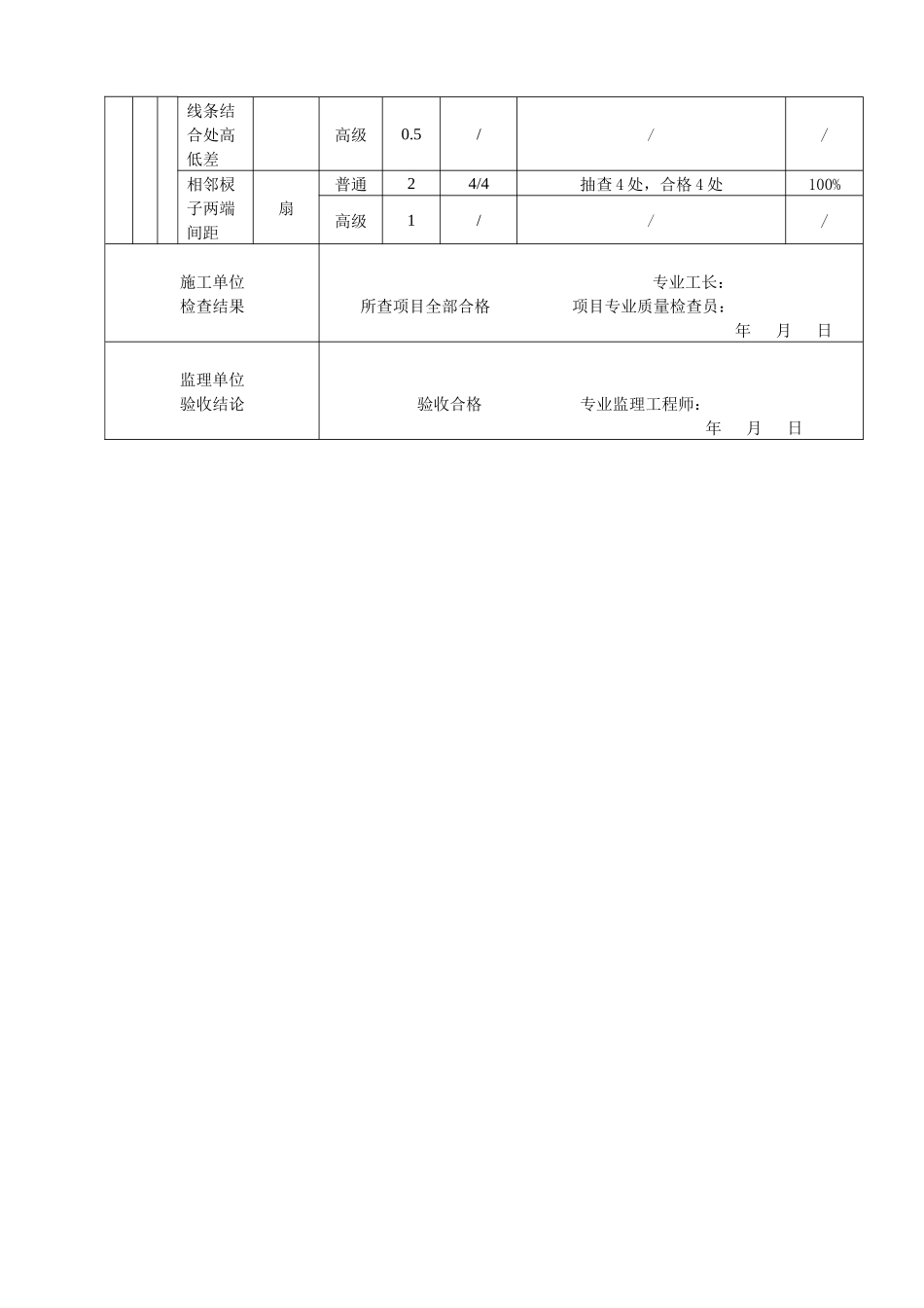
木门窗制作检验批质量验收记录 03040101_____ 单位(子单位)工程名称智多星分部(子分部)工程名称建筑装饰装修/门窗分项工程名称木门窗安装施工单位智多星项目负责人欧玥旭检验批容量80 樘分包单位/分包单位项目负责人/检验批部位三层 1~10/A~E 轴木门窗施工依据智多星装饰装修施工方案验收依据《建筑装饰装修工程施工质量验收法律规范》GB50210-2001验收项目设计要求及法律规范规定最小/实际抽样数量检查记录检查结果主控项目1 材料质量第 5.2.2 条/质量证明文件齐全,通过进场验收√2 木材含水率第 5.2.3 条/检验合格,资料齐全√3 防火、防腐、防虫第 5.2.4 条/检验合格,资料齐全√4 木节及虫眼第 5.2.5 条4/4抽查 4 处,合格 4 处√5 榫槽连接第 5.2.6 条4/4抽查 4 处,合格 4 处√6胶合板门、纤维板门、模压门的质量第 5.2.7 条4/4抽查 4 处,合格 4 处√一般项目1 木门窗表面质量第 5.2.12 条4/4抽查 4 处,合格 4 处100%2 木门窗割角、拼缝第 5.2.13 条4/4抽查 4 处,合格 4 处100%3 木门窗槽、孔质量第 5.2.14 条4/4抽查 4 处,合格 4 处100%4 制作允许偏差翘曲框普通34/4抽查 4 处,合格 4 处100%高级2///扇普通24/4抽查 4 处,合格 4 处100%高级2///对角线长度差框、扇普通34/4抽查 4 处,合格 4 处100%高级2///表面平整度扇普通24/4抽查 4 处,合格 4 处100%高级2///高度、宽度框普通0;-24/4抽查 4 处,合格 4 处100%高级0;-1///扇普通+2;04/4抽查 4 处,合格 4 处100%高级+1;0///裁口、框、扇普通14/4抽查 4 处,合格 4 处100%线条结合处高低差高级0.5///相邻棂子两端间距扇普通24/4抽查 4 处,合格 4 处100%高级1///施工单位检查结果 专业工长:所查项目全部合格 项目专业质量检查员: 年 月 日监理单位验收结论验收合格 专业监理工程师: 年 月 日

1、当您付费下载文档后,您只拥有了使用权限,并不意味着购买了版权,文档只能用于自身使用,不得用于其他商业用途(如 [转卖]进行直接盈利或[编辑后售卖]进行间接盈利)。
2、本站所有内容均由合作方或网友上传,本站不对文档的完整性、权威性及其观点立场正确性做任何保证或承诺!文档内容仅供研究参考,付费前请自行鉴别。
3、如文档内容存在违规,或者侵犯商业秘密、侵犯著作权等,请点击“违规举报”。

碎片内容

木门窗制作检验批质量验收记录

确认删除?
VIP
微信客服
  • 扫码咨询
会员Q群
  • 会员专属群点击这里加入QQ群
客服邮箱
回到顶部