电脑桌面
添加小米粒文库到电脑桌面
安装后可以在桌面快捷访问

机房空气调节系统检验批质量验收记录

机房空气调节系统检验批质量验收记录_第1页
1/2
机房空气调节系统检验批质量验收记录_第2页
2/2
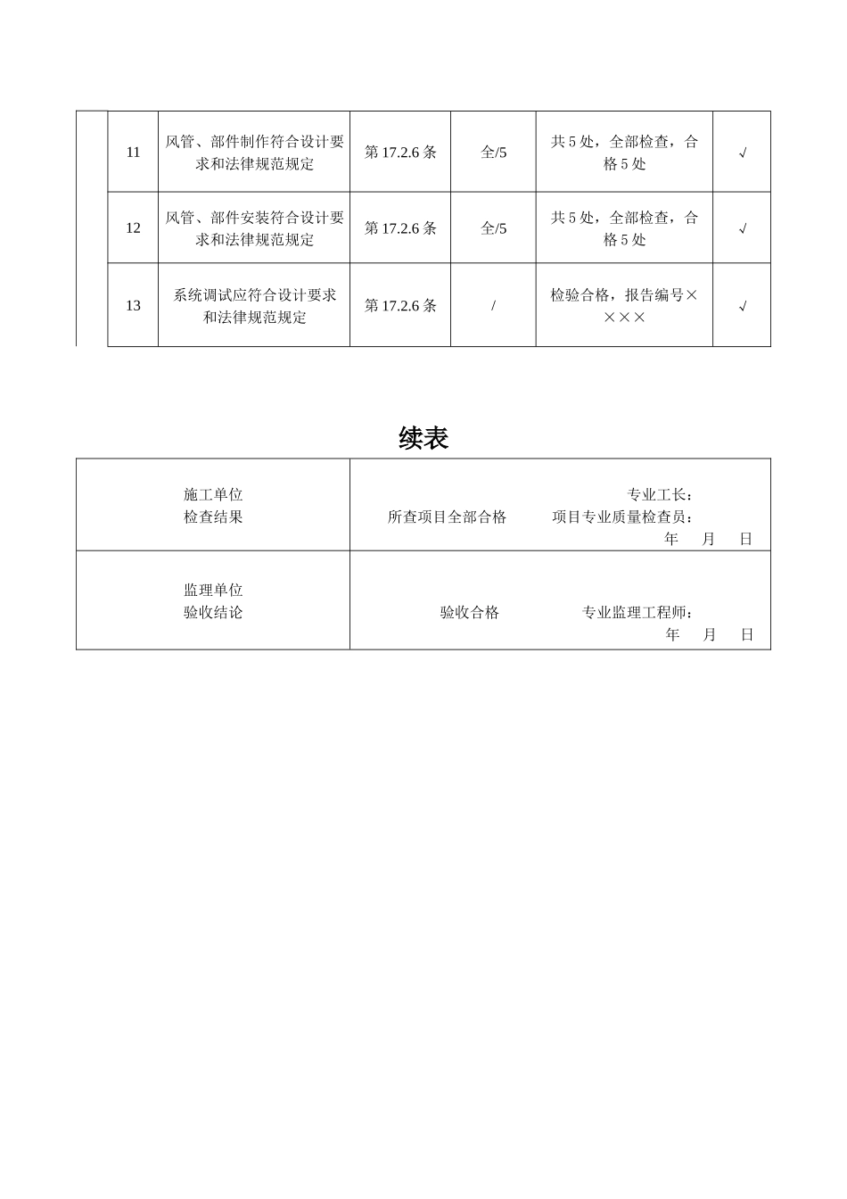
机房空气调节系统检验批质量验收记录08180301 _____单位(子单位)工程名称智多星分部(子分部)工程名称智能建筑/机房分项工程名称空气调节系统施工单位智多星项目负责人欧玥旭检验批容量1 套分包单位/分包单位项目负责人/检验批部位首层 1~8/A~C 轴施工依据《智能建筑工程施工法律规范》GB50606-2025验收依据《智能建筑工程施工法律规范》GB50606-2025验收项目设计要求及法律规范规定最小/实际抽样数量检查记录检查结果主控项目1材料、器具、设备进场质量检测第 3.5.1 条/质量证明文件齐全,通过进场验收√2空调机组安装符合设计要求和法律规范规定第 17.2.6 条全/1共 1 处,全部检查,合格 1 处√3管道安装符合设计要求和法律规范规定第 17.2.6 条全/5共 5 处,全部检查,合格 5 处√4检漏及压力测试及清洗第 17.2.6 条/检验合格,报告编号××××√5管道保温第 17.2.6 条全/5共 5 处,全部检查,合格 5 处√6新风系统设备与管道安装符合设计要求,安装牢固第 17.2.6 条全/5共 5 处,全部检查,合格 5 处√7管道防火阀和排烟防火阀应符合消防产品标准规定第 17.2.6 条全/5共 5 处,全部检查,合格 5 处√8管道防火阀和排烟防火阀必须有产品合格证及性能检测报告第 17.2.6 条/质量证明文件齐全,通过进场验收√9管道防火阀和排烟防火阀安装应牢固可靠、启闭灵活、关闭严密。阀门的驱动装置动作应正确可靠第 17.2.6 条全/5共 5 处,全部检查,合格 5 处√10手动单叶片和多叶片调节阀的安装应牢固可靠、启闭灵活、调节方便第 17.2.6 条全/10共 10 处,全部检查,合格 10 处√11风管、部件制作符合设计要求和法律规范规定第 17.2.6 条全/5共 5 处,全部检查,合格 5 处√12风管、部件安装符合设计要求和法律规范规定第 17.2.6 条全/5共 5 处,全部检查,合格 5 处√13系统调试应符合设计要求和法律规范规定第 17.2.6 条/检验合格,报告编号××××√续表施工单位检查结果 专业工长:所查项目全部合格 项目专业质量检查员: 年 月 日监理单位验收结论验收合格 专业监理工程师: 年 月 日

1、当您付费下载文档后,您只拥有了使用权限,并不意味着购买了版权,文档只能用于自身使用,不得用于其他商业用途(如 [转卖]进行直接盈利或[编辑后售卖]进行间接盈利)。
2、本站所有内容均由合作方或网友上传,本站不对文档的完整性、权威性及其观点立场正确性做任何保证或承诺!文档内容仅供研究参考,付费前请自行鉴别。
3、如文档内容存在违规,或者侵犯商业秘密、侵犯著作权等,请点击“违规举报”。

碎片内容

机房空气调节系统检验批质量验收记录

雏圣文化+ 关注
实名认证
内容提供者

欢迎光临,大量办公文档供您挑选。

确认删除?
VIP
微信客服
  • 扫码咨询
会员Q群
  • 会员专属群点击这里加入QQ群
客服邮箱
回到顶部