电脑桌面
添加小米粒文库到电脑桌面
安装后可以在桌面快捷访问

机械设备检查表

机械设备检查表_第1页
1/2
机械设备检查表_第2页
2/2
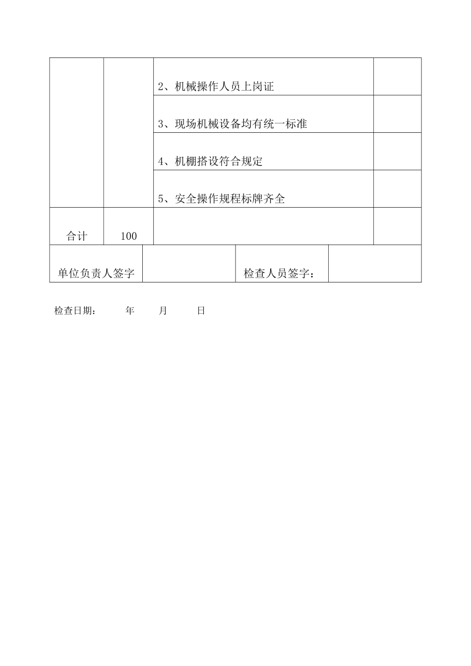
机械设备检查表单位名称: 表号:ZHS-08-1 考核项目分数考核要求实得分内业资料管理201、法律法规文件2、现场设备使用及维护记录3、大型设备外租手续齐全4、标准化工作质量记录现场机械使用情况601、安装平稳、牢固2、机械运转无异响3、设备不带故障运转4、机械整体清洁无锈蚀5、机械油路通畅6、机械无漏油、漏水、漏气、漏电等现象其他201、安全、制动装置灵敏可靠2、机械操作人员上岗证3、现场机械设备均有统一标准4、机棚搭设符合规定5、安全操作规程标牌齐全合计100单位负责人签字检查人员签字:检查日期: 年 月 日

1、当您付费下载文档后,您只拥有了使用权限,并不意味着购买了版权,文档只能用于自身使用,不得用于其他商业用途(如 [转卖]进行直接盈利或[编辑后售卖]进行间接盈利)。
2、本站所有内容均由合作方或网友上传,本站不对文档的完整性、权威性及其观点立场正确性做任何保证或承诺!文档内容仅供研究参考,付费前请自行鉴别。
3、如文档内容存在违规,或者侵犯商业秘密、侵犯著作权等,请点击“违规举报”。

碎片内容

机械设备检查表

确认删除?
VIP
微信客服
  • 扫码咨询
会员Q群
  • 会员专属群点击这里加入QQ群
客服邮箱
回到顶部