电脑桌面
添加小米粒文库到电脑桌面
安装后可以在桌面快捷访问

某医院钢结构夹层梁、组合楼板施工方案VIP专享

某医院钢结构夹层梁、组合楼板施工方案_第1页
1/18
某医院钢结构夹层梁、组合楼板施工方案_第2页
2/18
某医院钢结构夹层梁、组合楼板施工方案_第3页
3/18
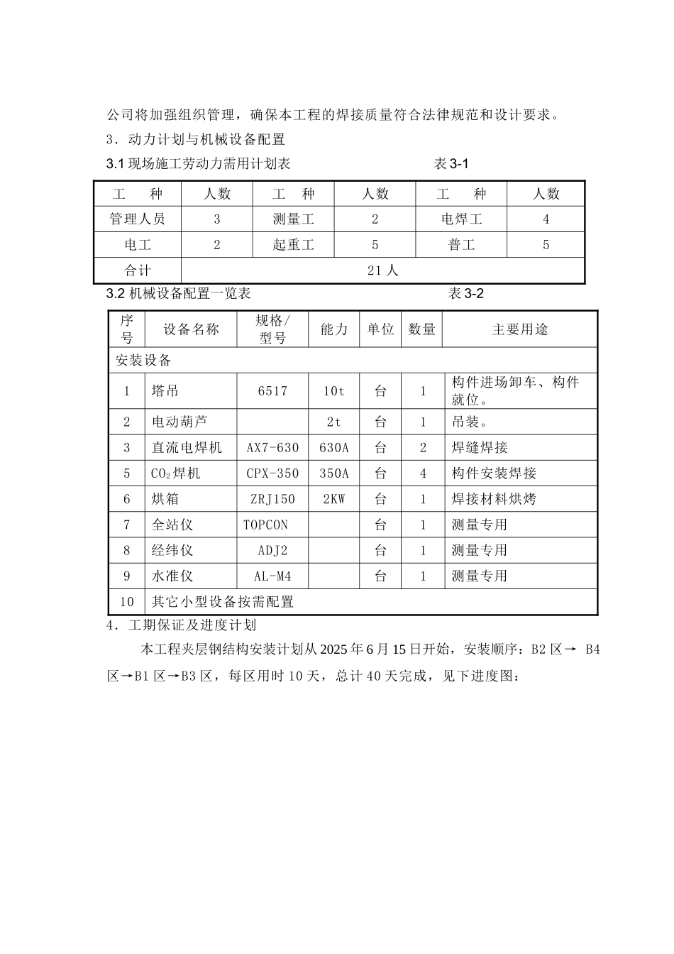
住院部夹层钢结构施工方案一、编制依据1.住院部结构:钢夹层施工图纸,钢夹层深化图纸。2.国家工程建设有关规定《建设工程施工现场管理规定》《建设工程质量管理办法》《建设工程质量监督管理规定》《建设项目(工程)竣工验收办法》3.国家行业等有关标准、法律规范《钢结构工程施工质量验收法律规范》 (GB50205-2001)《建筑工程施工质量验收统一标准》 (GB50300-2001)《建设工程监理法律规范》 (GB50319-2000)《建筑安装工程质量检验评定标准》 (GBJ300-2001)《建筑工程质量检验评定标准》 (GBJ301-1999)《建筑钢结构焊接规程》 (GBJ81-1998)二、工程概况本工程住院楼六层 26.65m 处为钢结构夹层,梁为焊接 H 型钢梁,楼面为压型钢板与混凝土的组合楼板;钢梁主材材质为 Q345B,共计钢梁 812 件,单件最大重量为 663KG,总重量约 240 吨,压型钢板基材厚度为 0.75mm,钢梁与混凝土柱采纳连接板连接,砼柱中预埋铁板埋件,连接板坡口焊接于埋件上。三、施工部署1.结构安装(1)钢结构安装工程由上海宝冶建筑技术经营公司负责安装,该公司先后参加了“国家体育场”、“德基广场”等大型钢结构工程的施工。(2)安装设备配置:综合考虑本工程的结构特点、塔吊的位置、与土建交叉施工等各种因素进行配置。2.钢结构焊接钢结构焊接由上海宝冶建筑技术经营公司负责施工,公司具有合格的、经验丰富的焊工,并参加相关的工艺评定,达到完成本工程焊接所需要的水平,公司将加强组织管理,确保本工程的焊接质量符合法律规范和设计要求。3.动力计划与机械设备配置3.1 现场施工劳动力需用计划表 表 3-1工 种人数工 种人数工 种人数管理人员3测量工2电焊工4电工2起重工5普工5合计21 人3.2 机械设备配置一览表 表 3-2序号设备名称规格/型号能力单位数量主要用途安装设备1塔吊651710t台1构件进场卸车、构件就位。2电动葫芦2t台1吊装。3直流电焊机AX7-630630A台2焊缝焊接5CO2 焊机CPX-350350A台4构件安装焊接6烘箱ZRJ1502KW台1焊接材料烘烤7全站仪TOPCON台1测量专用8经纬仪ADJ2台1测量专用9水准仪AL-M4台1测量专用10其它小型设备按需配置4.工期保证及进度计划本工程夹层钢结构安装计划从 2025 年 6 月 15 日开始,安装顺序:B2 区→ B4区→B1 区→B3 区,每区用时 10 天,总计 40 天完成,见下进度图:四、施工方案及技术措施1.钢梁安装1.1 安装前准备在安装钢梁前,须先检查柱中埋件位置是否正确,...

1、当您付费下载文档后,您只拥有了使用权限,并不意味着购买了版权,文档只能用于自身使用,不得用于其他商业用途(如 [转卖]进行直接盈利或[编辑后售卖]进行间接盈利)。
2、本站所有内容均由合作方或网友上传,本站不对文档的完整性、权威性及其观点立场正确性做任何保证或承诺!文档内容仅供研究参考,付费前请自行鉴别。
3、如文档内容存在违规,或者侵犯商业秘密、侵犯著作权等,请点击“违规举报”。

碎片内容

某医院钢结构夹层梁、组合楼板施工方案

领读文化+ 关注
实名认证
内容提供者

传播文化,铸就未来

确认删除?
VIP
微信客服
  • 扫码咨询
会员Q群
  • 会员专属群点击这里加入QQ群
客服邮箱
回到顶部