电脑桌面
添加小米粒文库到电脑桌面
安装后可以在桌面快捷访问

棚户区住房改造钻孔灌注桩基础施工方案

棚户区住房改造钻孔灌注桩基础施工方案_第1页
1/20
棚户区住房改造钻孔灌注桩基础施工方案_第2页
2/20
棚户区住房改造钻孔灌注桩基础施工方案_第3页
3/20
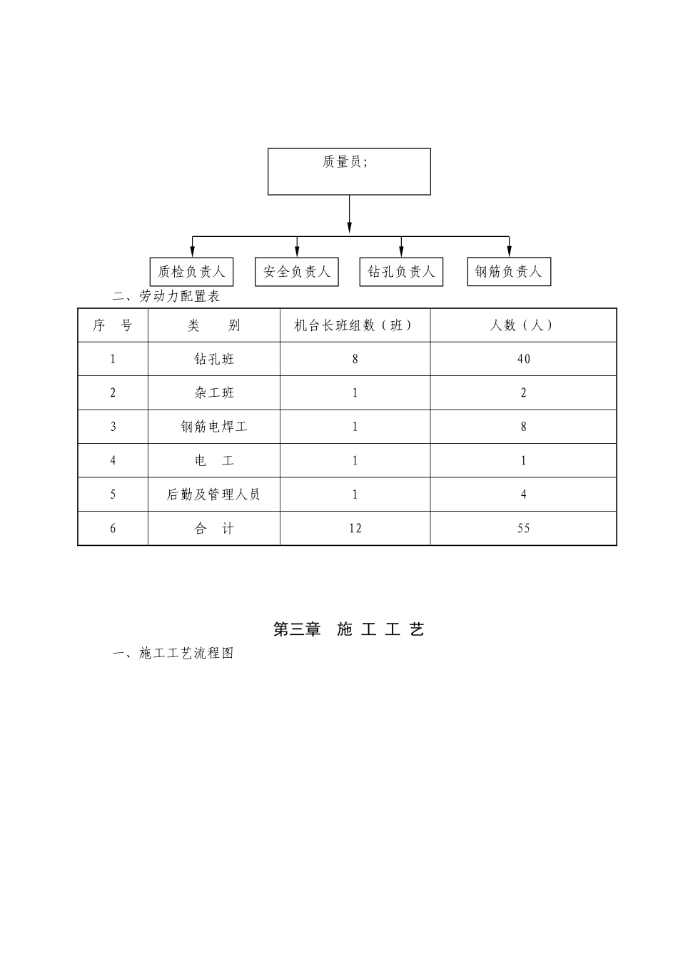
xx 街道农房改造安置工程(B2-1 地块-xx 村)钻孔灌注桩施工方案编制人: 职务(称) 审核人: 职务(称) 批准人: 职务(称) xx 鸿鑫建设有限公司二〇一一年七月第一章 工 程 概 况本工程位于 xx 街道 xxB2-1 地块,由 xx 区村镇建设办公室筹建,xx 市城市规划设计讨论院设计,xx 省浙中地质工程勘察院进行地质勘察,我单位总承建施工。工程总建筑面积113440 平方米,其中地下室 24172 平方米,单层地下室。地上由 1#2#楼 25+1F 层、3~5#楼 16+1F 层、6#楼 17+1F 层、7~8#楼 12+1F 层、9#楼 17+1F 层、社区活动中心 2 层的群体住 宅 楼 组 成 , 建 筑 高 度 1#2# 楼 79.45m 、 3#~5# 楼 53.30m 、 5# 楼 53.3m 、 6# 楼55.80m、7#8#楼 40.80m、9#楼 55.75m、社区活动中心 9.20m,框架剪力墙结构,采纳钻孔灌注桩基础。地下一层为设备用房和汽车库、底部沿街一层部份为商铺、上部为住宅。一、工程地质情况及设计要求本工程设计钻孔灌注桩,以⑧层粘土(或⑥层粉质粘土)作为桩端持力层的桩承摩擦桩。桩基设计情况如下:Φ600 的抗压钻孔灌注桩 ,单桩竖向抗压承载力特征值 1200KN, 有效桩长 50 米,总桩数:150 根,桩身砼采纳 C25;抗拔钻孔灌注桩,单桩竖向抗拔承载力特征值 750KN、 竖向抗压承载力特征值 1200KN,有效桩长 50 米,总桩数:622 根,桩身砼采纳 C25。Φ800 的抗压钻孔灌注桩,单桩竖向抗压承载力特征值 3000KN,有效桩长 70 米,总桩数:654 根,桩身砼采纳 C25。第二章 施工管理组织及施工人员计划为确保桩基工程保质保量按期完成,我公司将组建一支精干队伍,成立项目部,配齐各岗位职能人员,满足施工需要。(人员配备及劳动力配置见下表)一、施工组织框图 工程项目经理:技术负责人:桩机负责人二、劳动力配置表序 号类 别机台长班组数(班)人数(人)1钻孔班8402杂工班123钢筋电焊工184电 工115后勤及管理人员146合 计1255第三章 施 工 工 艺一、施工工艺流程图质量员;质检负责人安全负责人钻孔负责人钢筋负责人机械钻孔桩施工工艺流程图三通一平桩位测量放样桩机就位检查钻头是否对中孔位检查钢材规格质量钢筋笼制作吊放钢筋笼测量泥渣厚度成 孔开孔验收测量成孔深度孔斜、孔位泥土外运处理检查钢筋中心与桩位中心偏差运送钢筋笼钢筋笼验收下导管检查下入深度导管密封性丈量导管长度检查导管质量再次测量孔深设置隔水...

1、当您付费下载文档后,您只拥有了使用权限,并不意味着购买了版权,文档只能用于自身使用,不得用于其他商业用途(如 [转卖]进行直接盈利或[编辑后售卖]进行间接盈利)。
2、本站所有内容均由合作方或网友上传,本站不对文档的完整性、权威性及其观点立场正确性做任何保证或承诺!文档内容仅供研究参考,付费前请自行鉴别。
3、如文档内容存在违规,或者侵犯商业秘密、侵犯著作权等,请点击“违规举报”。

碎片内容

棚户区住房改造钻孔灌注桩基础施工方案

您可能关注的文档

确认删除?
VIP
微信客服
  • 扫码咨询
会员Q群
  • 会员专属群点击这里加入QQ群
客服邮箱
回到顶部