电脑桌面
添加小米粒文库到电脑桌面
安装后可以在桌面快捷访问

河北苏中提高断桥铝合金窗保温层防渗施工一次合格率

河北苏中提高断桥铝合金窗保温层防渗施工一次合格率_第1页
1/10
河北苏中提高断桥铝合金窗保温层防渗施工一次合格率_第2页
2/10
河北苏中提高断桥铝合金窗保温层防渗施工一次合格率_第3页
3/10
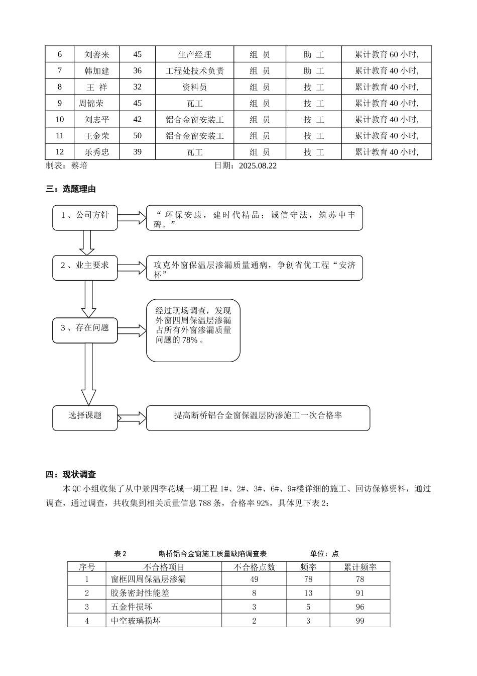
提高断桥铝合金窗保温层防渗施工一次合格率江苏省苏中建设集团股份有限公司江苏省苏中建设集团股份有限公司石家庄分公司第九 QC 小组一、工程概况中景四季花城 19#住宅楼工程位于和平路与翟营大街交叉口西北角,由北京景旭房地产公司投资开发 ,北京维拓时代建筑设计有限公司设计,江苏省苏中建设集团股份有限公司施工总承包、河北天元监理有限公司监理。本工程为现浇钢筋混凝土剪力墙结构,筏板基础;建筑面积 33808.78m2,建筑总高为 77.1米;地下 2 层、地上 24 层。本工程采纳带副框的断桥铝合金窗施工技术,它改变了传统门窗安装过程中需等外门窗(框)安装到位方能进行内外墙面装饰的施工顺序,实现了多重工序平行施工,极大的提高了生产效率和施工速度通常我们采纳在外窗四周粘贴聚苯板或抹胶粉聚苯颗粒保温浆料等做法,使外窗符合节能要求。粘贴聚苯板时一般采纳框点法,并非满粘,而且裁板复杂,对拼缝要求高;胶粉聚苯颗粒自身防水性差; 一旦表层抗裂砂浆开裂后,两种保温材料内部将会出现若干水路,在窗框四周的防水密封圈下直达室内,出现节能不防水的质量通病。在三期工程中,项目部秉承精益求精的原则,对一期工程交户使用中存在的问题,仔细总结归纳,选择用户意见比较多,反响比较大的“提高断桥铝合金窗保温层防渗施工一次合格率”作为小组下一个活动的课题,力争使三期工程施工质量再上一个台阶。二、小组简介本 QC 小组成立于 2025 年 3 月,由分公司总工、项目部项目经理、施工员、质检员、技术工人等十二人组成,小组成员均接受过 TQC 学习培训,小组具体情况见附表 1: QC 小组简介 表 1小组名称江苏省苏中建设集团股份有限公司石家庄分公司第九 QC 小组 成立时间2025.3.10课题名称提高断桥铝合金窗保温层防渗施工一次合格率小组注册号QC(SZ)20250809小组注册日期2025.3.10课题类型现场型课题注册号QC(SZ)20250809课题注册时间2025.8.20小组人数12活动时间2025/08~2025/03活动次数16 次成员出勤率98.5%小 组 成 员序号姓 名年龄职 务组内分工职 称TQC 教育情况1袁国民47项目经理组 长高级工程师累计教育 80 小时,2江明山41分公司总工副组长高级工程师累计教育 60 小时,3蔡 培31项目技术负责人副组长工程师累计教育 60 小时,4葛 宏39项目副经理组 员助 工累计教育 60 小时,5陈 旭27施工员组 员助 工累计教育 60 小时,6刘善来45生产经理组 员助 工累计教育 60 小...

1、当您付费下载文档后,您只拥有了使用权限,并不意味着购买了版权,文档只能用于自身使用,不得用于其他商业用途(如 [转卖]进行直接盈利或[编辑后售卖]进行间接盈利)。
2、本站所有内容均由合作方或网友上传,本站不对文档的完整性、权威性及其观点立场正确性做任何保证或承诺!文档内容仅供研究参考,付费前请自行鉴别。
3、如文档内容存在违规,或者侵犯商业秘密、侵犯著作权等,请点击“违规举报”。

碎片内容

河北苏中提高断桥铝合金窗保温层防渗施工一次合格率

人从众+ 关注
实名认证
内容提供者

欢迎光临小店,本店以公文和教育为主,希望符合您的需求。

确认删除?
VIP
微信客服
  • 扫码咨询
会员Q群
  • 会员专属群点击这里加入QQ群
客服邮箱
回到顶部