电脑桌面
添加小米粒文库到电脑桌面
安装后可以在桌面快捷访问

浅析挖孔钻成空灌注桩施工技术

浅析挖孔钻成空灌注桩施工技术_第1页
1/4
浅析挖孔钻成空灌注桩施工技术_第2页
2/4
浅析挖孔钻成空灌注桩施工技术_第3页
3/4
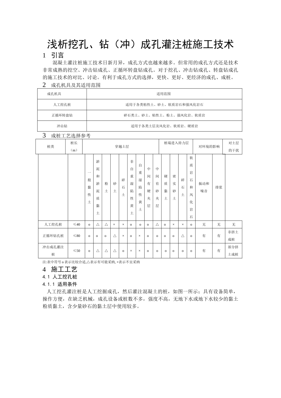
浅析挖孔、钻(冲)成孔灌注桩施工技术1 引言混凝土灌注桩施工技术日新月异,成孔方式也越来越多。但常用的成孔方式还是技术非常成熟的挖空、冲击钻成孔、正循环转盘钻成孔。对于挖孔、冲击钻成孔、转盘钻成孔的施工技术的对比、讨论。有利于成孔方式的选择,更快、更好、更经济的成孔、成桩。2成孔机具及其适用范围成孔机具适用范围人工挖孔桩适用于各类粘性土、砂土、软质岩石和强风化岩石正循环转盘钻碎石类土、砂土、粘性土、粉土、强风化岩、软质岩冲击钻适用于各类土层及风化岩、软质岩、硬质岩3成桩工艺选择参考桩类桩长(m)穿越土层桩端进入持力层对环境的影响对土层的干扰一般黏性土淤泥和淤泥质黏土粉土砂土碎石土非自重湿陷性黄土自重湿陷性黄土中间有硬夹层中间有砂夹层硬质黏土密实砂土碎石土软质岩石和风化岩石振动和噪音排浆人工挖孔桩≤40o△△××ooo△o××o无无无正循环钻孔桩≤80ooo△×o×oooo△o有有非挤土成桩冲击成孔灌注桩≤50o△△△o××oooooo有有部分挤土成桩注:表中符号 o 表示比较合适,△表示有可能采纳, ×表示不宜采纳4 施工工艺4.1 人工挖孔桩4.1.1 适用条件 人工挖孔灌注桩是人工挖掘成孔,然后灌注混凝土的桩,如图一所示;具有设备简单,操作方便,在缺乏机械,成孔设备或桩数不多,强度不高,无地下水或地下水较少的黏土粉质黏土,含少量砂石的黏土层中使用较多。4.1.2 施工机具设备(1)挖土工具 铁镐、铁锹、钢钎、铁锤、风镐等挖土工具。(2)出土工具 电动葫芦或手摇辘轳和提土捅。(3)降水工具 潜水泵,用于抽出孔内的积水。(4)护壁模板 常用的有木结构式和钢结构式两种。4.1.3 施工方法(1) 施工程序:①放线定位→②土方开挖→③测量控制→④混凝土护壁→⑤挖到设计标高→⑥基底验收→⑦安放钢筋笼→⑧浇注混凝土(2) 人工挖孔桩需要边开挖边修筑混凝土护壁。每进尺 1 米浇筑一环混凝土护壁,护壁厚度不小于 10cm,随着土层情况的变差适当加厚护壁厚度。对于土质较好的地层,护壁可用素混凝土,土质较差的地段需加入适量钢筋。护壁结构形式为斜阶形,如图一所示。(3) 桩内渗水可用铁捅装水,提升排水,渗水量大时可用水泵排水。水泵须常常检查,严防漏电。桩内排烟也须特别注意,孔内炮后迅速排烟,当孔深超过 10m 时应当采纳机械通风,下孔作业前要检查孔内是否有毒气。 (4) 桩基钢筋笼分节制作,制作时严格按设计图纸下料配筋制作,清除钢筋表面和污垢和锈蚀,钢筋笼焊接...

1、当您付费下载文档后,您只拥有了使用权限,并不意味着购买了版权,文档只能用于自身使用,不得用于其他商业用途(如 [转卖]进行直接盈利或[编辑后售卖]进行间接盈利)。
2、本站所有内容均由合作方或网友上传,本站不对文档的完整性、权威性及其观点立场正确性做任何保证或承诺!文档内容仅供研究参考,付费前请自行鉴别。
3、如文档内容存在违规,或者侵犯商业秘密、侵犯著作权等,请点击“违规举报”。

碎片内容

浅析挖孔钻成空灌注桩施工技术

您可能关注的文档

确认删除?
VIP
微信客服
  • 扫码咨询
会员Q群
  • 会员专属群点击这里加入QQ群
客服邮箱
回到顶部