电脑桌面
添加小米粒文库到电脑桌面
安装后可以在桌面快捷访问

济南某商务港安装工程施工组织设计

济南某商务港安装工程施工组织设计_第1页
1/79
济南某商务港安装工程施工组织设计_第2页
2/79
济南某商务港安装工程施工组织设计_第3页
3/79
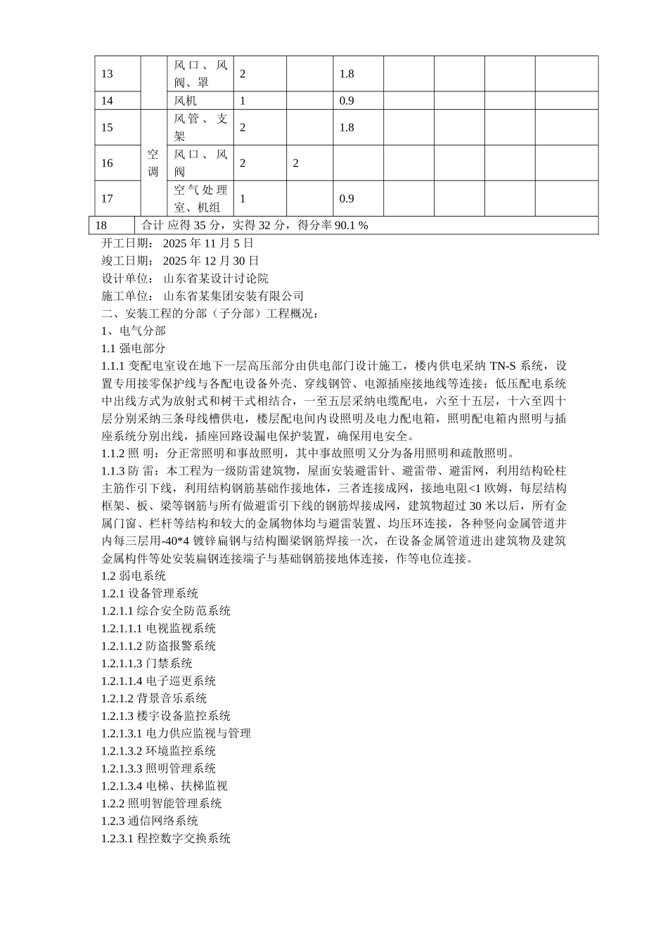
目录第一章 工程简介...............................................................2第二章 组织结构..............................................................15第三章 施工准备及配合........................................................17第四章 施工工艺及方案........................................................23第五章 质量、安全的保证措施及环境管理控制...................................131第六章 劳动力安排及施工进场计划.............................................198第七章 材料及设备检查、采购、检验...........................................200第八章 安装工程主要材料总计划...............................................203第九章 安装工程机具、设备计划表.............................................208工程简介一、工程概况:工程名称:山东某商务港工程地址:济南市经一路建筑面积:90000 平方米层 数:地下三层,地上四十九层建筑高度:188 米结构类型:框架结构质量等级:优良,争创鲁班奖。施工验收标准见下页序号项目名称标准分评定等级备注一级100%二级90%三级80%四级70%五级 01室内给排水管 道 坡度 、 接口、支 架 、 管件32.72卫 生 器具 、 支 架阀 门 、 配件32.73检 查 口 、扫 除 口 、地漏21.84室内采暖管 道 坡度 、 接口 、 支架、弯管32.75散 热 器 及支架21.86伸 缩 器 、膨胀水箱21.87室内电气安装线路敷设21.88配 电 箱( 盘 、板)21.89照明器具21.810开关插座21.811防 雷 、 动力220.912通风风 管 、 支架21.813风 口 、 风阀、罩21.814风机10.915空调风 管 、 支架21.816风 口 、 风阀2217空 气 处 理室、机组10.918合计 应得 35 分,实得 32 分,得分率 90.1 %开工日期: 2025 年 11 月 5 日竣工日期: 2025 年 12 月 30 日设计单位: 山东省某设计讨论院施工单位: 山东省某集团安装有限公司二、安装工程的分部(子分部)工程概况:1、电气分部1.1 强电部分1.1.1 变配电室设在地下一层高压部分由供电部门设计施工,楼内供电采纳 TN-S 系统,设置专用接零保护线与各配电设备外壳、穿线钢管、电源插座接地线等连接;低压配电系统中出线方式为放射式和树干式相结合,一至五层采纳电缆配电,六至十五层,十六至四十层分别采纳三条母线槽供电,楼层配电间内设...

1、当您付费下载文档后,您只拥有了使用权限,并不意味着购买了版权,文档只能用于自身使用,不得用于其他商业用途(如 [转卖]进行直接盈利或[编辑后售卖]进行间接盈利)。
2、本站所有内容均由合作方或网友上传,本站不对文档的完整性、权威性及其观点立场正确性做任何保证或承诺!文档内容仅供研究参考,付费前请自行鉴别。
3、如文档内容存在违规,或者侵犯商业秘密、侵犯著作权等,请点击“违规举报”。

碎片内容

济南某商务港安装工程施工组织设计

确认删除?
VIP
微信客服
  • 扫码咨询
会员Q群
  • 会员专属群点击这里加入QQ群
客服邮箱
回到顶部