电脑桌面
添加小米粒文库到电脑桌面
安装后可以在桌面快捷访问

滇东电厂#1锅炉磨煤机大罐吊装技术攻关

滇东电厂#1锅炉磨煤机大罐吊装技术攻关_第1页
1/14
滇东电厂#1锅炉磨煤机大罐吊装技术攻关_第2页
2/14
滇东电厂#1锅炉磨煤机大罐吊装技术攻关_第3页
3/14
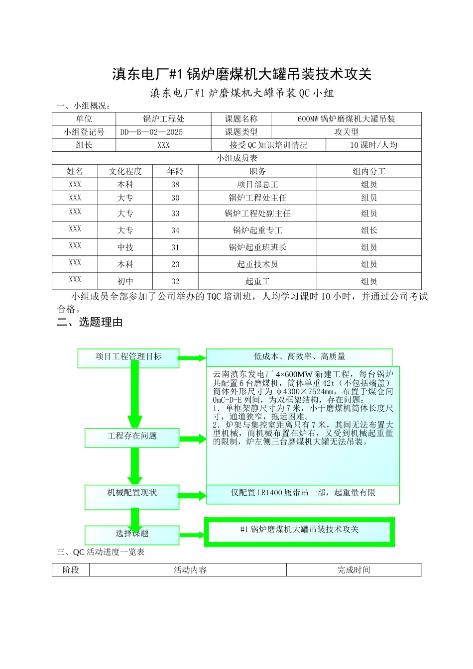
滇东电厂#1 锅炉磨煤机大罐吊装技术攻关滇东电厂#1 炉磨煤机大罐吊装 QC 小组一、小组概况:单位锅炉工程处课题名称600MW 锅炉磨煤机大罐吊装小组登记号DD—B—02—2025课题类型攻关型组长XXX接受 QC 知识培训情况10 课时/人均小组成员表姓名文化程度年龄职务组内分工XXX本科38项目部总工组员XXX大专30锅炉工程处主任组员XXX大专33锅炉工程处副主任组员XXX大专34锅炉起重专工组长XXX中技31锅炉起重班班长组员XXX本科23起重技术员组员XXX初中32起重工组员 小组成员全部参加了公司举办的 TQC 培训班,人均学习课时 10 小时,并通过公司考试合格。二、选题理由 三、QC 活动进度一览表阶段 活动内容完成时间项目工程管理目标低成本、高效率、高质量云南滇东发电厂 4×600MW 新建工程,每台锅炉共配置 6 台磨煤机,筒体单重 42t(不包括端盖)筒体外形尺寸为 φ4300×7524mm,布置于煤仓间0mC-D-E 列间,为双框架结构,存在问题:1.单框架静尺寸为 7 米,小于磨煤机筒体长度尺寸,通道狭窄,拖运困难。2.炉架与集控室距离只有 7 米,其间无法布置大型机械,而机械布置在炉右,又受到机械起重量的限制,炉左侧三台磨煤机大罐无法吊装。#1 锅炉磨煤机大罐吊装技术攻关工程存在问题选择课题机械配置现状仅配置 LR1400 履带吊一部,起重量有限P1. 选择课题,进行现状调查,确定目标。2. 原因分析,确定要因。3. 制定对策。2025 年 8 月---10 月D实施对策2025 年 11 月至--2025 年 1 月C效果检查2025 年 1 月A活动的巩固、总结2025 年 2 月 制表:XXX 时间:2025-8-5四、现状调查:现状一:我们调查了德州施工场地 2×660MW、聊城施工场地 2×600MW 磨煤机大罐吊装方案: 吊装方案对比表:德州施工场地 2×660MW聊城施工场地 2×600MW滇东 4×600MW设计位置煤仓间 C、D 列柱之间煤仓间 C、D 列柱之间C-D-E 列间磨煤机大罐长度尺寸小于 C、D 列柱跨距小于 C、D 列柱跨距大于 C-D-E 列间跨距拖运方向沿磨煤机大罐安装方向沿磨煤机大罐安装方向不能沿磨煤机大罐安装方向大型机械布置布置在固定端布置在固定端由以上调查可以看出,本工程与以往两工程在设计上主要存在的不同一是磨煤机大罐尺寸大于 C—D—E 列间跨距,二是炉架宽,机械布置受到限制,也就是吊装通道狭窄。 现状二: 机械配备情况:由于滇东电厂施工场地为省外工程,机械调配成本相当高。因此,目前施工场地仅配备...

1、当您付费下载文档后,您只拥有了使用权限,并不意味着购买了版权,文档只能用于自身使用,不得用于其他商业用途(如 [转卖]进行直接盈利或[编辑后售卖]进行间接盈利)。
2、本站所有内容均由合作方或网友上传,本站不对文档的完整性、权威性及其观点立场正确性做任何保证或承诺!文档内容仅供研究参考,付费前请自行鉴别。
3、如文档内容存在违规,或者侵犯商业秘密、侵犯著作权等,请点击“违规举报”。

碎片内容

滇东电厂#1锅炉磨煤机大罐吊装技术攻关

确认删除?
VIP
微信客服
  • 扫码咨询
会员Q群
  • 会员专属群点击这里加入QQ群
客服邮箱
回到顶部