电脑桌面
添加小米粒文库到电脑桌面
安装后可以在桌面快捷访问

热轧无缝管等钢材采购招标文件

热轧无缝管等钢材采购招标文件_第1页
1/4
热轧无缝管等钢材采购招标文件_第2页
2/4
热轧无缝管等钢材采购招标文件_第3页
3/4
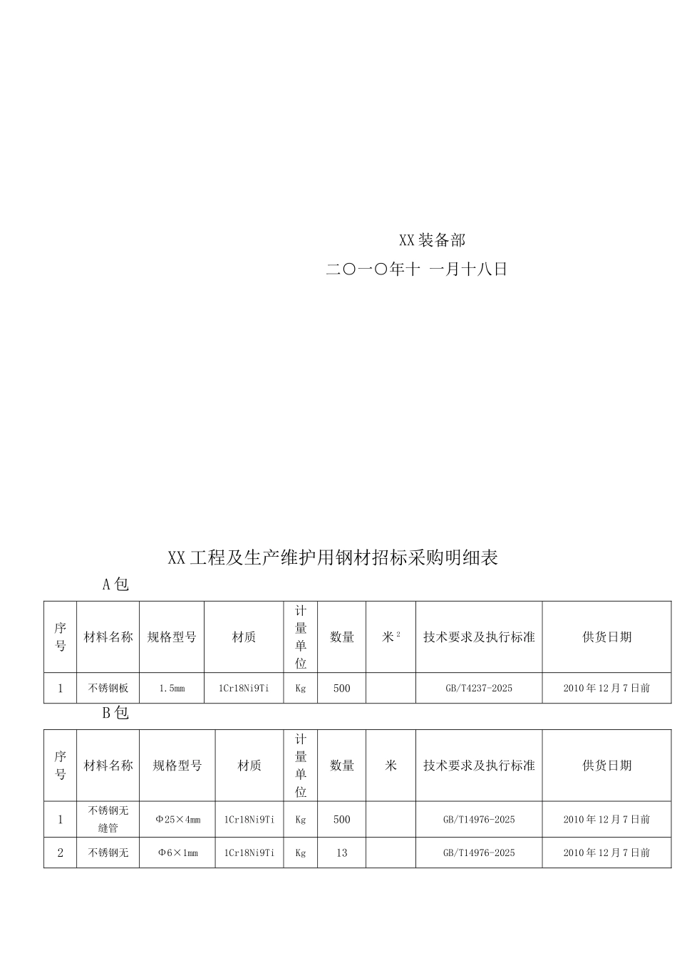
XX 工程及生产维护用热轧无缝管等钢材招标采购公告一、招标编号: ZBCGCL1011071二、项目名称:XX 工程及生产维护用三、招标内容:热轧无缝钢管、不锈钢无缝钢管、不锈钢板等。 详见明细附表四、资格要求:(1)依法成立,具有法人资格和一般纳税人资格;注册资金要求 200 万元以上。(2)生产厂家和承揽单位须通过质量管理体系认证。特种行业必须取得国家相关部门颁发的许可证书。(3)具有履行合同必需的设备、专业技术、资质能力;(4)有同类采购品或检修的业绩 2 项(附合同复印件、用户评价等)(5)在经营活动中没有违法记录。(6)被济钢开除或年度评审不合格的供方不能报名。五、资质预审需要的材料:资质和资信:营业执照副本、税务登记副本、质量体系认证、相应的设备代理证明等原件及复印件。业绩:与其他单位签订的同类采购品合同(2 份)及相对应的用户评价材料的原件及复印件。请将以上材料在报名结束之前交济钢装备部招标办进行资质预审。另外,复印件必须加盖单位公章。六、招标文件售价:无 七、公告和报名日期:2010 年 11 月 19 日~2010 年 11 月 24 日。报名方式:登录 XX 网站—网上招标—装备部。(不接受线下报名)八、购买招标文件1、购买招标文件时间:2025 年 11 月 26 日 8:00~17:002、购买招标文件地点:XX 装备部招标办公室。3、发售招标文件联系人:XX 联系电话:XX 传真:XX4、业务联系人:XX 联系电话:九.开标1、开标时间:2010 年 11 月 30 日 8:30(北京时间)。2、开标地点:XX 装备部。十、交货日期:见附表。 XX 装备部 二○一○年十 一月十八日 XX 工程及生产维护用钢材招标采购明细表A 包序号材料名称规格型号材质计量单位数量米 2技术要求及执行标准供货日期1不锈钢板1.5mm1Cr18Ni9TiKg500GB/T4237-20252010 年 12 月 7 日前B 包序号材料名称规格型号材质计量单位数量米技术要求及执行标准供货日期1不锈钢无缝管Φ25×4mm1Cr18Ni9TiKg500GB/T14976-20252010 年 12 月 7 日前2不锈钢无Φ6×1mm1Cr18Ni9TiKg13GB/T14976-20252010 年 12 月 7 日前缝管3不锈钢无缝管Φ18×2.5mm0Cr18Ni9Kg13GB/T14976-20252010 年 12 月 7 日前4不锈钢无缝管Φ57×3.5mm0Cr18Ni9Kg300GB/T14976-20252010 年 12 月 7 日前C 包序号材料名称规格型号材质计量单位数量米技术要求及执行标准供货日期1冷拔无缝钢管Φ32×2.5mm20#Kg83GB/T8163-2025...

1、当您付费下载文档后,您只拥有了使用权限,并不意味着购买了版权,文档只能用于自身使用,不得用于其他商业用途(如 [转卖]进行直接盈利或[编辑后售卖]进行间接盈利)。
2、本站所有内容均由合作方或网友上传,本站不对文档的完整性、权威性及其观点立场正确性做任何保证或承诺!文档内容仅供研究参考,付费前请自行鉴别。
3、如文档内容存在违规,或者侵犯商业秘密、侵犯著作权等,请点击“违规举报”。

碎片内容

热轧无缝管等钢材采购招标文件

您可能关注的文档

文森传品+ 关注
实名认证
内容提供者

一家传播文化教育的小店,资料丰富,随意挑选。

确认删除?
VIP
微信客服
  • 扫码咨询
会员Q群
  • 会员专属群点击这里加入QQ群
客服邮箱
回到顶部